LEMON Manuals: Even more car manuals for everyone: 1960-2025
Home >> Infiniti >> 2004 >> Q45 >> Repair and Diagnosis >> Electrical >> Gauges >> Driver Information System >> Voice Activated Control System >> Schematic
April 5, 2026: LEMON Manuals is launched! Read the announcement.

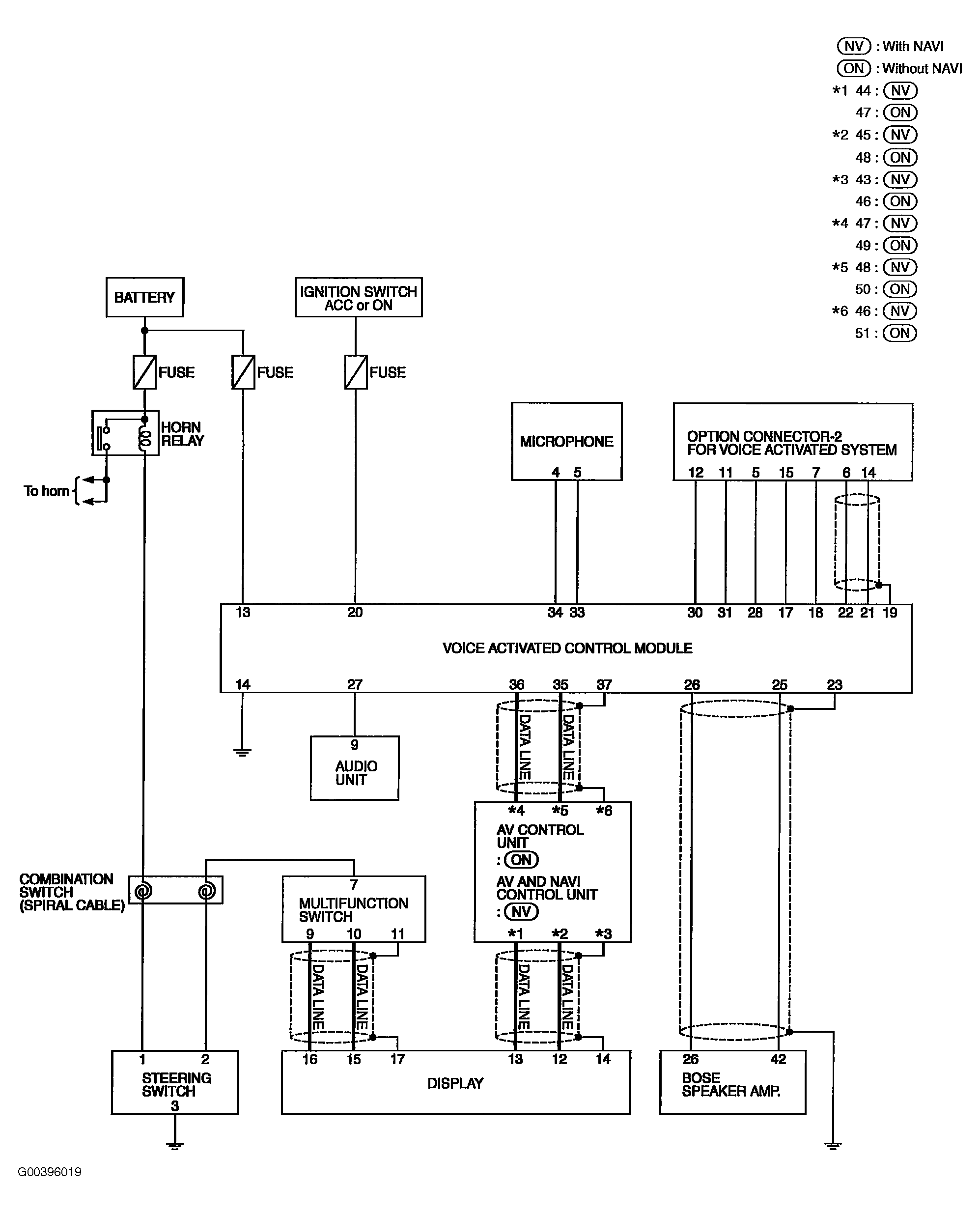
Voice Activated Control System: Schematic

Fig 1: Schematic
G00396019Courtesy of NISSAN MOTOR CO., U.S.A.