LEMON Manuals: Even more car manuals for everyone: 1960-2025
Home >> Infiniti >> 2004 >> Q45 >> Repair and Diagnosis >> Engine Performance >> Engine Control System >> DTC P0112, P0113: IAT Sensor >> Wiring Diagram
April 5, 2026: LEMON Manuals is launched! Read the announcement.

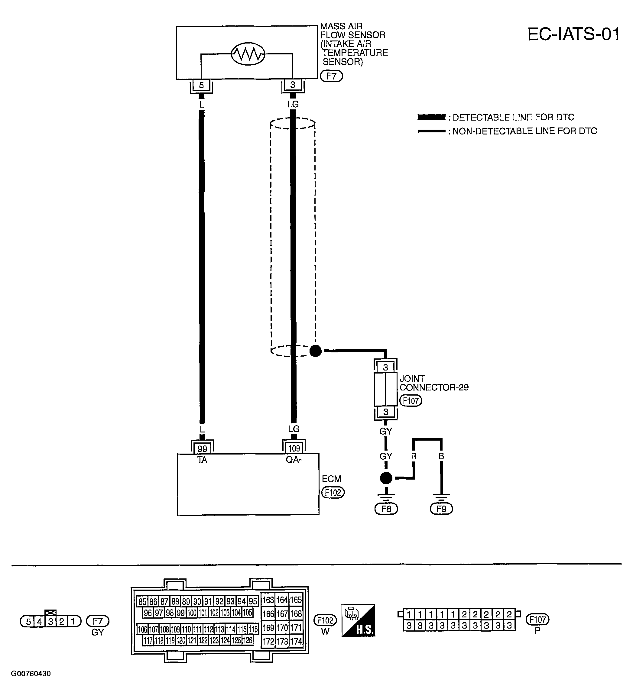
DTC P0112, P0113: IAT Sensor: Wiring Diagram

Fig 1: Circuit Diagram - EC-IATS-01
G00760430Courtesy of NISSAN MOTOR CO., U.S.A.