LEMON Manuals: Even more car manuals for everyone: 1960-2025
Home >> Infiniti >> 2004 >> Q45 >> Repair and Diagnosis >> Engine Performance >> Engine Control System >> DTC P0335: CKP Sensor (Pos) >> Wiring Diagram
April 5, 2026: LEMON Manuals is launched! Read the announcement.

DTC P0335: CKP Sensor (Pos): Wiring Diagram

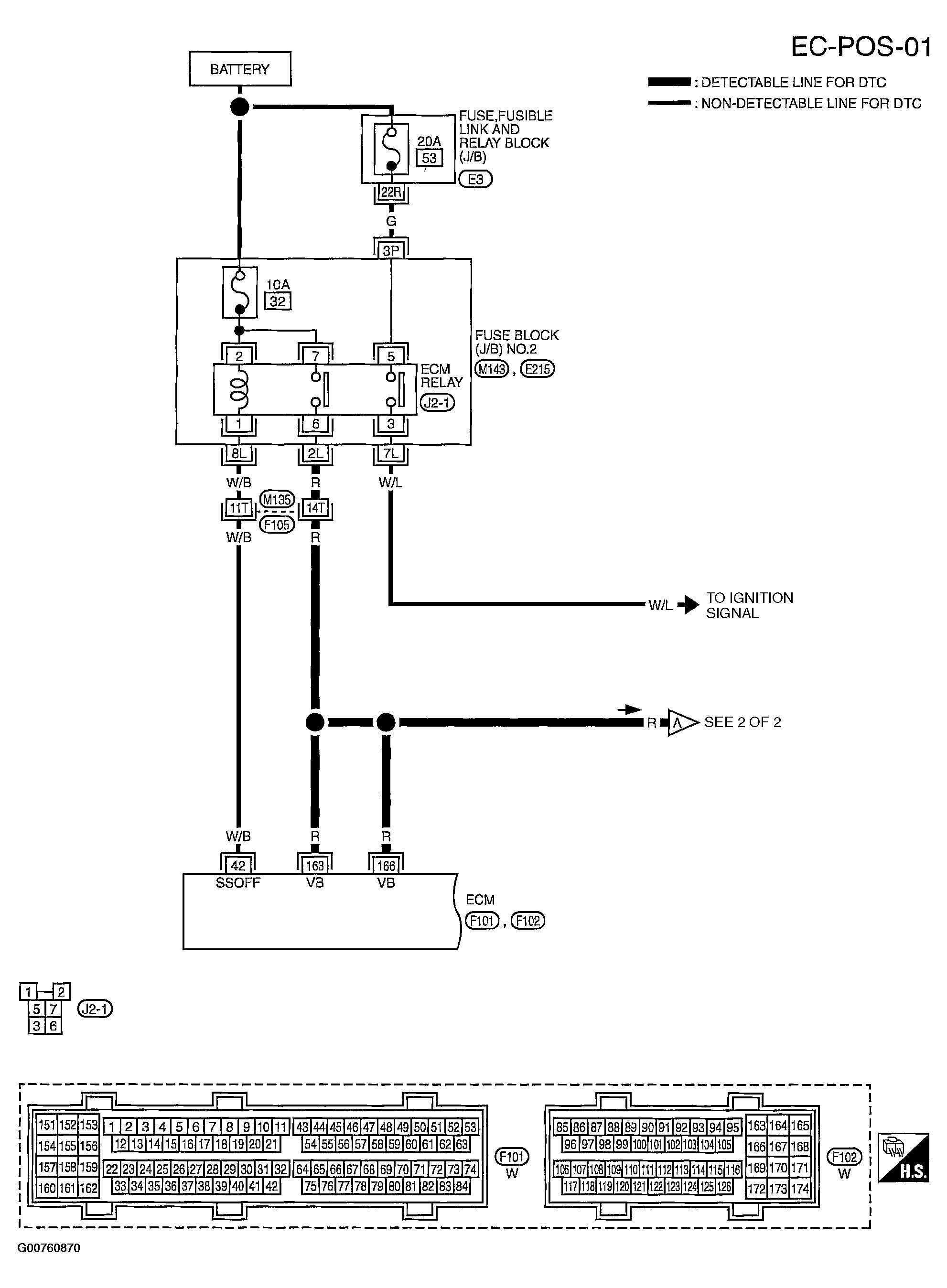
Fig 1: Circuit Diagram (1 Of 2) - EC-POS-01
G00760870Courtesy of NISSAN MOTOR CO., U.S.A.

Specification data are reference values and are measured between each terminal and ground.

CAUTION: Do not use ECM ground terminals when measuring input/output voltage. Doing so may result in damage to the ECM's transistor. Use a ground other than ECM terminals, such as the ground.
Fig 2: Specification Data & Reference Values
G00760871Courtesy of NISSAN MOTOR CO., U.S.A.
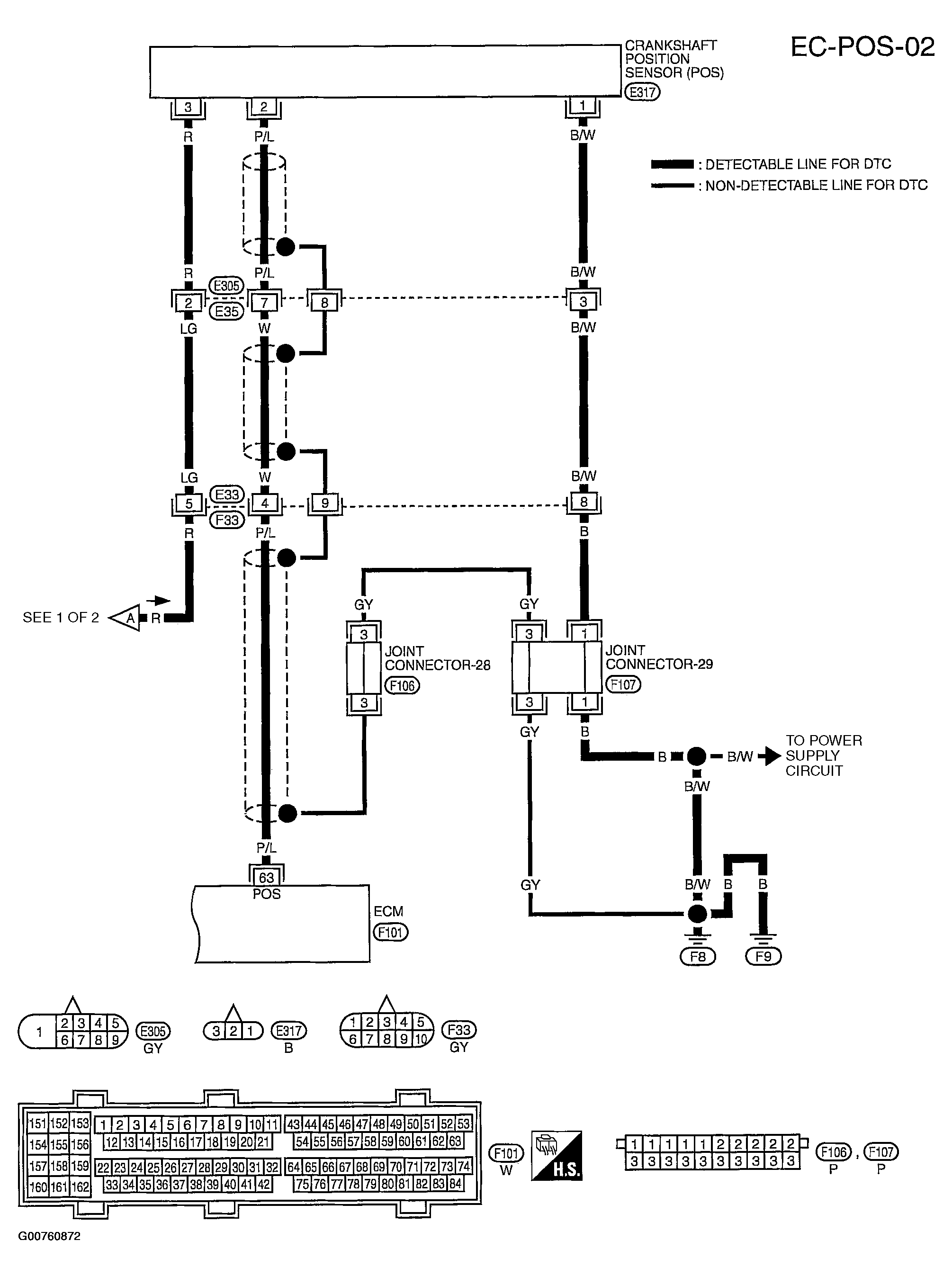
Fig 3: Circuit Diagram (2 Of 2) - EC-POS2-01
G00760872Courtesy of NISSAN MOTOR CO., U.S.A.

Specification data are reference values and are measured between each terminal and ground. Pulse signal is measured by CONSULT-II.

CAUTION: Do not use ECM ground terminals when measuring input/output voltage. Doing so may result in damage to the ECM's transistor. Use a ground other than ECM terminals, such as the ground.
Fig 4: Specification data & reference values
G00760873Courtesy of NISSAN MOTOR CO., U.S.A.