LEMON Manuals: Even more car manuals for everyone: 1960-2025
Home >> Infiniti >> 2004 >> Q45 >> Repair and Diagnosis >> Engine Performance >> Engine Control System >> DTC P1119: Radiator Coolant Temperature Sensor >> Wiring Diagram
April 5, 2026: LEMON Manuals is launched! Read the announcement.

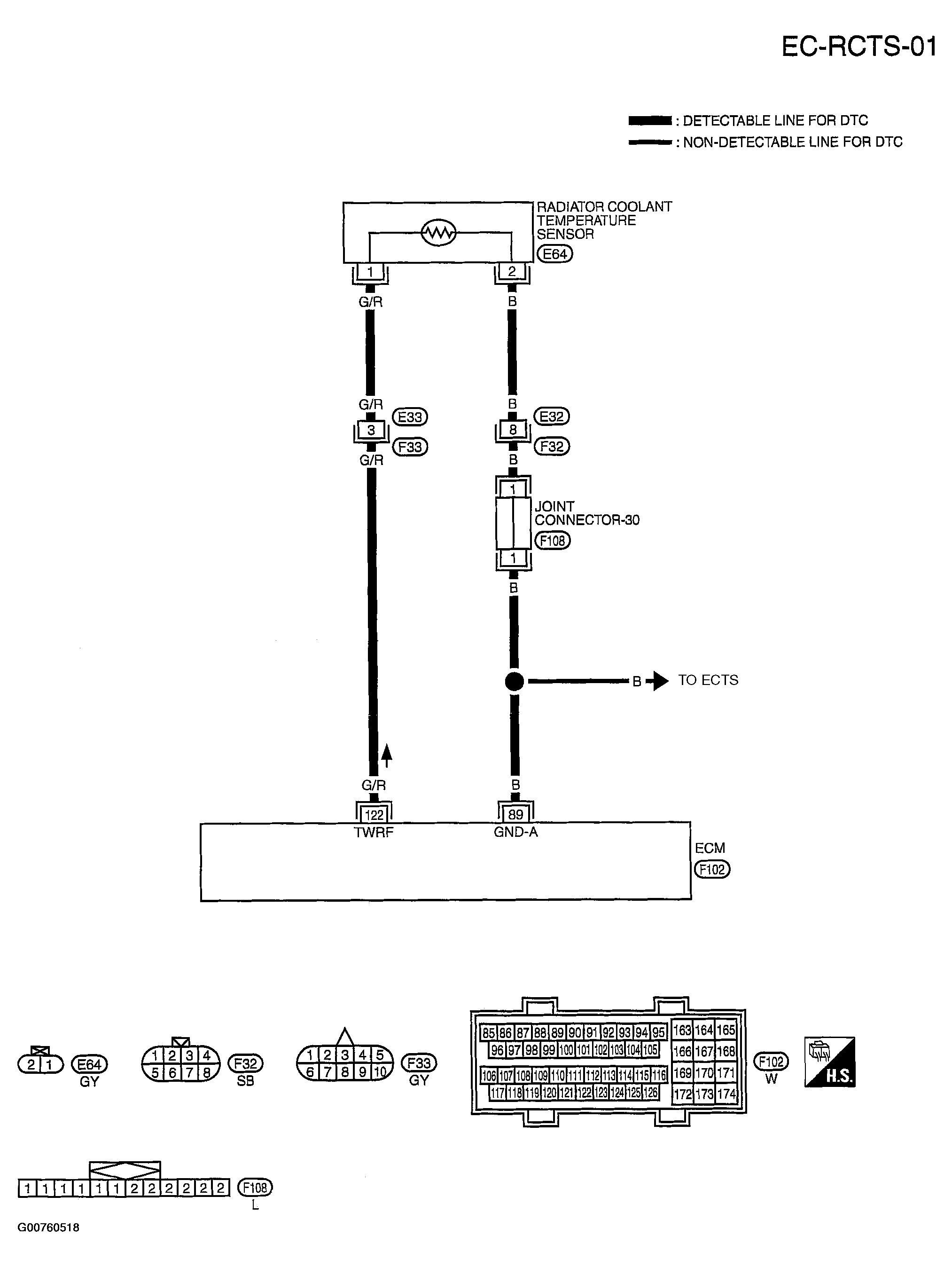
DTC P1119: Radiator Coolant Temperature Sensor: Wiring Diagram

Fig 1: Circuit Diagram - EC-RCTS-01
G00760518Courtesy of NISSAN MOTOR CO., U.S.A.