LEMON Manuals: Even more car manuals for everyone: 1960-2025
Home >> Infiniti >> 2004 >> Q45 >> Repair and Diagnosis >> Engine Performance >> Engine Control System >> DTC P1140, P1145: IVT Control Position Sensor >> Wiring Diagram >> Bank 1
April 5, 2026: LEMON Manuals is launched! Read the announcement.

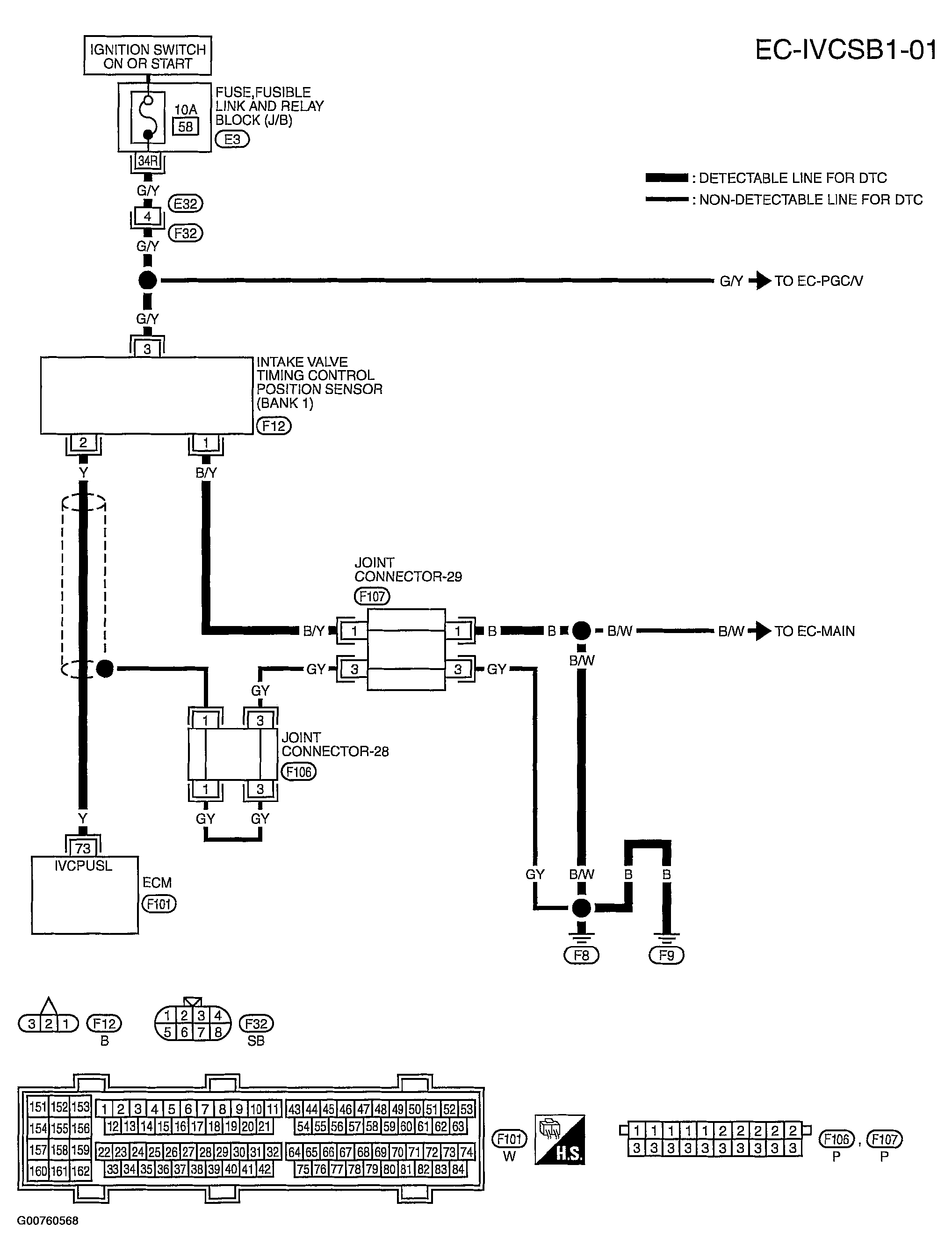
Bank 1

Fig 1: Bank 1 Circuit Diagram - EC-IVCSB1-01
G00760568Courtesy of NISSAN MOTOR CO., U.S.A.

Specification data are reference values and are measured between each terminal and ground.

Pulse signal is measured by CONSULT-II.

CAUTION: Do not use ECM ground terminals when measuring input/output voltage. Doing so may result in damage to the ECM's transistor. Use a ground other than ECM terminals, such as the ground.
Fig 2: Specification data & reference values
G00760569Courtesy of NISSAN MOTOR CO., U.S.A.