LEMON Manuals: Even more car manuals for everyone: 1960-2025
Home >> Infiniti >> 2004 >> Q45 >> Repair and Diagnosis >> Engine Performance >> Engine Control System >> Trouble Diagnosis >> Circuit Diagram
April 5, 2026: LEMON Manuals is launched! Read the announcement.

Circuit Diagram

Fig 1: Circuit Diagram (1 Of 2)
G00745053Courtesy of NISSAN MOTOR CO., U.S.A.
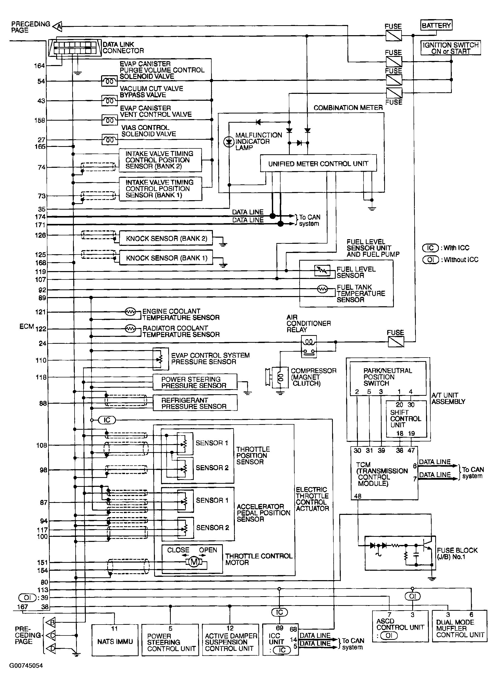
Fig 2: Circuit Diagram (2 Of 2)
G00745054Courtesy of NISSAN MOTOR CO., U.S.A.