LEMON Manuals: Even more car manuals for everyone: 1960-2025
Home >> Infiniti >> 2004 >> Q45 >> Repair and Diagnosis >> External Pages >> Different car >> Section 223 (Driver Information System) >> Vehicle Information And Integrated Switch System >> Self-Diagnosis Mode (Without Navigation System) >> AV Communication Line Circuit Diagram (Without Navigation System)
April 5, 2026: LEMON Manuals is launched! Read the announcement.

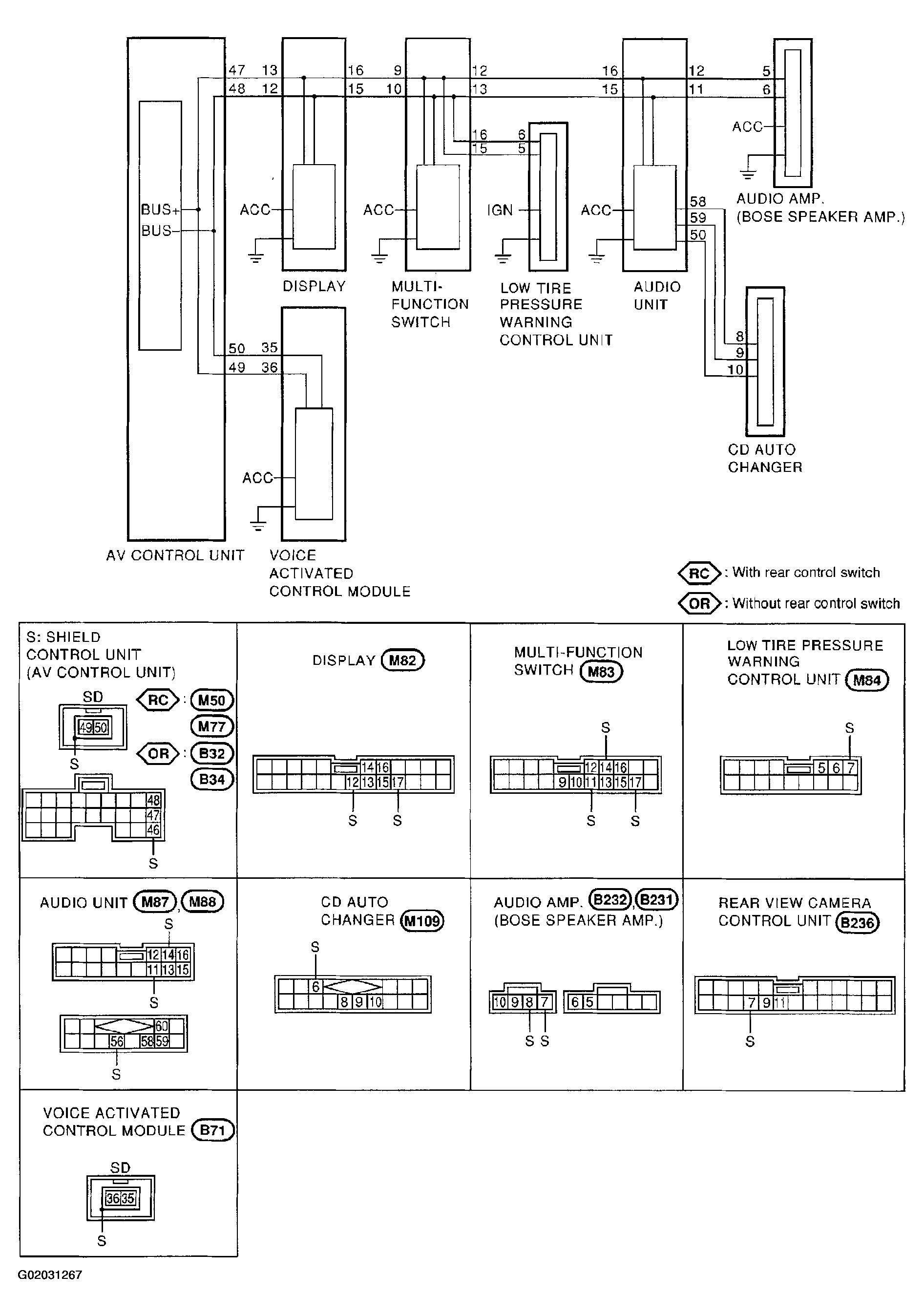
AV Communication Line Circuit Diagram (Without Navigation System)

WARNING: This page is about a different car, the 2002 Infiniti Q45. However, it is still accessible from the selected car via links, so may be relevant.
Fig 1: AV Communication Line Circuit Diagram (Without Navigation System)
G02031267Courtesy of NISSAN MOTOR CO., U.S.A.