LEMON Manuals: Even more car manuals for everyone: 1960-2025
Home >> Infiniti >> 2004 >> Q45 >> Repair and Diagnosis >> External Pages >> Different car >> Section 223 (Driver Information System) >> Voice Activated Control System >> Schematic
April 5, 2026: LEMON Manuals is launched! Read the announcement.

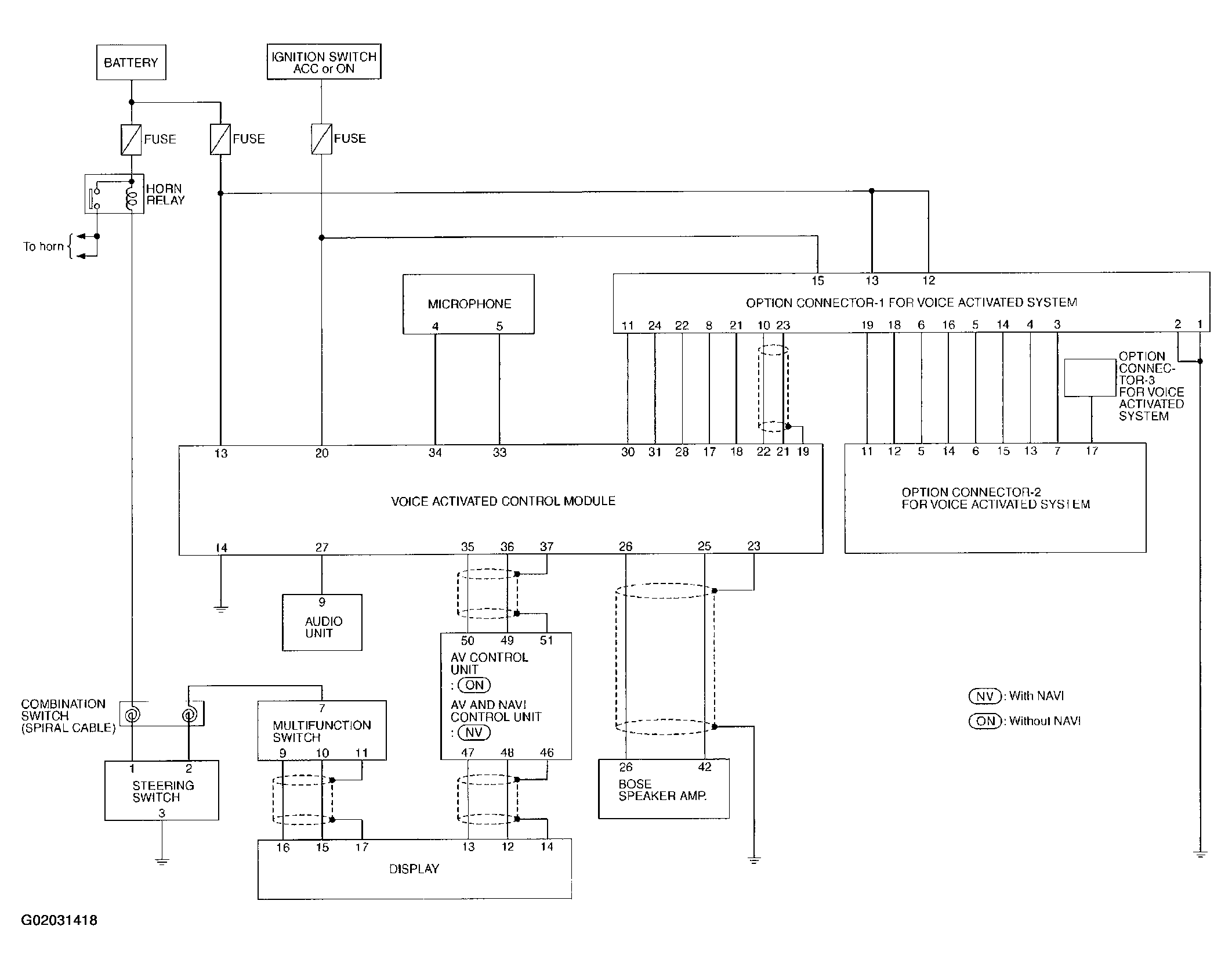
Voice Activated Control System: Schematic

WARNING: This page is about a different car, the 2002 Infiniti Q45. However, it is still accessible from the selected car via links, so may be relevant.
Fig 1: Schematic
G02031418Courtesy of NISSAN MOTOR CO., U.S.A.