LEMON Manuals: Even more car manuals for everyone: 1960-2025
Home >> Infiniti >> 2004 >> QX56 AWD >> Repair and Diagnosis (Single Page) >> Engine Performance >> Testing & Diagnosis >> Engine Control System >> Engine Control System >> Vacuum Hose Drawing
April 5, 2026: LEMON Manuals is launched! Read the announcement.

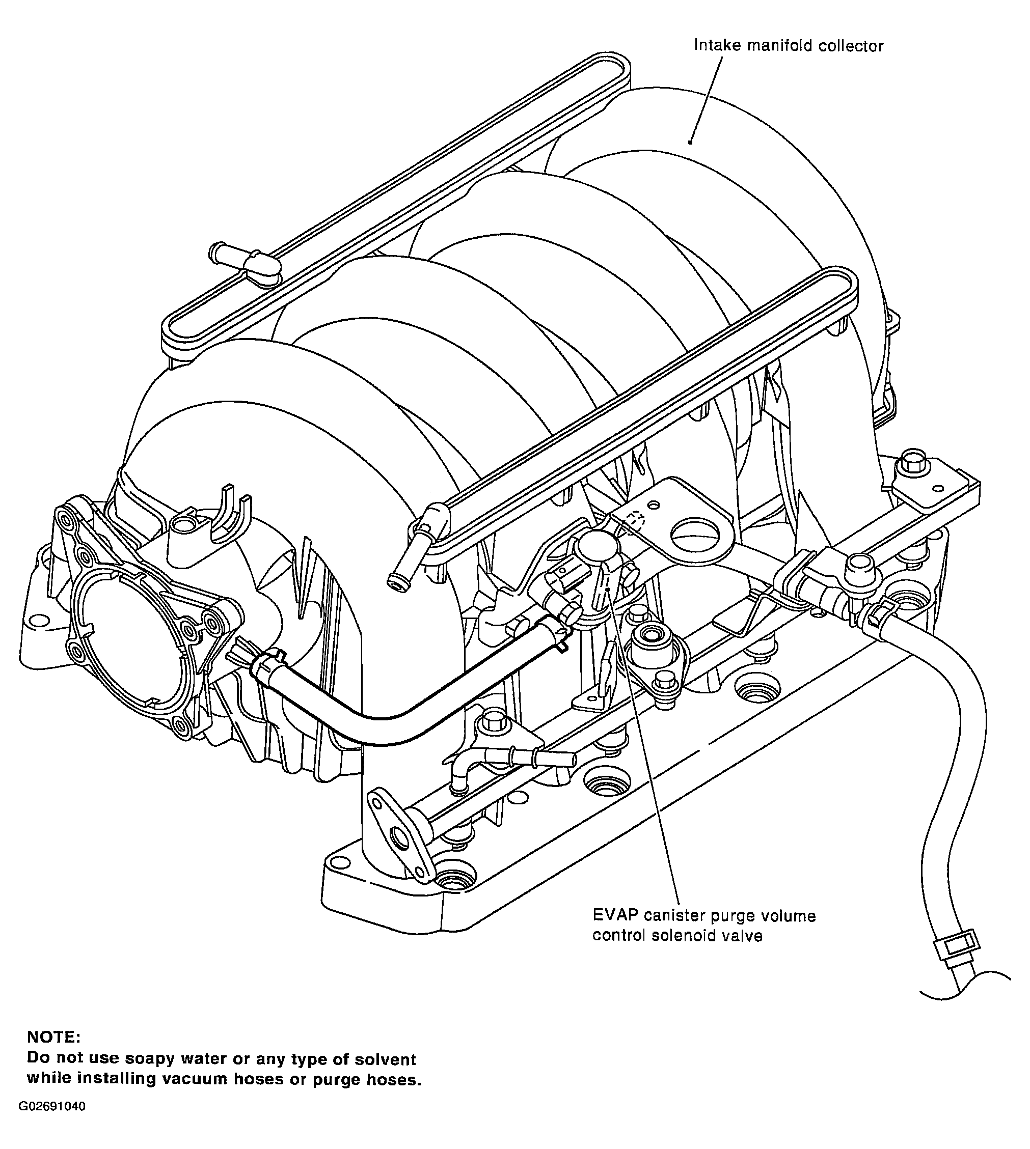
Vacuum Hose Drawing

Fig 1: Identifying Vacuum Hose Drawing
G02691040Courtesy of NISSAN MOTOR CO., U.S.A.
NOTE: Do not use soapy water or any type of solvent while installing vacuum hoses or purge hoses.

Refer to  SYSTEM DIAGRAM   for Vacuum Control System.