LEMON Manuals: Even more car manuals for everyone: 1960-2025
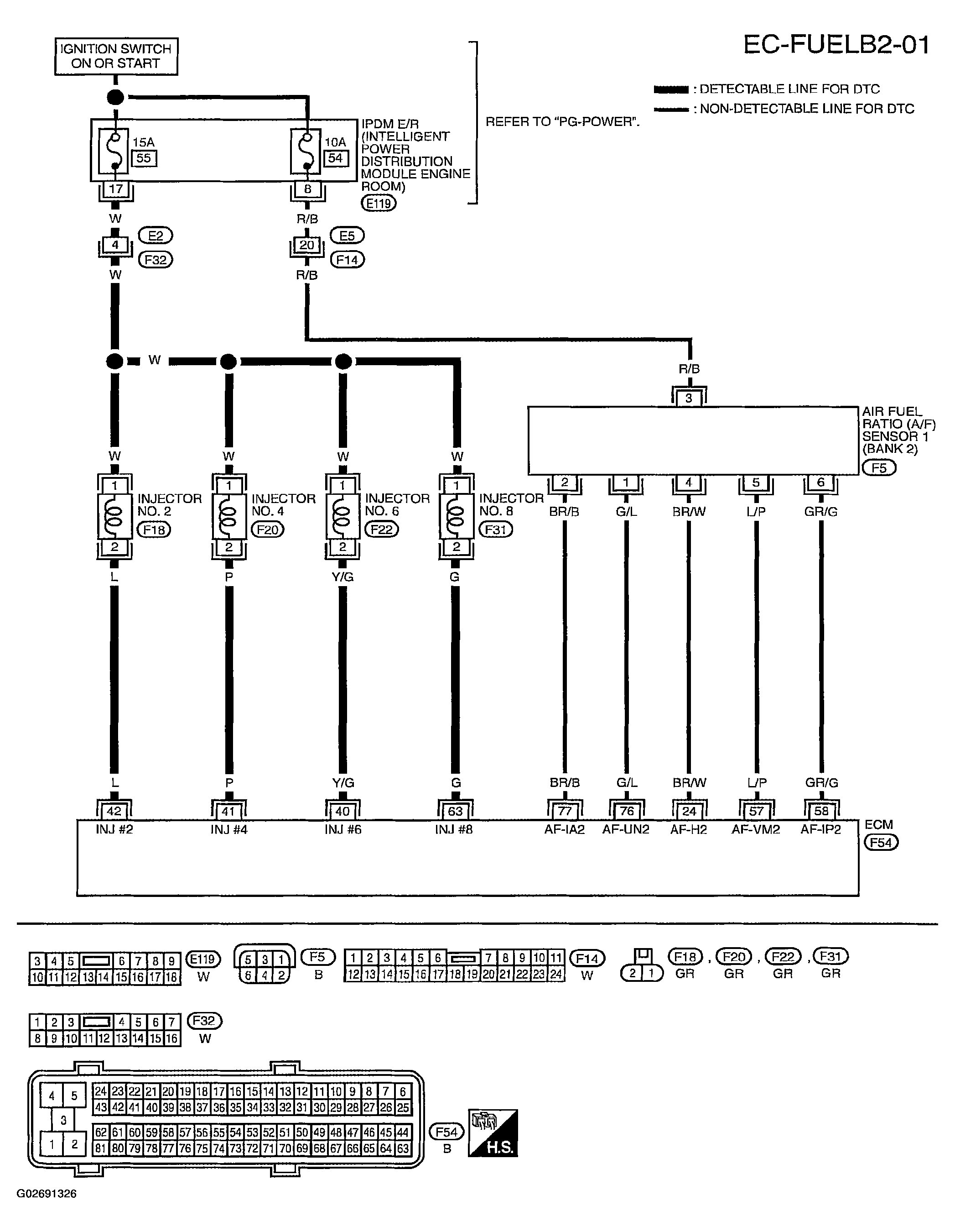
Home >> Infiniti >> 2004 >> QX56 AWD >> Repair and Diagnosis >> Engine Performance >> System >> Engine Control System >> DTC P0172, P0175: Fuel Injection System Function >> Wiring Diagram >> Bank 2
April 5, 2026: LEMON Manuals is launched! Read the announcement.

Bank 2

Fig 1: DTC P0172, P0175 Fuel Injection System Function - Wiring Diagram (Bank 2) - EC-FUELB2-01
G02691326Courtesy of NISSAN MOTOR CO., U.S.A.