LEMON Manuals: Even more car manuals for everyone: 1960-2025
Home >> Infiniti >> 2004 >> QX56 RWD >> Repair and Diagnosis >> Body & Frame >> Door Locks >> Remote Keyless Entry System >> Remote Keyless Entry System >> Schematic
April 5, 2026: LEMON Manuals is launched! Read the announcement.

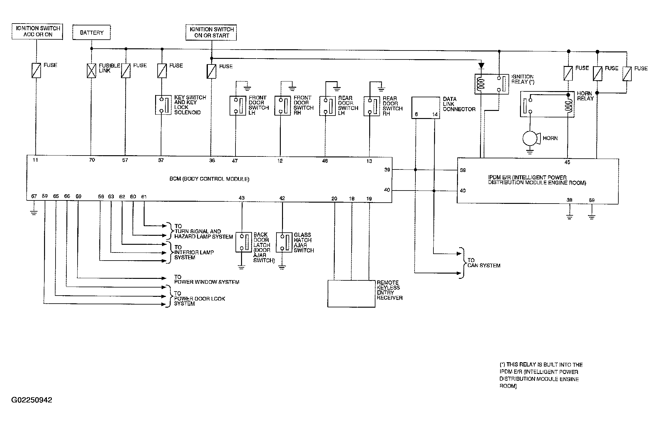
Remote Keyless Entry System: Schematic

Fig 1: Remote Keyless Entry System Circuit Diagram
G02250942Courtesy of NISSAN MOTOR CO., U.S.A.