LEMON Manuals: Even more car manuals for everyone: 1960-2025
Home >> Infiniti >> 2004 >> QX56 RWD >> Repair and Diagnosis >> Engine Performance >> System >> Engine Control System >> DTC P0122, P0123: TP Sensor >> Wiring Diagram
April 5, 2026: LEMON Manuals is launched! Read the announcement.

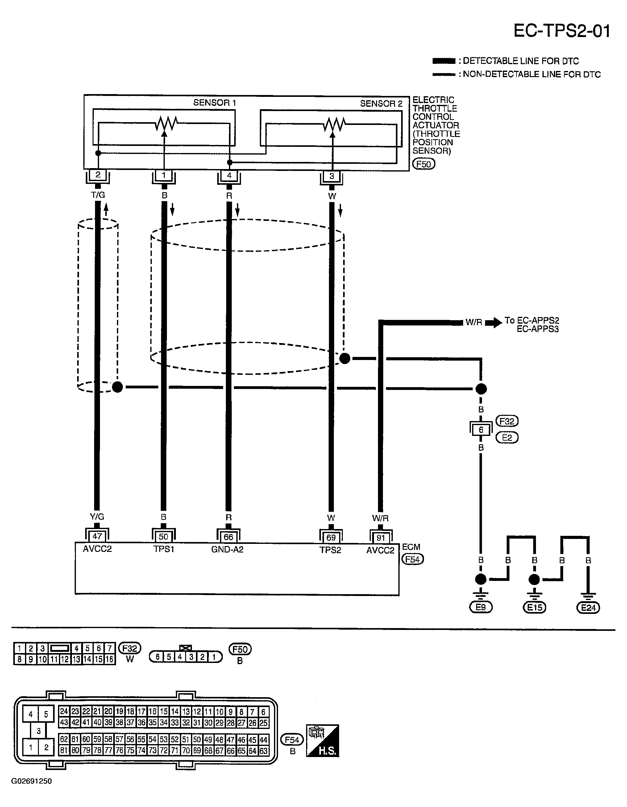
DTC P0122, P0123: TP Sensor: Wiring Diagram

Fig 1: DTC P0122, P0123 TP Sensor - Wiring Diagram - EC-TPS2-01
G02691250Courtesy of NISSAN MOTOR CO., U.S.A.

Specification data are reference values and are measured between each terminal and ground.

CAUTION: Do not use ECM ground terminals when measuring input/output voltage. Doing so may result in damage to the ECM's transistor. Use a ground other than ECM terminals, such as the ground.
Fig 2: DTC P0122, P0123 TP Sensor - Specification Data
G02691251Courtesy of NISSAN MOTOR CO., U.S.A.