LEMON Manuals: Even more car manuals for everyone: 1960-2025
Home >> Infiniti >> 2004 >> QX56 RWD >> Repair and Diagnosis >> Engine Performance >> System >> Engine Control System >> DTC P1124, P1126: Throttle Control Motor Relay >> Wiring Diagram
April 5, 2026: LEMON Manuals is launched! Read the announcement.

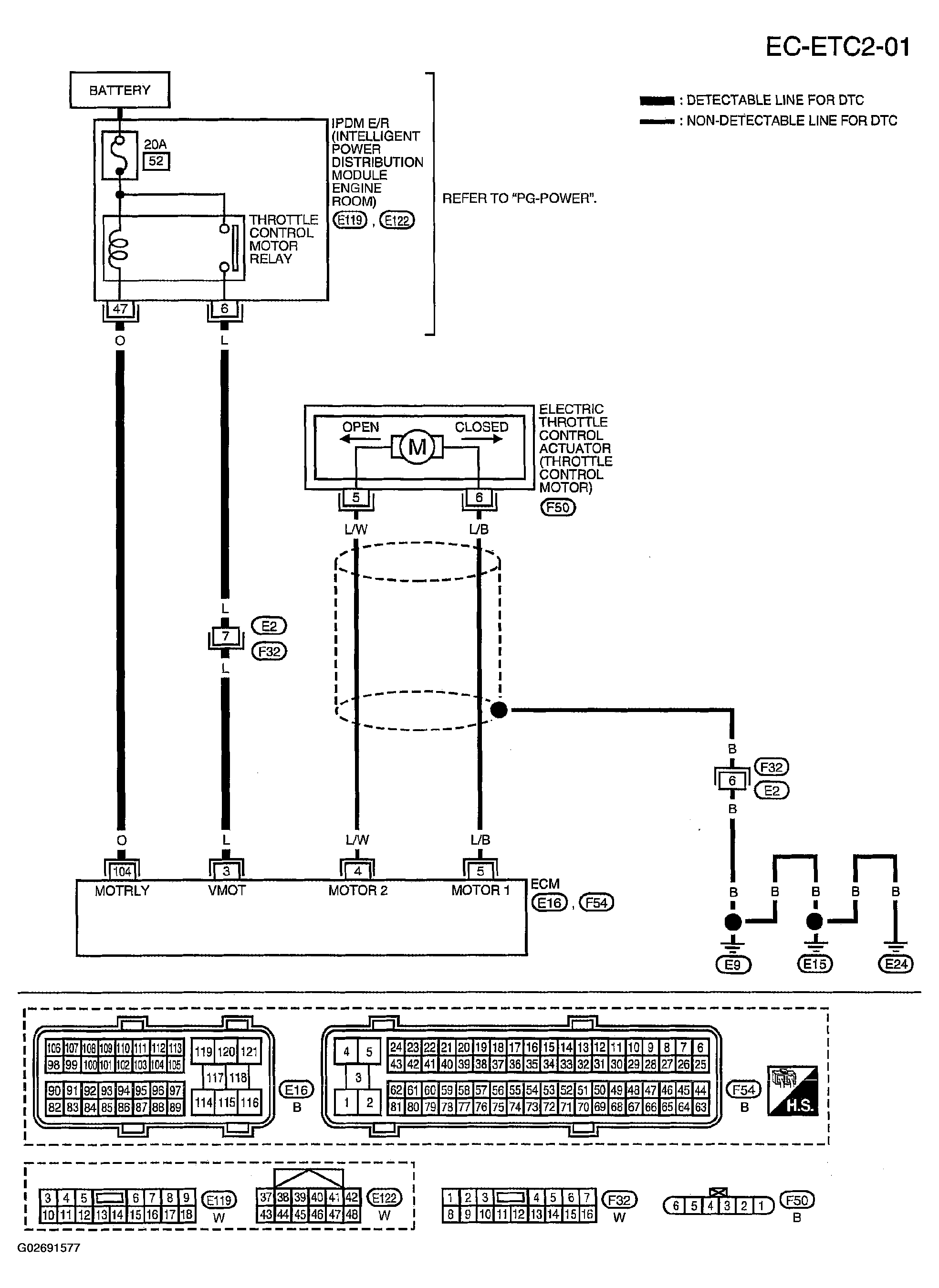
DTC P1124, P1126: Throttle Control Motor Relay: Wiring Diagram

Fig 1: DTC P1124, P1126 Throttle Control Motor Relay - Wiring Diagram - EC-ETC2-01
G02691577Courtesy of NISSAN MOTOR CO., U.S.A.

Specification data are reference values and are measured between each terminal and ground.

CAUTION: Do not use ECM ground terminals when measuring input/output voltage. Doing so may result in damage to the ECM's transistor. Use a ground other than ECM terminals, such as the ground.
Fig 2: DTC P1124, P1126 Terminal, Specification Data & Reference Values
G02691578Courtesy of NISSAN MOTOR CO., U.S.A.