LEMON Manuals: Even more car manuals for everyone: 1960-2025
Home >> Infiniti >> 2004 >> QX56 RWD >> Repair and Diagnosis >> Engine Performance >> System >> Engine Control System >> DTC P1217: Engine Over Temperature >> Wiring Diagram
April 5, 2026: LEMON Manuals is launched! Read the announcement.

DTC P1217: Engine Over Temperature: Wiring Diagram

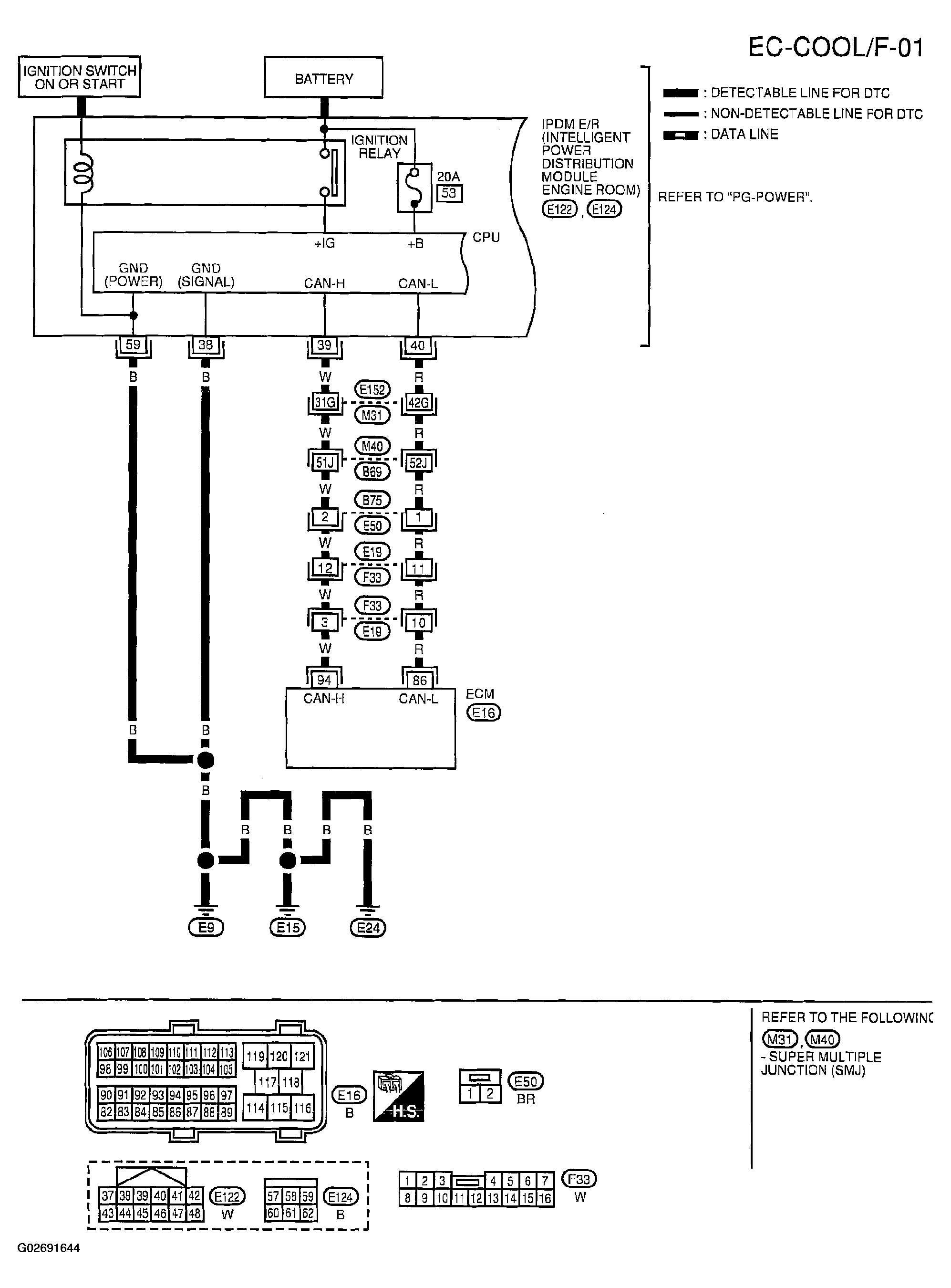
Fig 1: DTC P1217 Engine Over Temperature - Wiring Diagram (1 Of 2) - EC-COOL/F-01
G02691644Courtesy of NISSAN MOTOR CO., U.S.A.
Fig 2: DTC P1217 Engine Over Temperature - Wiring Diagram (1 Of 2) - EC-COOL/F-02
G02691645Courtesy of NISSAN MOTOR CO., U.S.A.