LEMON Manuals: Even more car manuals for everyone: 1960-2025
Home >> Infiniti >> 2004 >> QX56 RWD >> Repair and Diagnosis >> Engine Performance >> System >> Engine Control System >> Ignition Signal >> Wiring Diagram
April 5, 2026: LEMON Manuals is launched! Read the announcement.

Ignition Signal: Wiring Diagram

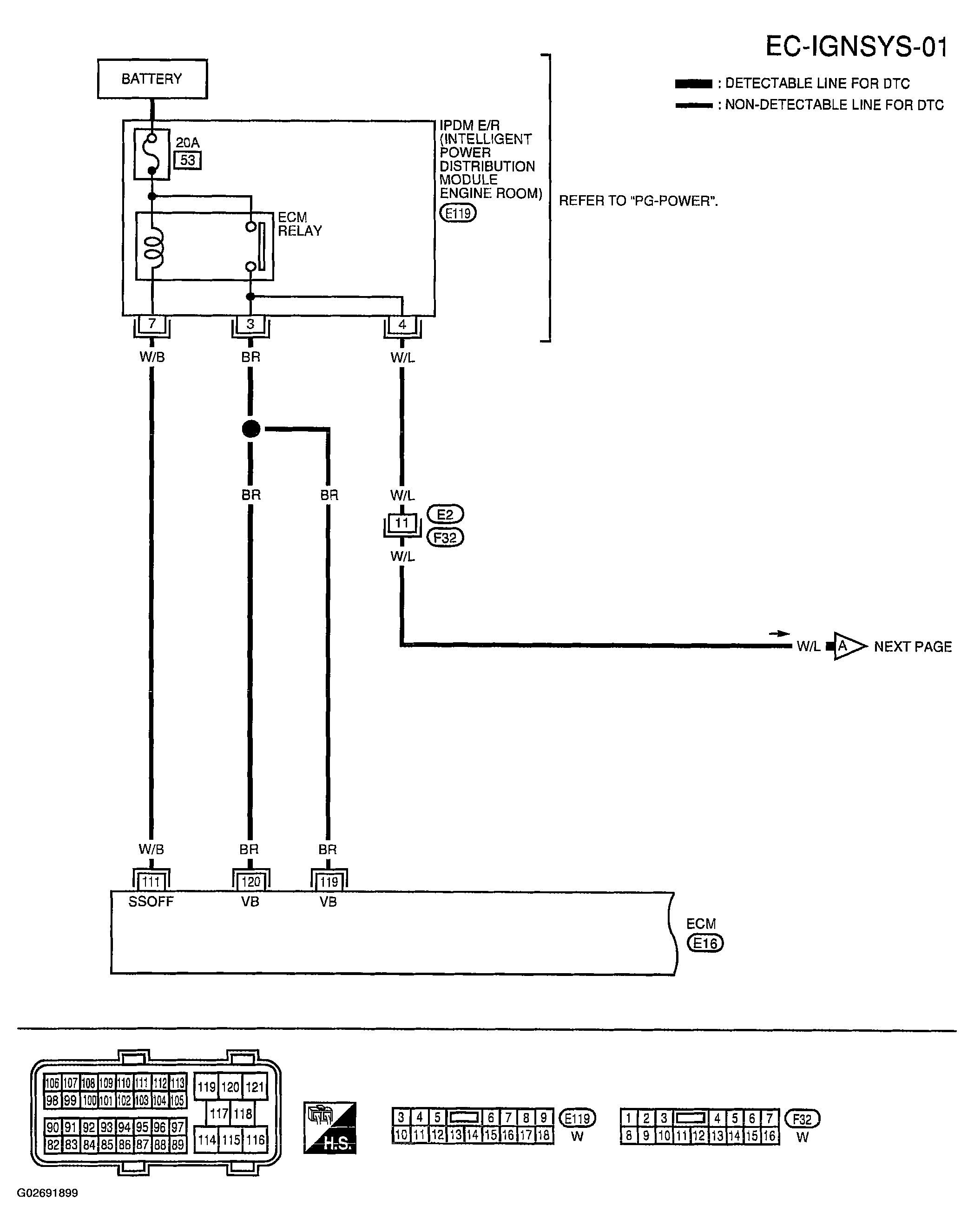
Fig 1: Ignition Signal Wiring Diagram - EC-INGSYS-01
G02691899Courtesy of NISSAN MOTOR CO., U.S.A.

Specification data are reference values and are measured between each terminal and ground.

CAUTION: Do not use ECM ground terminals when measuring input/output voltage. Doing so may result in damage to the ECM's transistor. Use a ground other than ECM terminals, such as the ground.
Fig 2: Terminal Condition Voltage Table
G02691900Courtesy of NISSAN MOTOR CO., U.S.A.
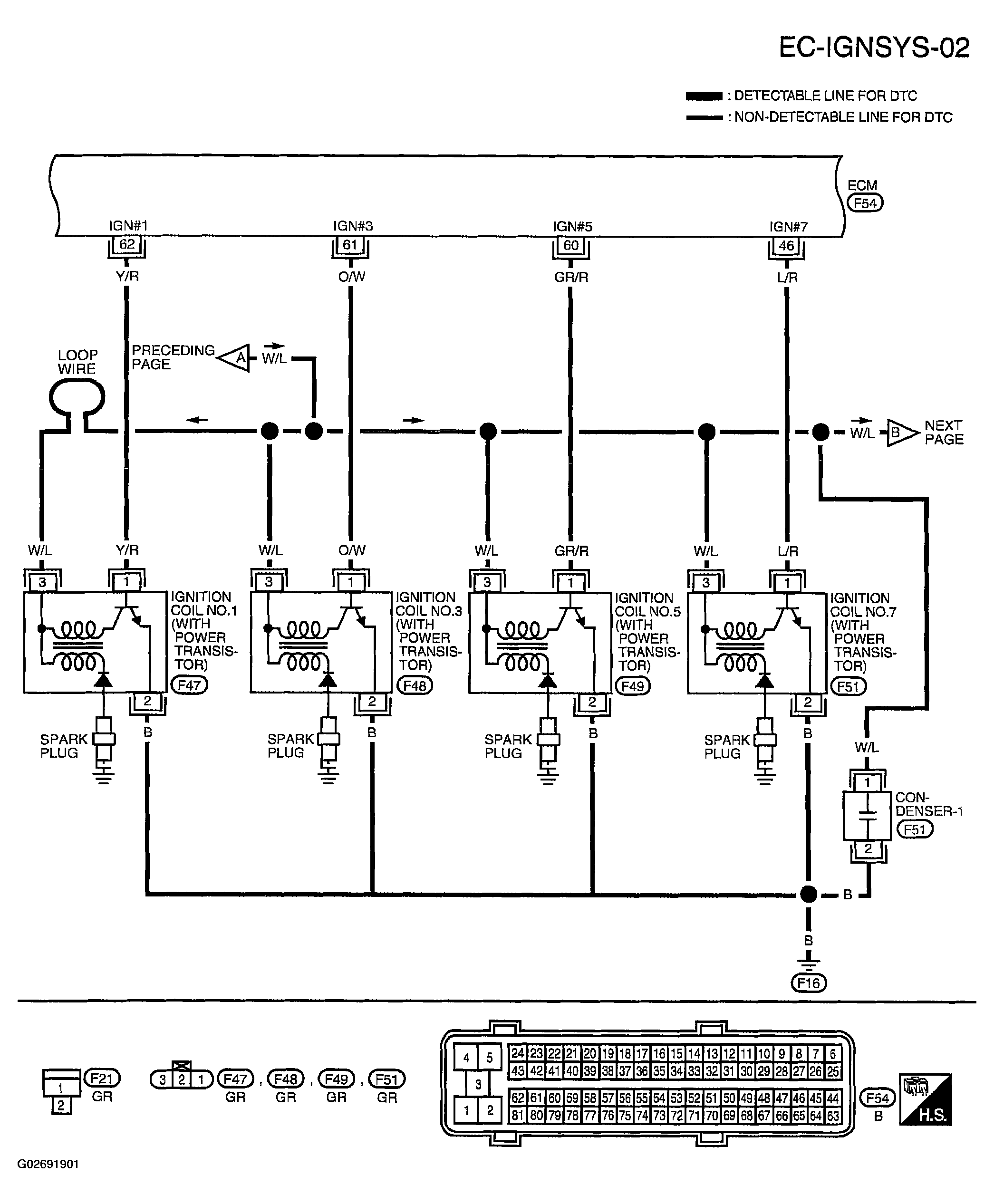
Fig 3: Ignition Signal Wiring Diagram (1 Of 2) - EC-IGNSYS-02
G02691901Courtesy of NISSAN MOTOR CO., U.S.A.
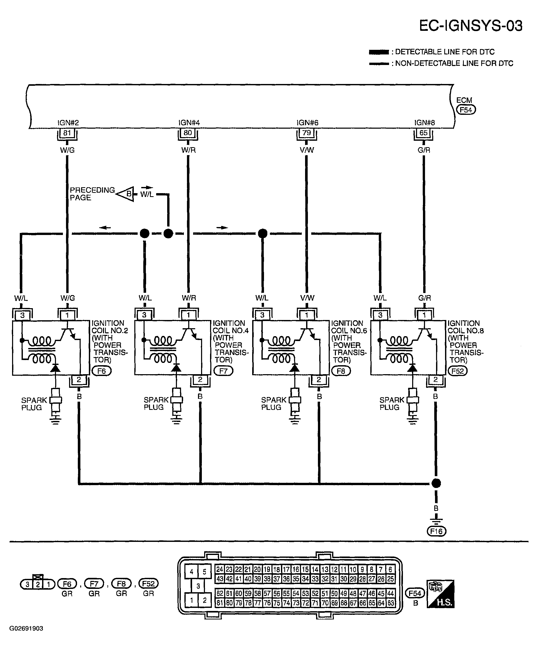
Fig 4: Ignition Signal Wiring Diagram (2 Of 2) - EC-IGNSYS-03
G02691903Courtesy of NISSAN MOTOR CO., U.S.A.

Specification data are reference values and are measured between each terminal and ground. Pulse signal is measured by CONSULT-II.

CAUTION: Do not use ECM ground terminals when measuring input/output voltage. Doing so may result in damage to the ECM's transistor. Use a ground other than ECM terminals, such as the ground.
Fig 5: Terminal Condition And Voltage Table (1 Of 2)
G02691902Courtesy of NISSAN MOTOR CO., U.S.A.
Fig 6: Terminal Condition And Voltage Table (2 Of 2)
G02691904Courtesy of NISSAN MOTOR CO., U.S.A.

Specification data are reference values and are measured between each terminal and ground. Pulse signal is measured by CONSULT-II.

CAUTION: Do not use ECM ground terminals when measuring input/output voltage. Doing so may result in damage to the ECM's transistor. Use a ground other than ECM terminals, such as the ground.