LEMON Manuals: Even more car manuals for everyone: 1960-2025
Home >> Infiniti >> 2004 >> QX56 RWD >> Repair and Diagnosis >> Engine Performance >> System >> Engine Control System >> Trouble Diagnosis >> Circuit Diagram
April 5, 2026: LEMON Manuals is launched! Read the announcement.

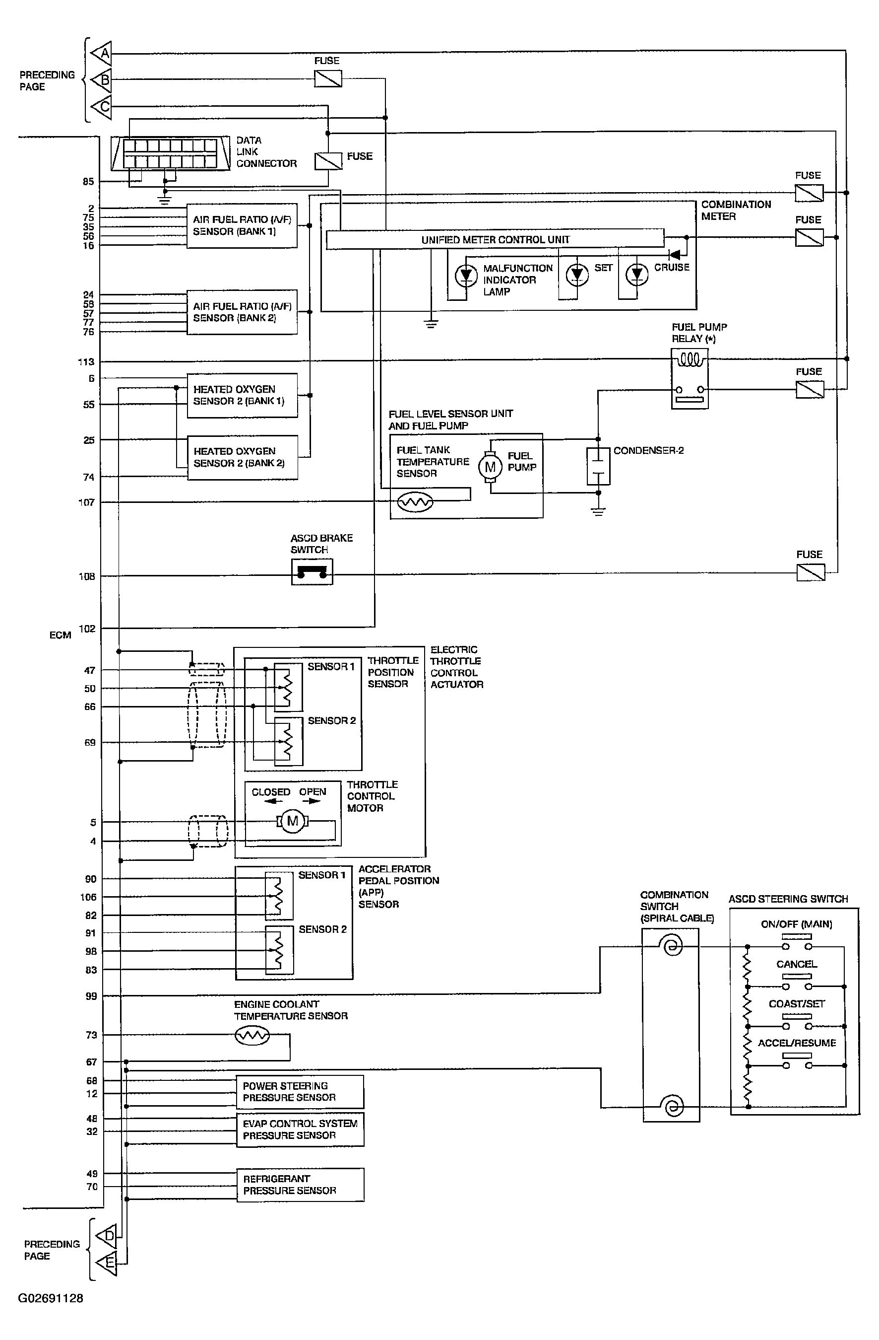
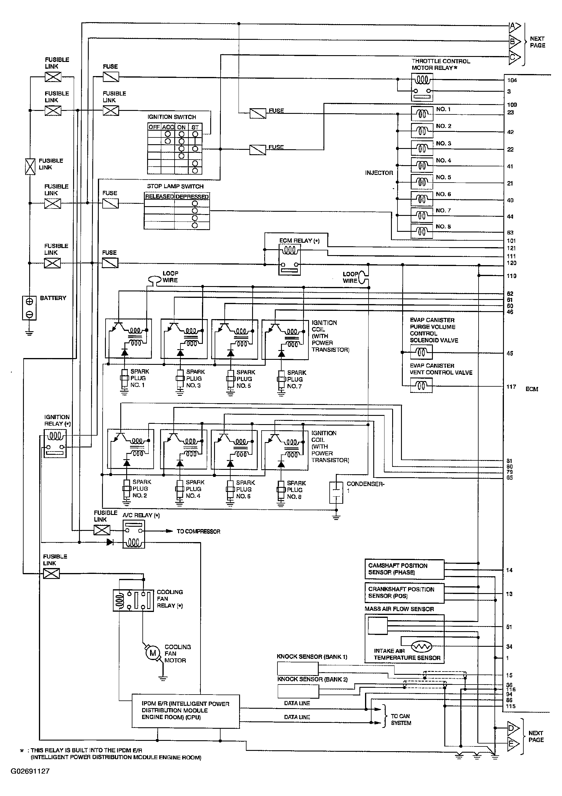
Circuit Diagram

Fig 1: Circuit Diagram - Engine Control (1 Of 2)
G02691127Courtesy of NISSAN MOTOR CO., U.S.A.
Fig 2: Circuit Diagram - Engine Control (2 Of 2)
G02691128Courtesy of NISSAN MOTOR CO., U.S.A.