LEMON Manuals: Even more car manuals for everyone: 1960-2025
Home >> Infiniti >> 2006 >> FX45 >> Repair and Diagnosis >> Accessories & Equipment >> Communication Devices >> Body Control System >> BCM (Body Control Module) >> Schematic
April 5, 2026: LEMON Manuals is launched! Read the announcement.

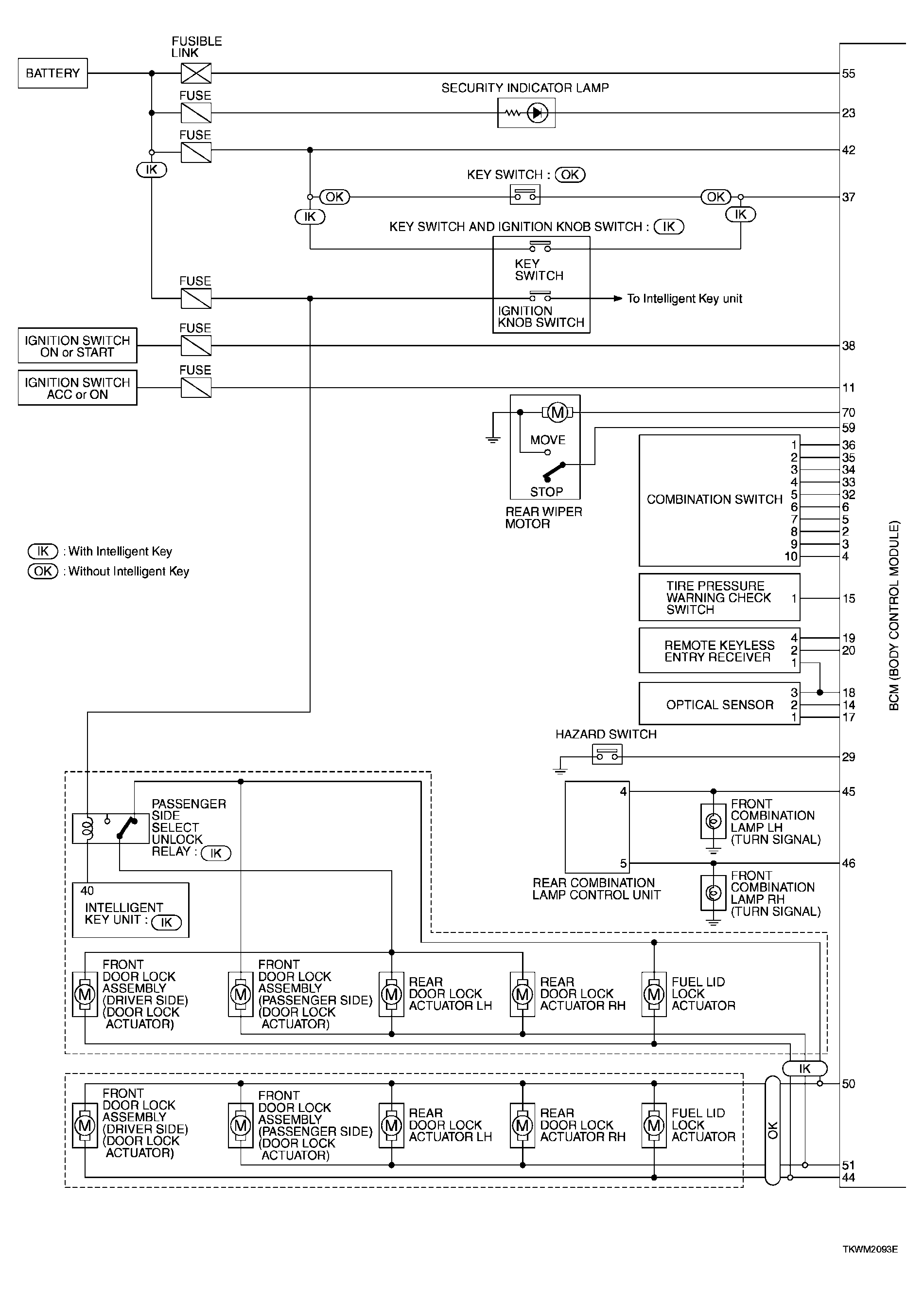
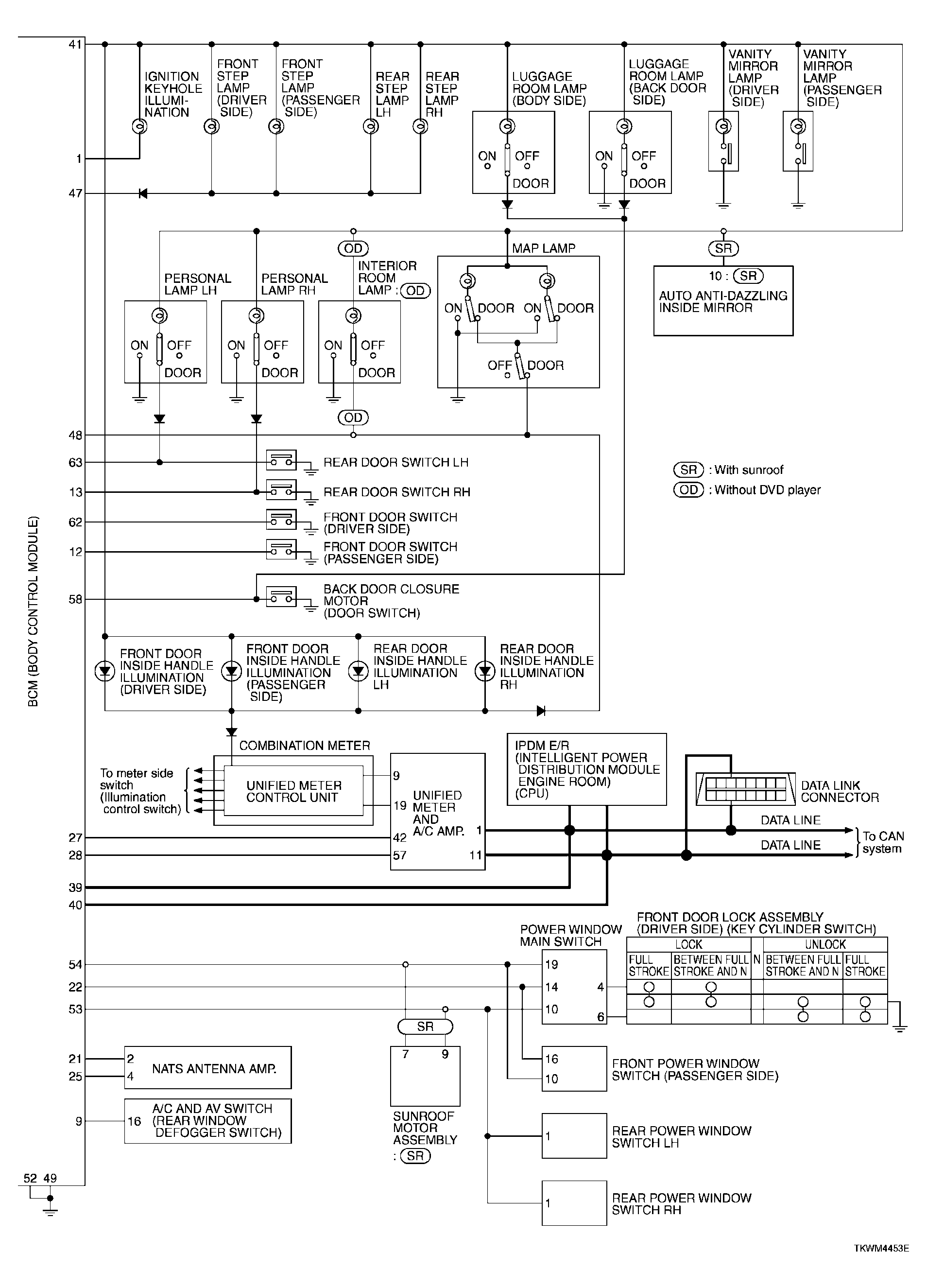
BCM (Body Control Module): Schematic

Fig 1: Identifying CAN Communication Schematic Chart (1 Of 2)
G04078766Courtesy of NISSAN MOTOR CO., U.S.A.
Fig 2: Identifying CAN Communication Schematic Chart (2 Of 2)
G04078767Courtesy of NISSAN MOTOR CO., U.S.A.