LEMON Manuals: Even more car manuals for everyone: 1960-2025
Home >> Infiniti >> 2006 >> FX45 >> Repair and Diagnosis >> Transmission >> Automatic Transmission >> A/T Control System >> Shift Mechanism >> Construction
April 5, 2026: LEMON Manuals is launched! Read the announcement.

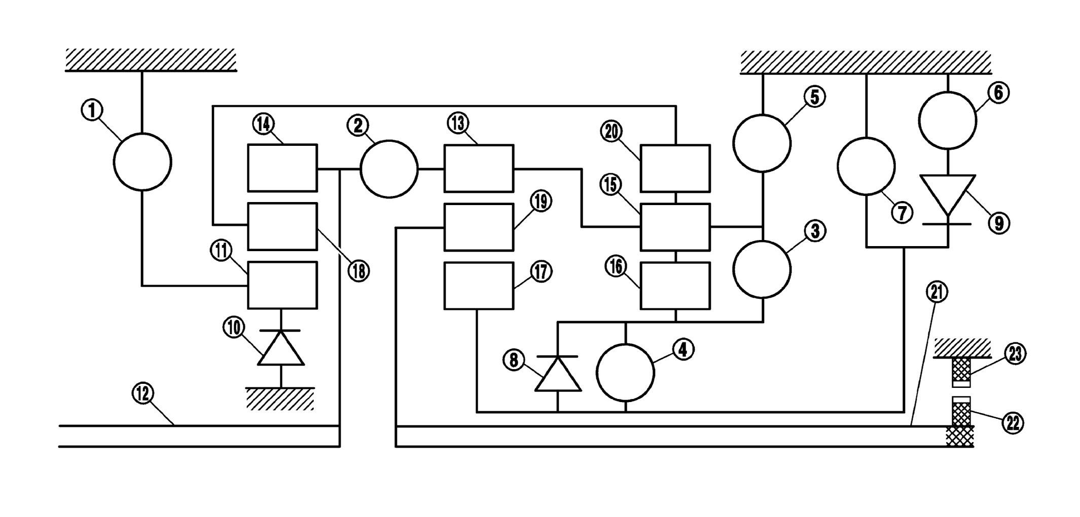
Shift Mechanism: Construction

Fig 1: Construction Diagram Of Shift Mechanism
G04075404Courtesy of NISSAN MOTOR CO., U.S.A.