LEMON Manuals: Even more car manuals for everyone: 1960-2025
Home >> Infiniti >> 2006 >> FX45 >> Repair and Diagnosis >> Transmission >> Automatic Transmission >> Overhaul >> Components
April 5, 2026: LEMON Manuals is launched! Read the announcement.

Automatic Transmission: Overhaul: Components

For GI, go to GENERAL INFORMATION .

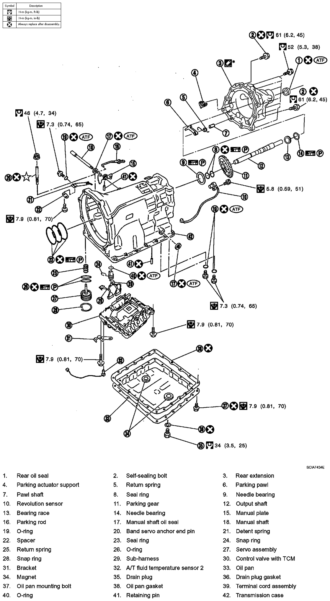
Fig 1: Overhaul Replacement Components With Torque Specifications -- VQ35DE Model
G04075752Courtesy of NISSAN MOTOR CO., U.S.A.
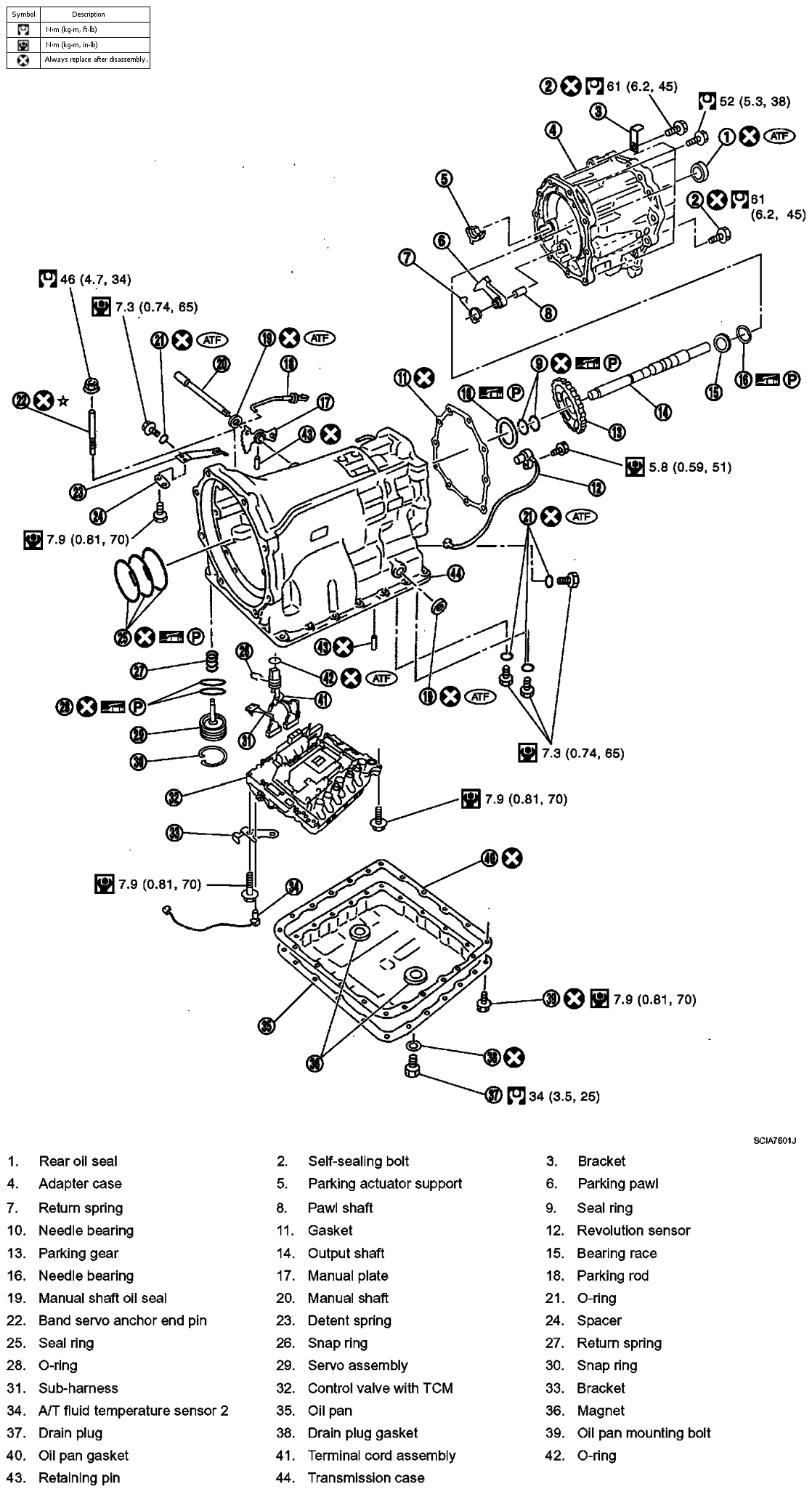
Fig 2: Overhaul Replacement Components With Torque Specifications -- VK45DE Model
G04075753Courtesy of NISSAN MOTOR CO., U.S.A.

Refer to GI section to make sure icons (symbol marks) in the figure. Refer to "COMPONENTS ".

However, refer to the following symbols for others.

: Apply Genuine RTV silicone sealant or equivalent. Refer to "RECOMMENDED CHEMICAL PRODUCTS AND SEALANTS ".

Fig 3: Overhaul Replacement Components With Torque Specifications -- VQ35DE Model
G04075754Courtesy of NISSAN MOTOR CO., U.S.A.
Fig 4: Identifying Overhaul Components - VK45DE Model
G04075755Courtesy of NISSAN MOTOR CO., U.S.A.

Refer to GI section to make sure icons (symbol marks) in the figure. Refer to "COMPONENTS ".

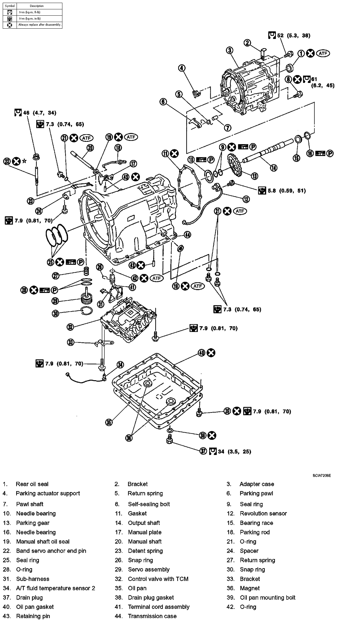
Fig 5: Overhaul Replacement Components With Torque Specifications -- 2WD Model
G04075756Courtesy of NISSAN MOTOR CO., U.S.A.

Refer to GI section to make sure icons (symbol marks) in the figure. Refer to "COMPONENTS ".

However, refer to the following symbol for others.

* : Apply Genuine Anaerobic Liquid Gasket or equivalent. Refer to "RECOMMENDED CHEMICAL PRODUCTS AND SEALANTS ".

Fig 6: Overhaul Replacement Components With Torque Specifications -- VQ35DE Model AWD
G04075757Courtesy of NISSAN MOTOR CO., U.S.A.

Refer to GI section to make sure icons (symbol marks) in the figure. Refer to "COMPONENTS ".

Fig 7: Overhaul Replacement Components With Torque Specifications -- VK45DE Model 4AWD
G04075758Courtesy of NISSAN MOTOR CO., U.S.A.

Refer to GI section to make sure icons (symbol marks) in the figure. Refer to "COMPONENTS ".