LEMON Manuals: Even more car manuals for everyone: 1960-2025
Home >> Infiniti >> 2006 >> G35 x >> Repair and Diagnosis >> Engine Performance >> System >> Engine Control System - Component Testing (Sedan) >> Snow Mode Switch >> Wiring Diagram
April 5, 2026: LEMON Manuals is launched! Read the announcement.

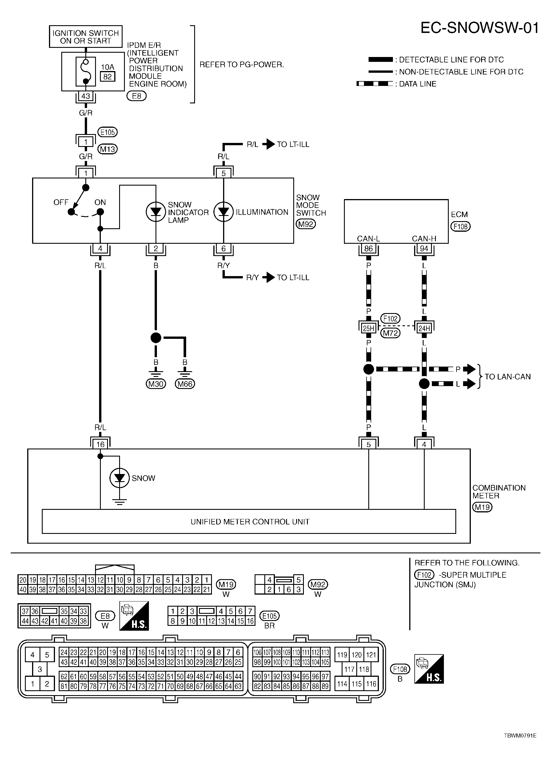
Snow Mode Switch: Wiring Diagram

For PG, go to SYSTEM WIRING DIAGRAMS .

Fig 1: EC-SNOW/SW-01 - Wiring Diagram
G04120340Courtesy of NISSAN MOTOR CO., U.S.A.