LEMON Manuals: Even more car manuals for everyone: 1960-2025
Home >> Infiniti >> 2006 >> G35 x >> Repair and Diagnosis >> Engine Performance >> System >> Engine Control System - Introduction (Sedan) >> Trouble Diagnosis >> Circuit Diagram >> 2WD Models
April 5, 2026: LEMON Manuals is launched! Read the announcement.

2WD Models

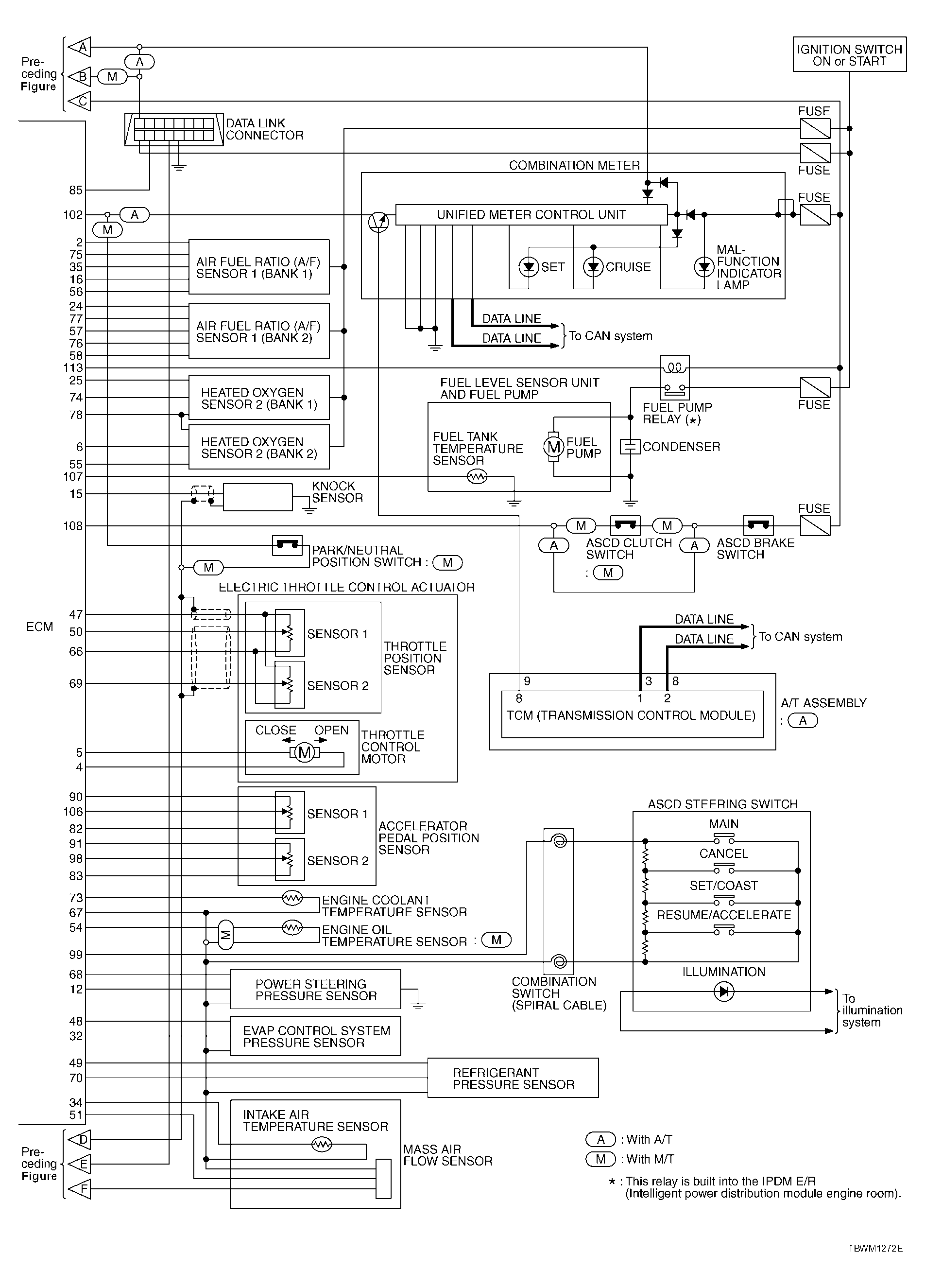
Fig 1: Engine Control System Circuit Diagram - 2WD Models (1 Of 2)
G04119592Courtesy of NISSAN MOTOR CO., U.S.A.
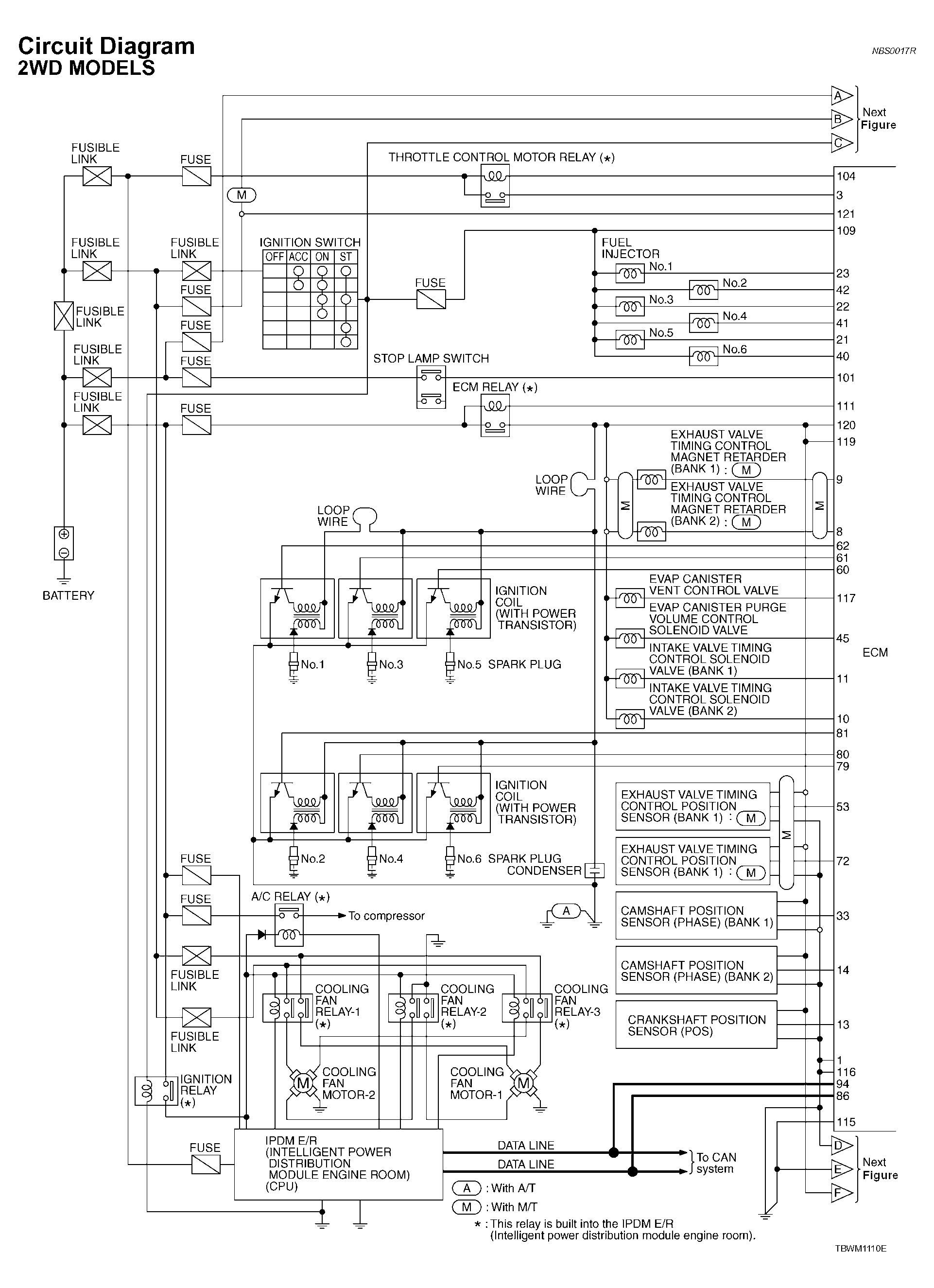
Fig 2: Engine Control System Circuit Diagram - 2WD Models (2 Of 2)
G04119593Courtesy of NISSAN MOTOR CO., U.S.A.