LEMON Manuals: Even more car manuals for everyone: 1960-2025
Home >> Infiniti >> 2006 >> G35 x >> Repair and Diagnosis >> Engine Performance >> System >> Engine Control System - Introduction (Sedan) >> Trouble Diagnosis >> Circuit Diagram >> AWD Models
April 5, 2026: LEMON Manuals is launched! Read the announcement.

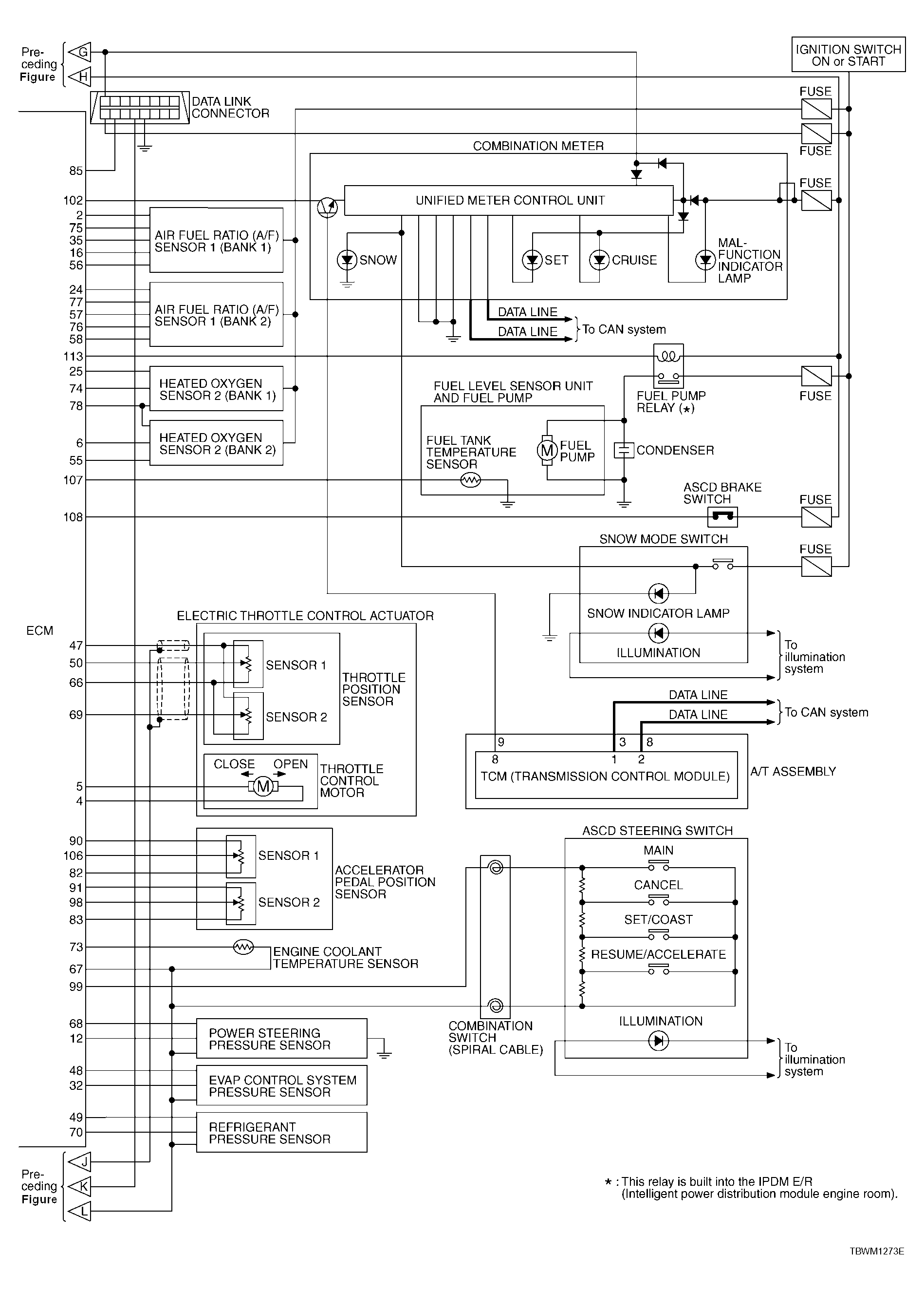
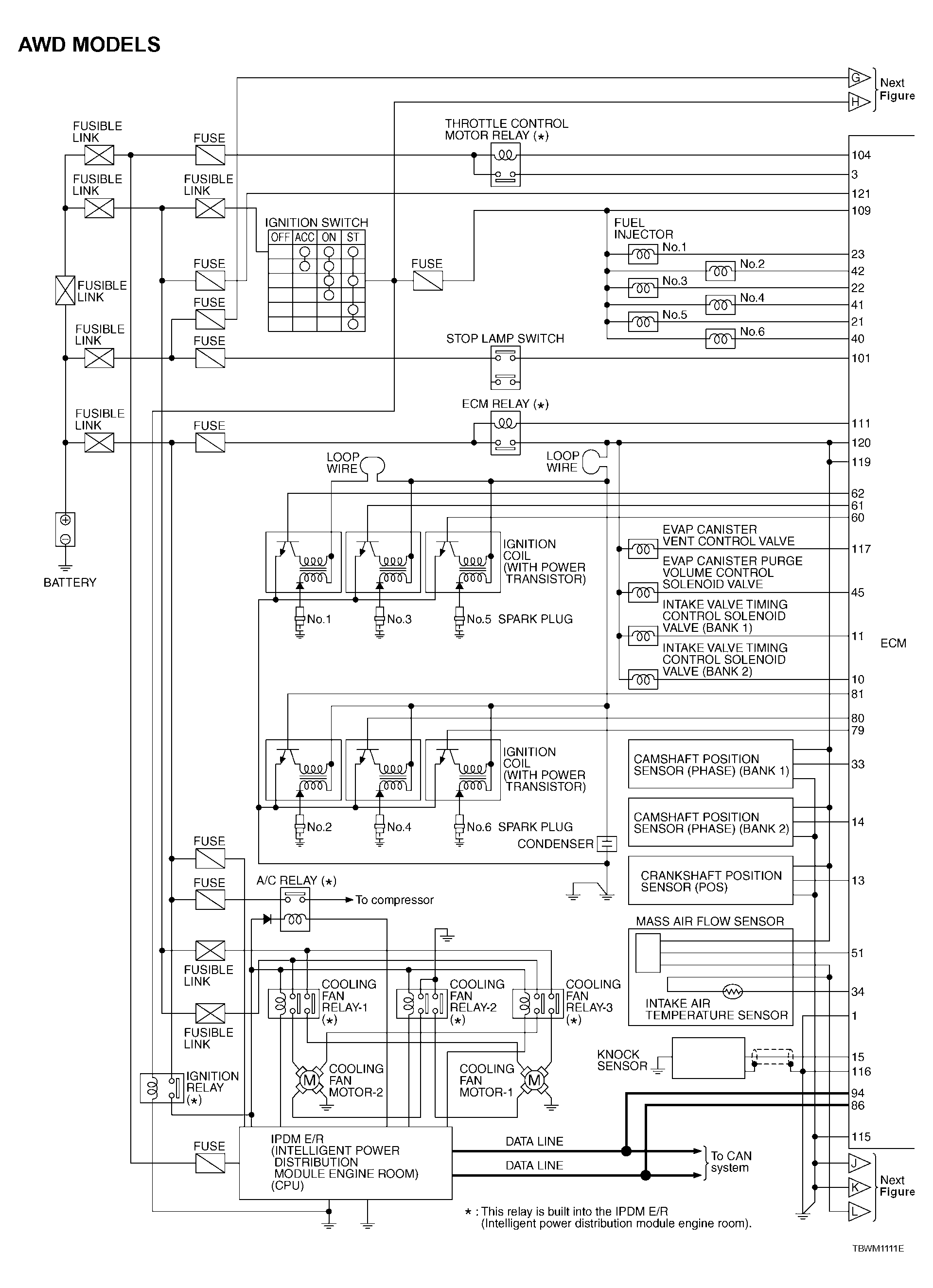
AWD Models

Fig 1: Engine Control System Circuit Diagram - AWD Models (1 Of 2)
G04119594Courtesy of NISSAN MOTOR CO., U.S.A.
Fig 2: Engine Control System Circuit Diagram - AWD Models (2 Of 2)
G04119595Courtesy of NISSAN MOTOR CO., U.S.A.