LEMON Manuals: Even more car manuals for everyone: 1960-2025
Home >> Infiniti >> 2006 >> M35 Base >> Repair and Diagnosis (Single Page) >> Body & Frame >> Door Locks >> Body, Lock & Security System >> Intelligent Key System/Engine Start Function >> Wiring Diagram -ENG/ST-
April 5, 2026: LEMON Manuals is launched! Read the announcement.

Wiring Diagram -ENG/ST-

For PG references, see POWER SUPPLY, GROUND & CIRCUIT ELEMENTS .

Fig 1: Wiring Diagram - BL-ENG/ST-01
G04145293Courtesy of NISSAN MOTOR CO., U.S.A.
Fig 2: Wiring Diagram - BL-ENG/ST-02
G04145294Courtesy of NISSAN MOTOR CO., U.S.A.
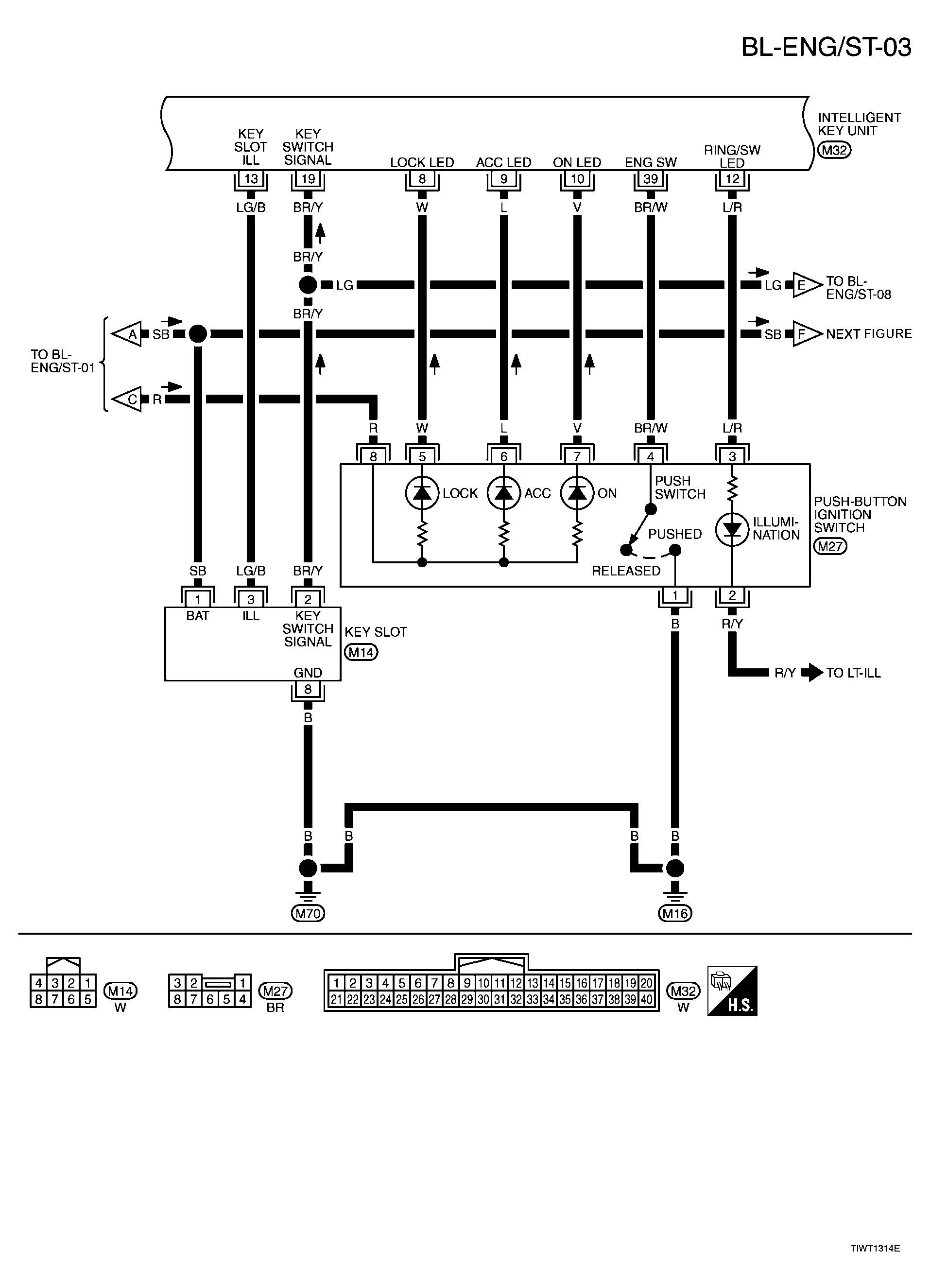
Fig 3: Wiring Diagram - BL-ENG/ST-03
G04145295Courtesy of NISSAN MOTOR CO., U.S.A.
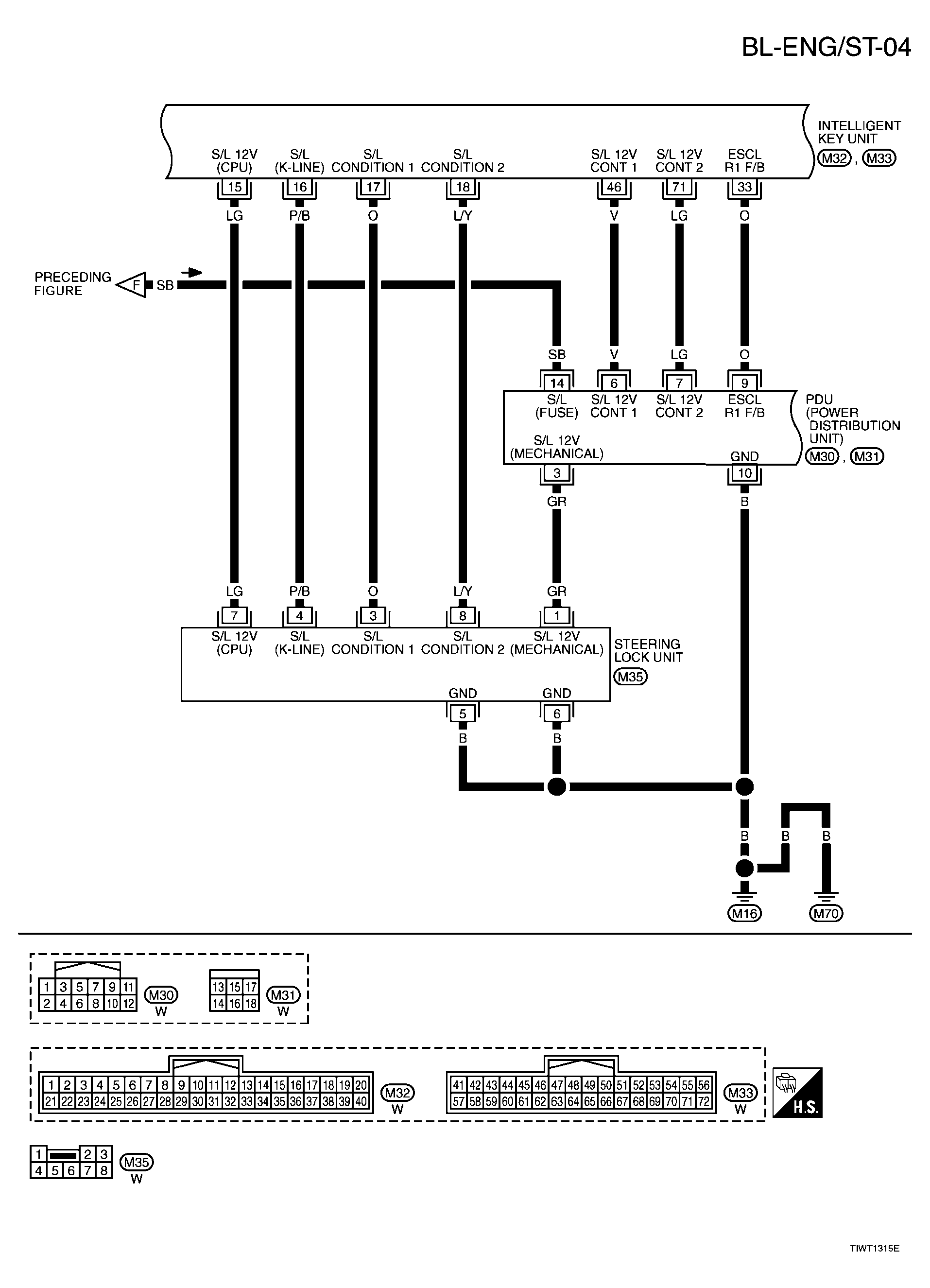
Fig 4: Wiring Diagram - BL-ENG/ST-04
G04145296Courtesy of NISSAN MOTOR CO., U.S.A.
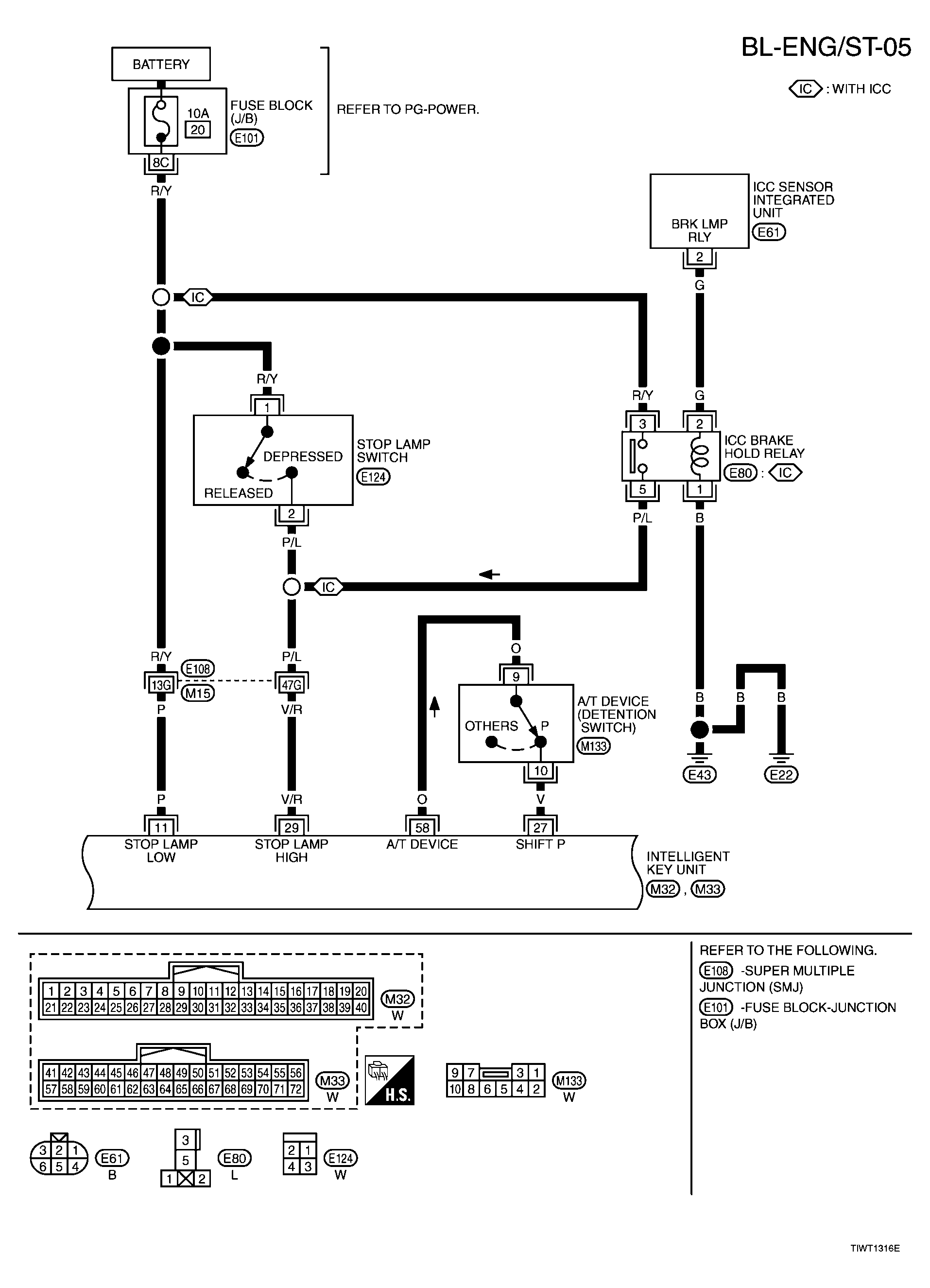
Fig 5: Wiring Diagram - BL-ENG/ST-05
G04145297Courtesy of NISSAN MOTOR CO., U.S.A.
Fig 6: Wiring Diagram - BL-ENG/ST-06
G04145298Courtesy of NISSAN MOTOR CO., U.S.A.
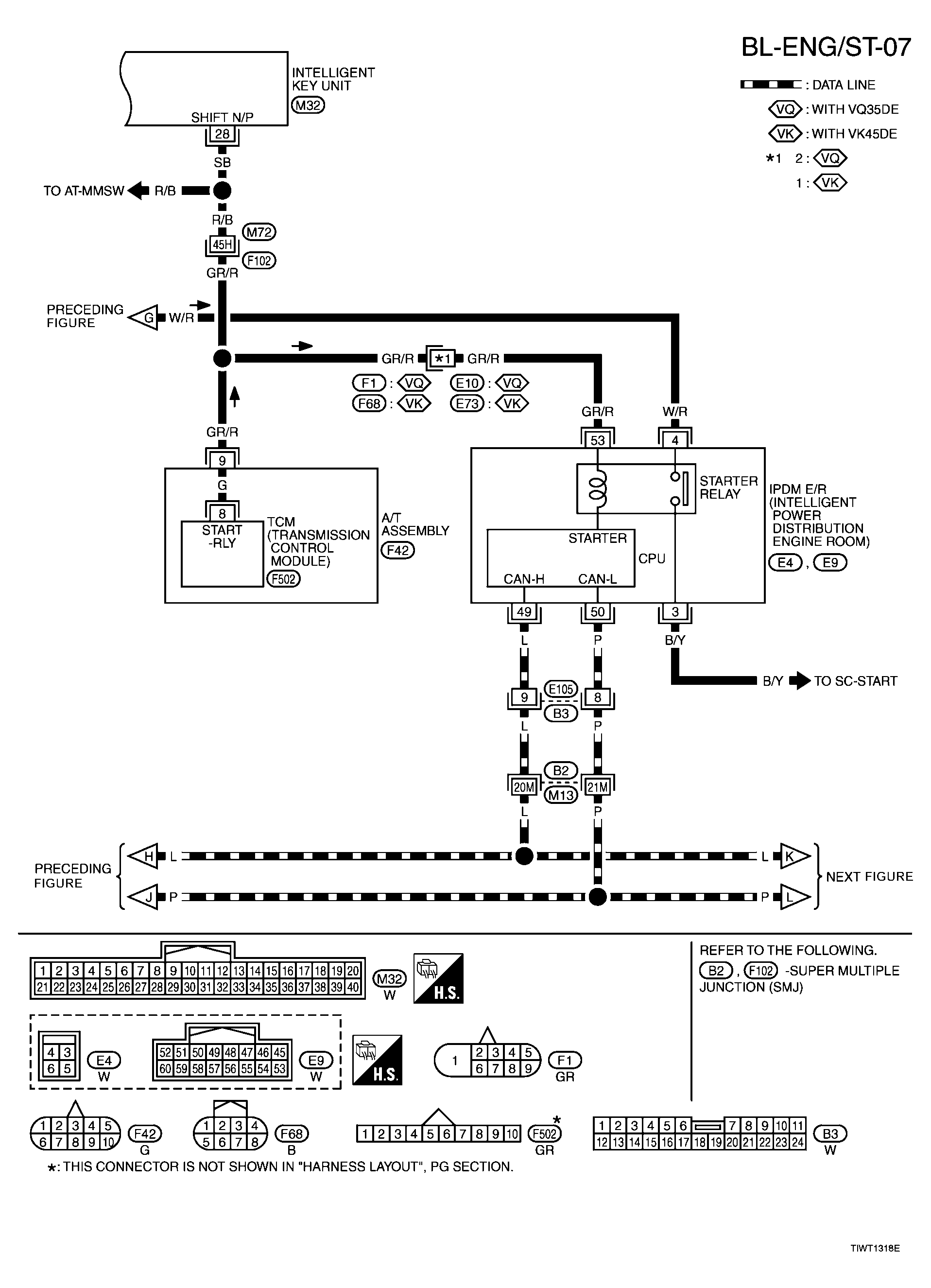
Fig 7: Wiring Diagram - BL-ENG/ST-07
G04145299Courtesy of NISSAN MOTOR CO., U.S.A.
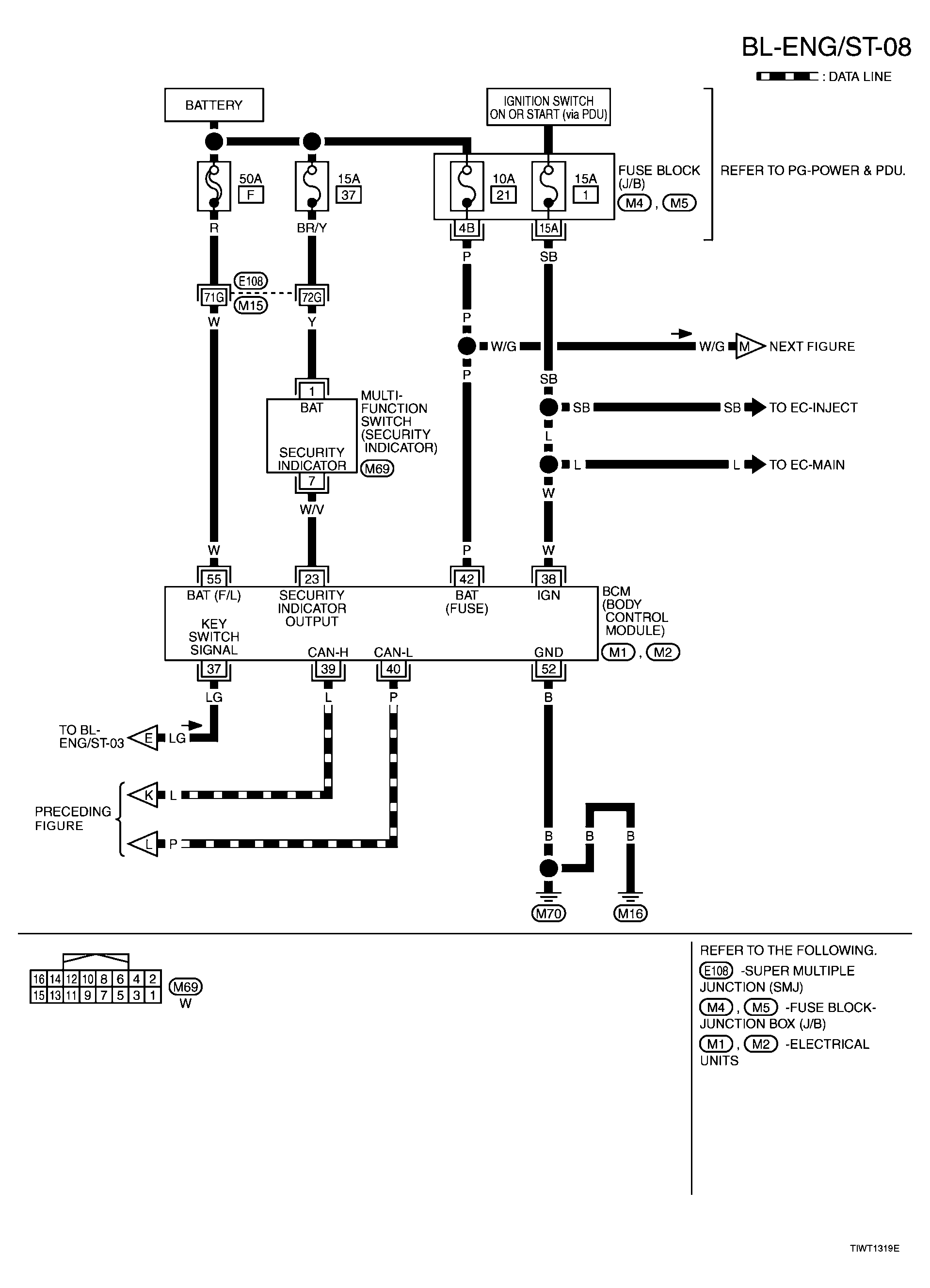
Fig 8: Wiring Diagram - BL-ENG/ST-08
G04145300Courtesy of NISSAN MOTOR CO., U.S.A.
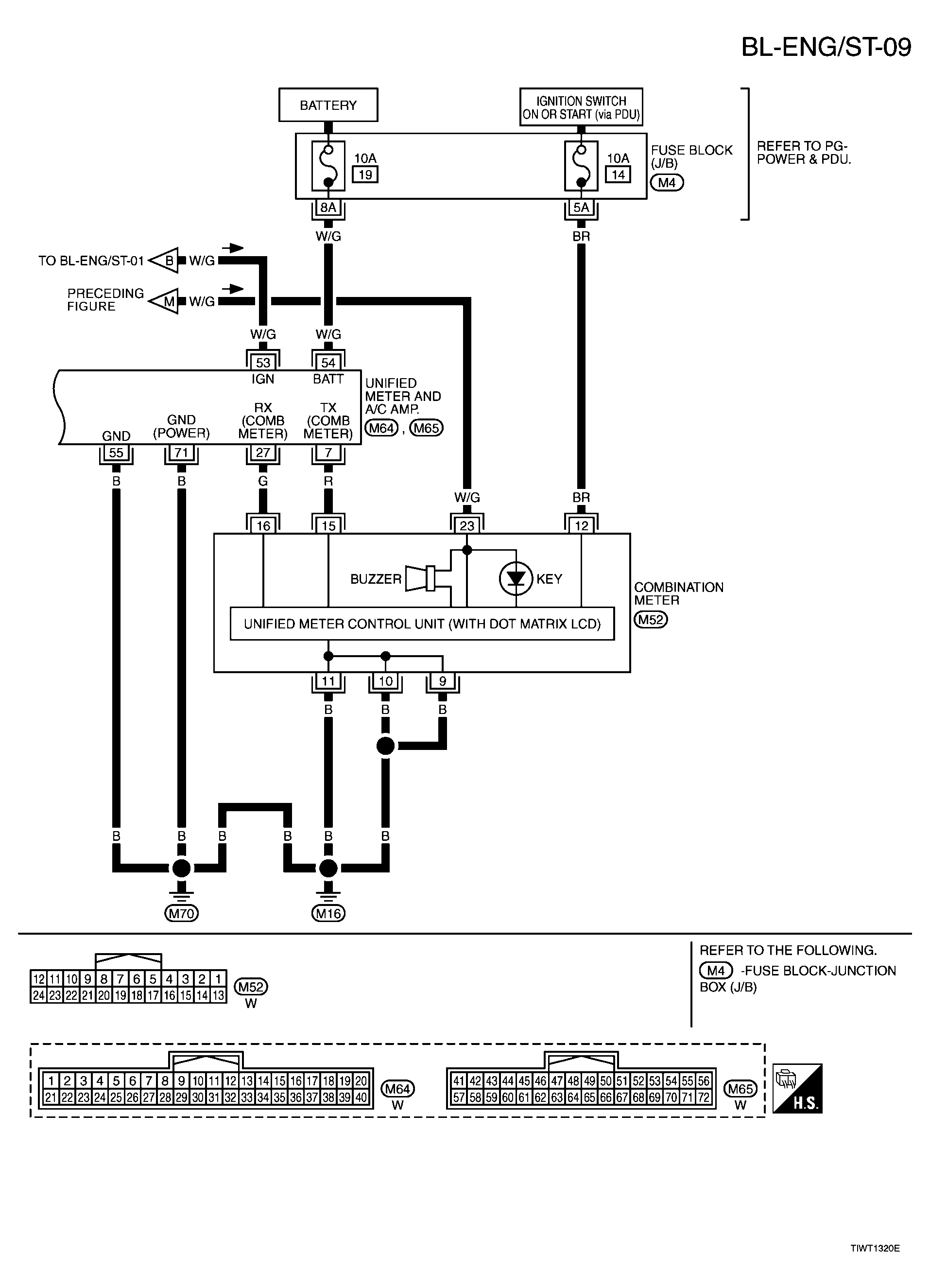
Fig 9: Wiring Diagram - BL-ENG/ST-09
G04145301Courtesy of NISSAN MOTOR CO., U.S.A.