LEMON Manuals: Even more car manuals for everyone: 1960-2025
Home >> Infiniti >> 2006 >> M35 Base >> Repair and Diagnosis >> Body & Frame >> Door Locks >> Body, Lock & Security System >> Intelligent Key System >> Schematic
April 5, 2026: LEMON Manuals is launched! Read the announcement.

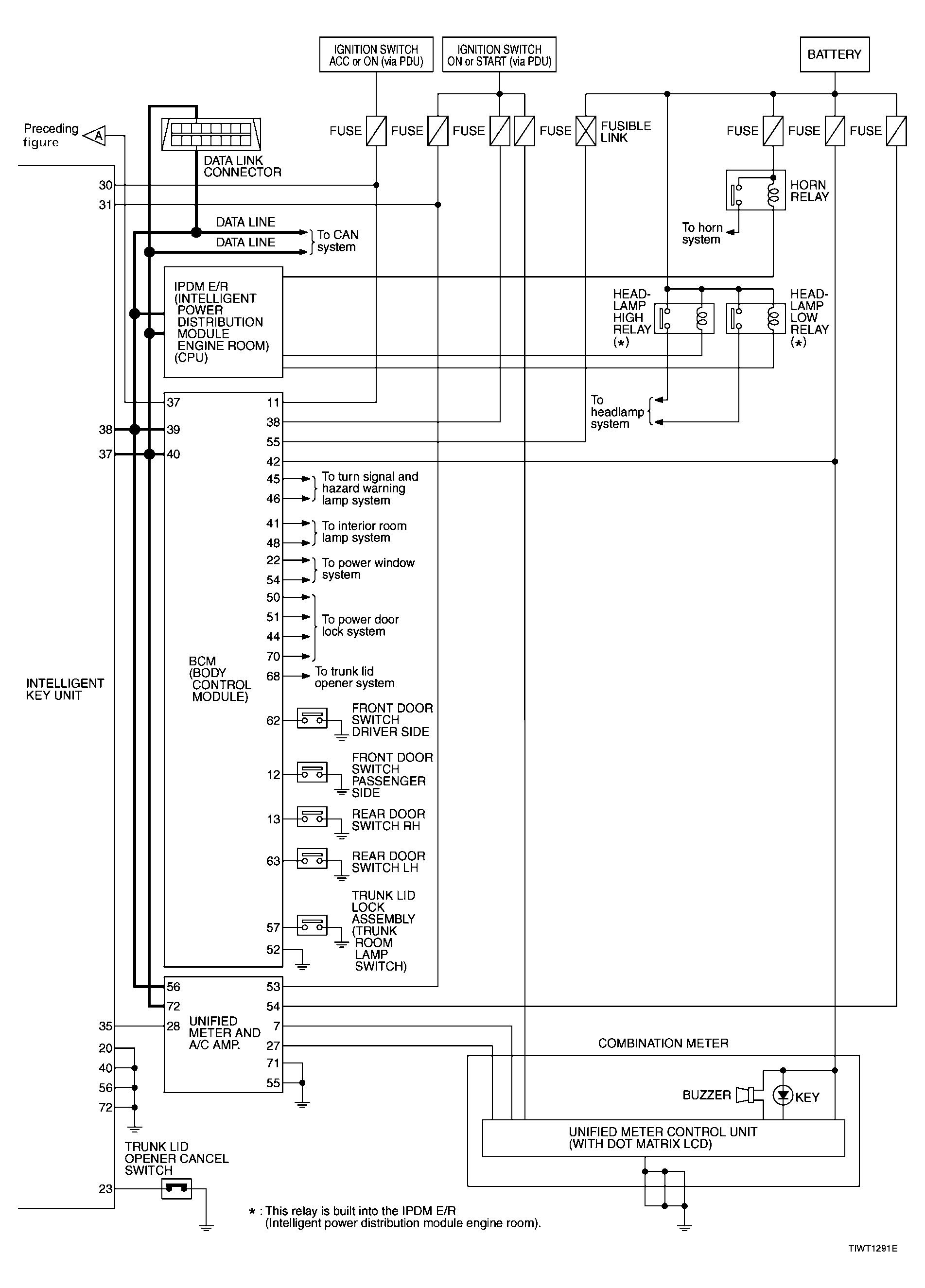
Intelligent Key System: Schematic

Fig 1: Intelligent Key Registration Schematic Diagram (1 Of 2)
G04145165Courtesy of NISSAN MOTOR CO., U.S.A.
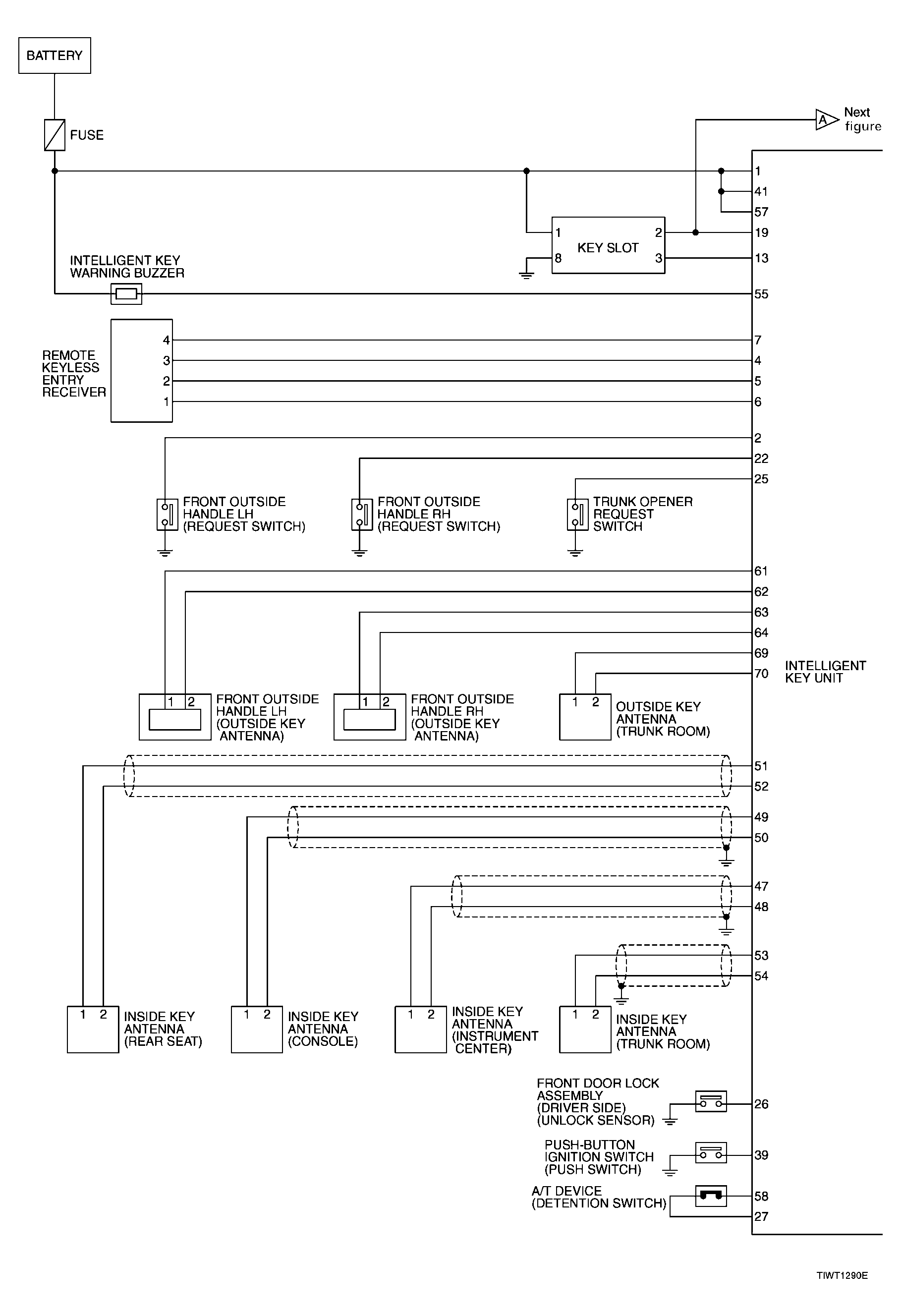
Fig 2: Intelligent Key Registration Schematic Diagram (2 Of 2)
G04145166Courtesy of NISSAN MOTOR CO., U.S.A.