LEMON Manuals: Even more car manuals for everyone: 1960-2025
Home >> Infiniti >> 2006 >> M35 Base >> Repair and Diagnosis >> Electrical >> Gauges >> Driver Information System >> Combination Meters >> Schematic
April 5, 2026: LEMON Manuals is launched! Read the announcement.

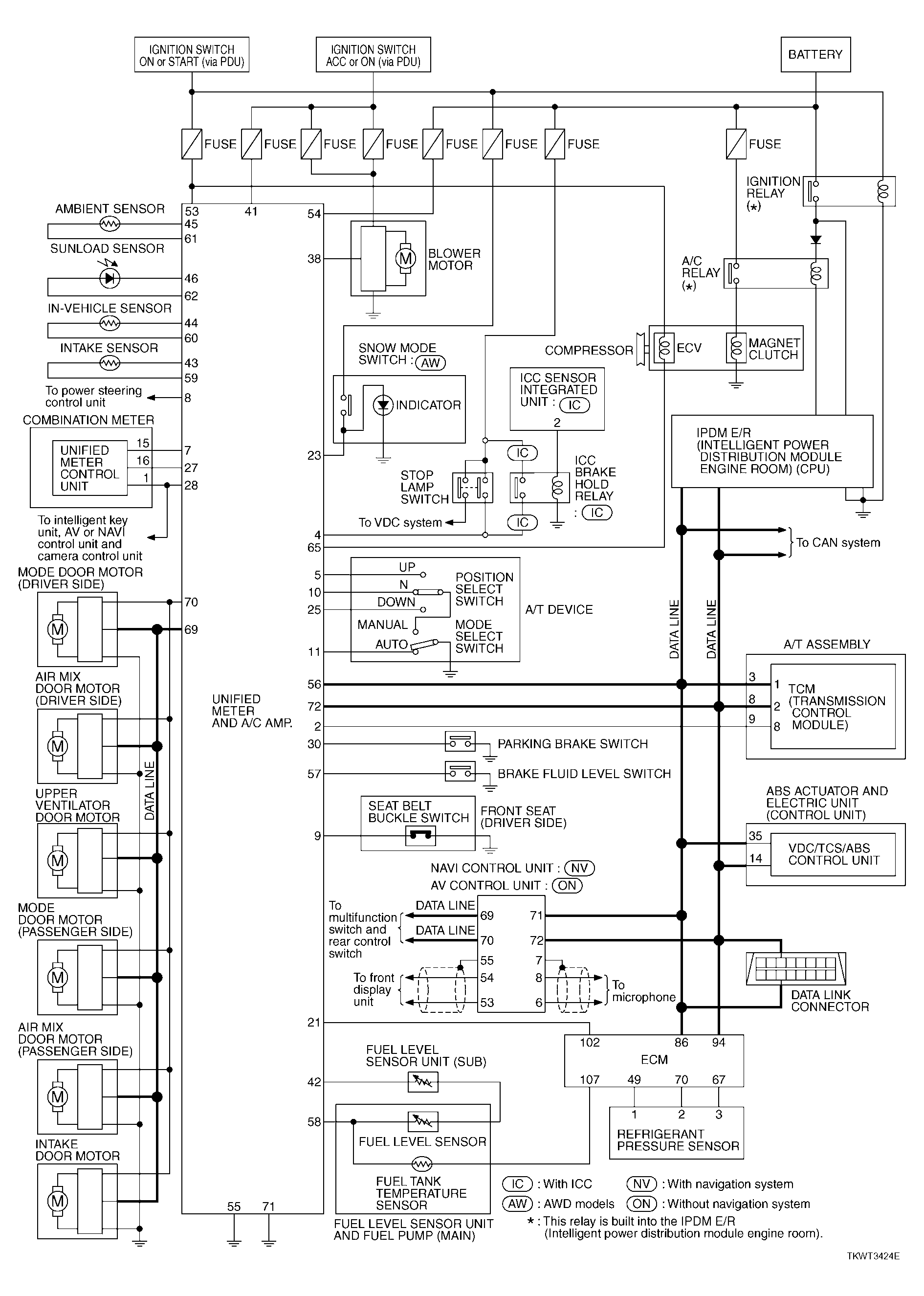
Combination Meters: Schematic

Fig 1: Unified Meter And A/C Amp - Schematic Diagram
G04140566Courtesy of NISSAN MOTOR CO., U.S.A.
NOTE: For the further details, refer to descriptions on each system.