LEMON Manuals: Even more car manuals for everyone: 1960-2025
Home >> Infiniti >> 2006 >> M35 Base >> Repair and Diagnosis >> Engine Performance >> System >> Engine Control System (VQ35DE) - Components And Specifications >> ASCD Indicator >> Wiring Diagram
April 5, 2026: LEMON Manuals is launched! Read the announcement.

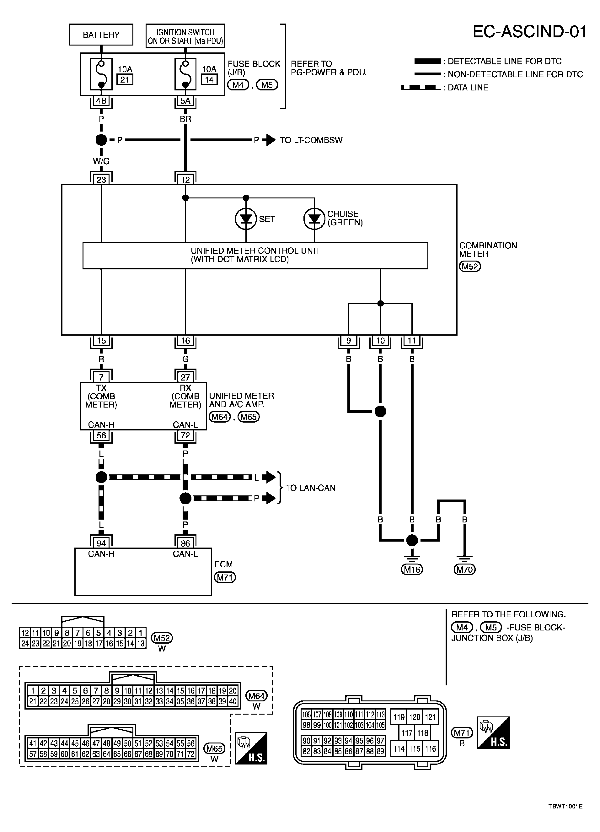
ASCD Indicator: Wiring Diagram

For PG-POWER references, see SYSTEM WIRING DIAGRAMS (M35) or SYSTEM WIRING DIAGRAMS (M45).

Fig 1: Wiring Diagram - EC-ASCIND-01
G04139023Courtesy of NISSAN MOTOR CO., U.S.A.