LEMON Manuals: Even more car manuals for everyone: 1960-2025
Home >> Infiniti >> 2006 >> M35 Base >> Repair and Diagnosis >> Engine Performance >> System >> Engine Control System (VQ35DE) - Components And Specifications >> Ignition Signal >> Wiring Diagram
April 5, 2026: LEMON Manuals is launched! Read the announcement.

Ignition Signal: Wiring Diagram

For PG-POWER references, see SYSTEM WIRING DIAGRAMS (M35) or SYSTEM WIRING DIAGRAMS (M45).

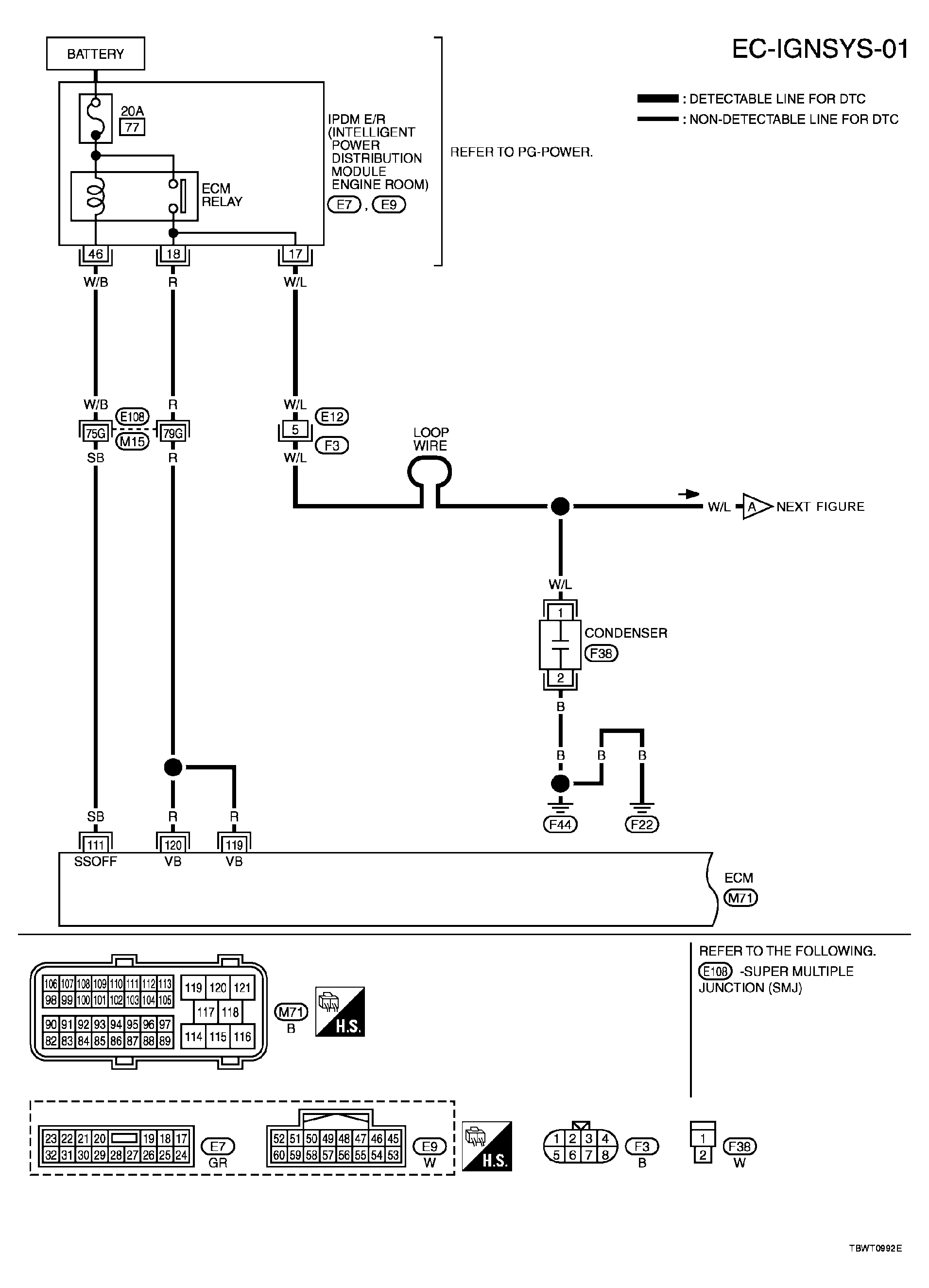
Fig 1: Wiring Diagram - EC-IGNSYS-01
G04138946Courtesy of NISSAN MOTOR CO., U.S.A.

Specification data are reference values and are measured between each terminal and ground.

CAUTION: Do not use ECM ground terminals when measuring input/output voltage. Doing so may result in damage to the ECM's transistor. Use a ground other than ECM terminals, such as the ground.
ECM TERMINALS REFERENCE

TERMINAL NO. WIRE COLOR ITEM CONDITION DATA (DC Voltage)
111 SB ECM relay (Self shut-off) [Engine is running] 
[Ignition switch: OFF] 
  • A few seconds after turning ignition switch OFF
0 - 1.5V
[Ignition switch: OFF] 
  • More than a few seconds after turning ignition switch OFF
BATTERY VOLTAGE (11 - 14V)
119
120
R
R
Power supply for ECM [Ignition switch: ON]  BATTERY VOLTAGE (11 - 14V)
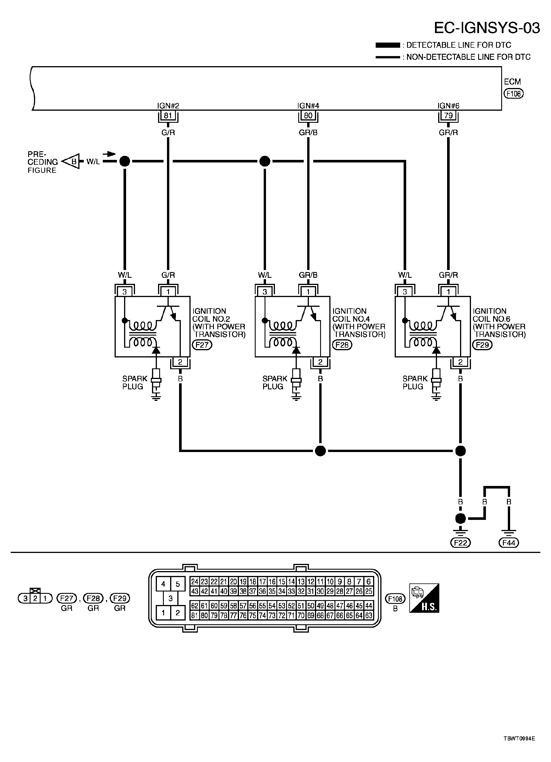
Fig 2: Wiring Diagram - EC-IGNSYS-02
G04138947Courtesy of NISSAN MOTOR CO., U.S.A.

Specification data are reference values and are measured between each terminal and ground. Pulse signal is measured by CONSULT-II.

CAUTION: Do not use ECM ground terminals when measuring input/output voltage. Doing so may result in damage to the ECM's transistor. Use a ground other than ECM terminals, such as the ground.
ECM TERMINALS REFERENCE

TERMINAL NO. WIRE COLOR ITEM CONDITION DATA (DC Voltage)
60
61
62
V/W
P
Y/R
Ignition signal No. 5
Ignition signal No. 3
Ignition signal No. 1
[Engine is running] 
  • Warm-up condition
  • Idle speed
NOTE: The pulse cycle changes depending on rpm at idle
G04138948Courtesy of NISSAN MOTOR CO., U.S.A.
[Engine is running] 
  • Warm-up condition
  • Engine speed: 2, 000 rpm
G04138949Courtesy of NISSAN MOTOR CO., U.S.A.
*: Average voltage for pulse signal (Actual pulse signal can be confirmed by oscilloscope.)
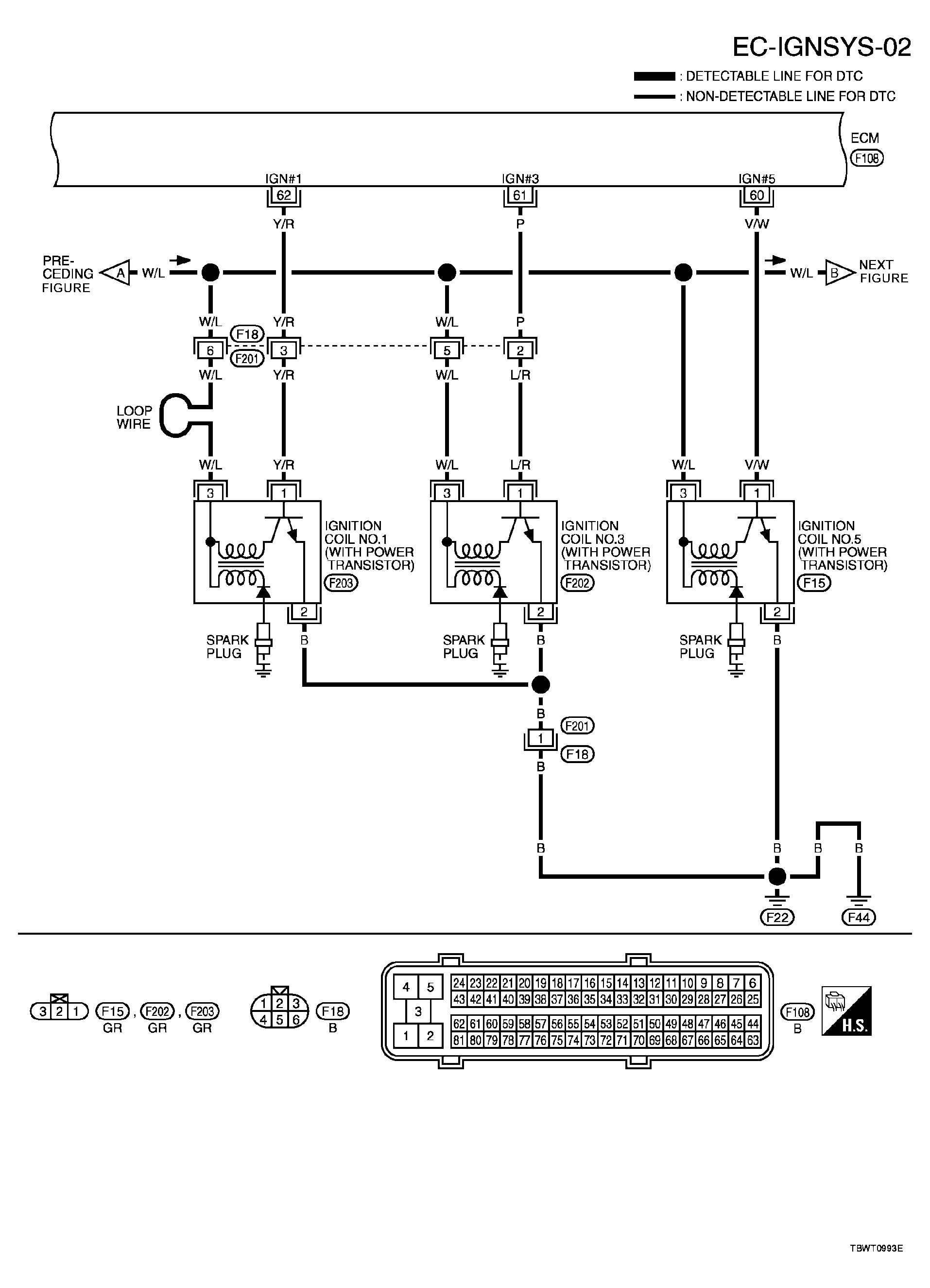
Fig 3: Wiring Diagram - EC-IGNSYS-03
G04138950Courtesy of NISSAN MOTOR CO., U.S.A.

Specification data are reference values and are measured between each terminal and ground. Pulse signal is measured by CONSULT-II.

CAUTION: Do not use ECM ground terminals when measuring input/output voltage. Doing so may result in damage to the ECM's transistor. Use a ground other than ECM terminals, such as the ground.
ECM TERMINALS REFERENCE

TERMINAL NO. WIRE COLOR ITEM CONDITION DATA (DC Voltage)
79
80
81
GR/R
GR/B
G/R
Ignition signal No. 6
Ignition signal No. 4
Ignition signal No. 2
[Engine is running] 
  • Warm-up condition
  • Idle speed
NOTE: The pulse cycle changes depending on rpm at idle
G04138951Courtesy of NISSAN MOTOR CO., U.S.A.
[Engine is running] 
  • Warm-up condition
  • Engine speed: 2, 000 rpm
G04138952Courtesy of NISSAN MOTOR CO., U.S.A.
*: Average voltage for pulse signal (Actual pulse signal can be confirmed by oscilloscope.)