LEMON Manuals: Even more car manuals for everyone: 1960-2025
Home >> Infiniti >> 2006 >> M35 Base >> Repair and Diagnosis >> Engine Performance >> System >> Engine Control System (VQ35DE) - Components And Specifications >> Mil And Data Link Connector >> Wiring Diagram
April 5, 2026: LEMON Manuals is launched! Read the announcement.

Mil And Data Link Connector: Wiring Diagram

For PG-POWER references, see SYSTEM WIRING DIAGRAMS (M35) or SYSTEM WIRING DIAGRAMS (M45).

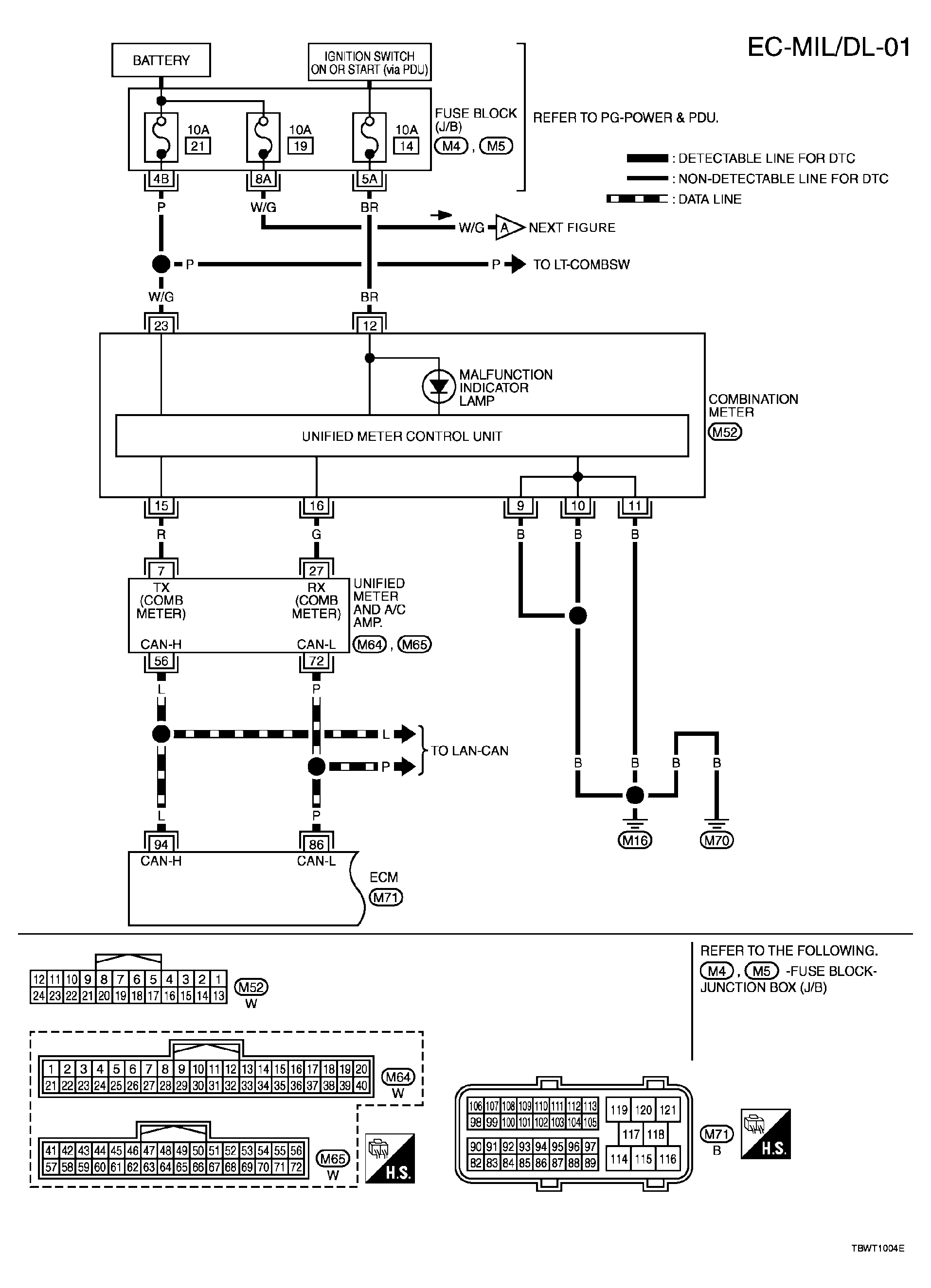
Fig 1: Wiring Diagram - EC-MIL/DL-01
G04139030Courtesy of NISSAN MOTOR CO., U.S.A.
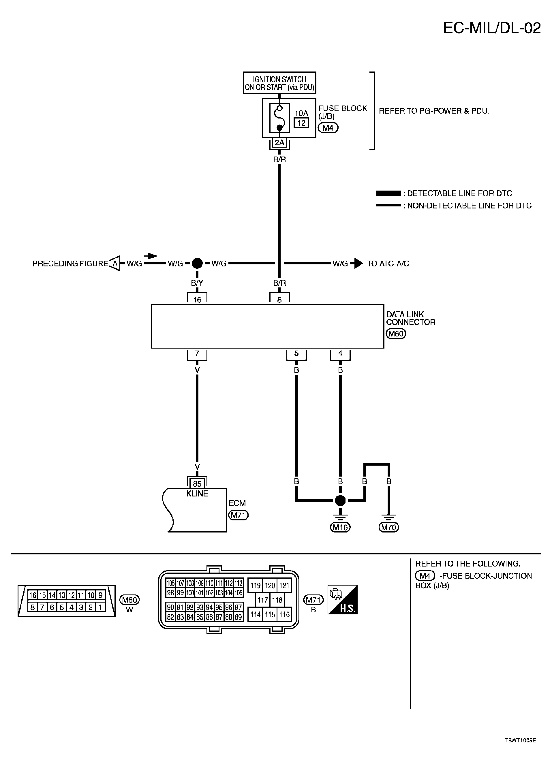
Fig 2: Wiring Diagram - EC-MIL/DL-02
G04139031Courtesy of NISSAN MOTOR CO., U.S.A.