LEMON Manuals: Even more car manuals for everyone: 1960-2025
Home >> Infiniti >> 2006 >> M35 Base >> Repair and Diagnosis >> Engine Performance >> System >> Engine Control System (VQ35DE) - Introduction >> Trouble Diagnosis >> Circuit Diagram
April 5, 2026: LEMON Manuals is launched! Read the announcement.

Circuit Diagram

Fig 1: Vacuum Control System Diagram (1 Of 2)
G04138247Courtesy of NISSAN MOTOR CO., U.S.A.
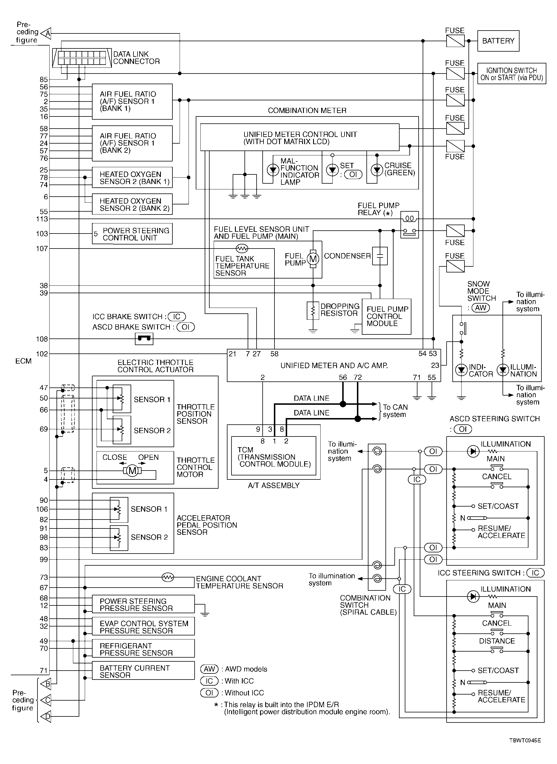
Fig 2: Vacuum Control System Diagram (2 Of 2)
G04138248Courtesy of NISSAN MOTOR CO., U.S.A.