LEMON Manuals: Even more car manuals for everyone: 1960-2025
Home >> Infiniti >> 2006 >> M35 Base >> Repair and Diagnosis >> External Pages >> Different car >> Section 17 (Driver Information System) >> Rear View Monitor >> Schematic
April 5, 2026: LEMON Manuals is launched! Read the announcement.

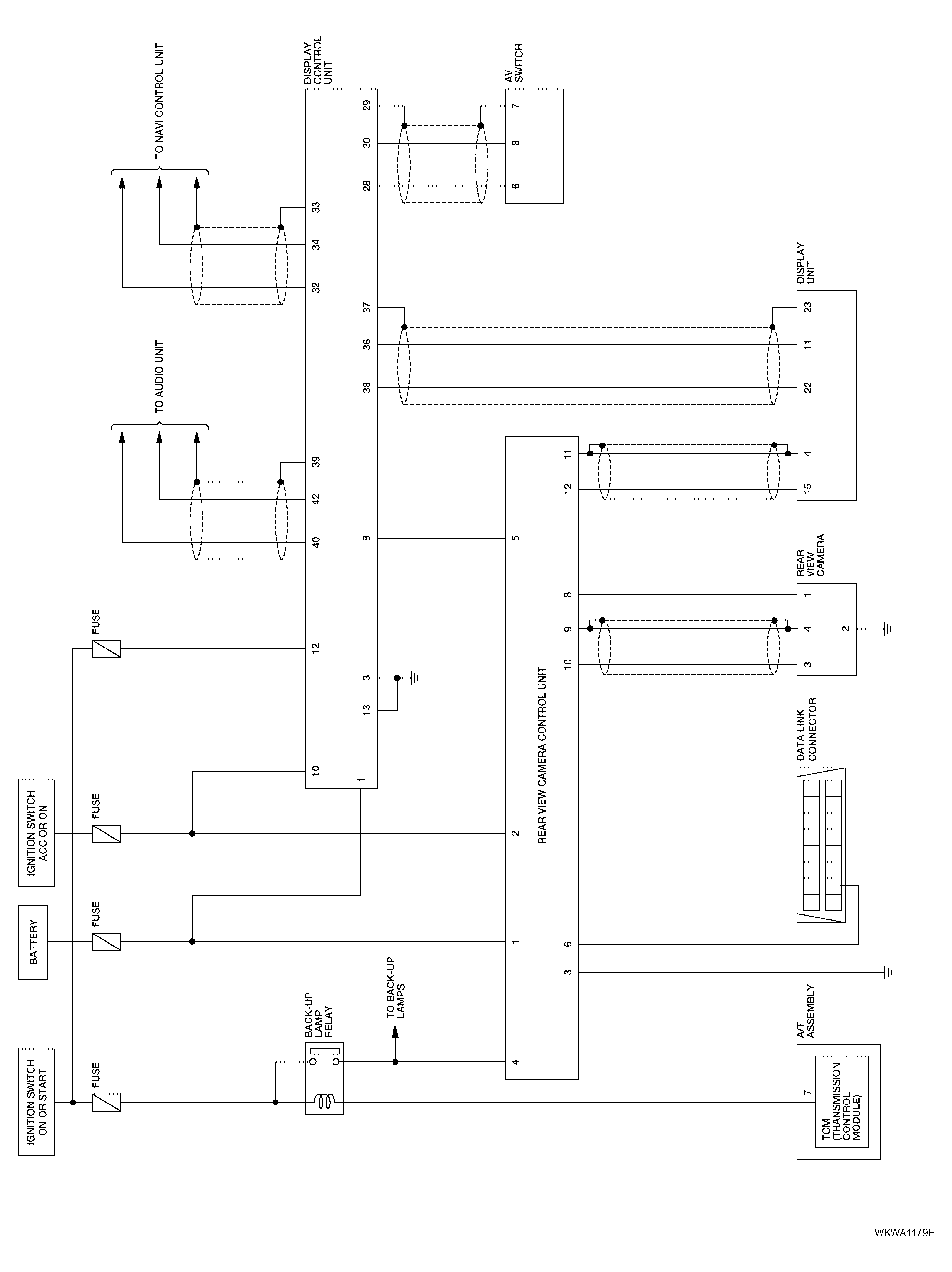
Rear View Monitor: Schematic

WARNING: This page is about a different car, the 2006 Infiniti QX56. However, it is still accessible from the selected car via links, so may be relevant.
Fig 1: Rear View Monitor- Schematic Diagram
G04136421Courtesy of NISSAN MOTOR CO., U.S.A.