LEMON Manuals: Even more car manuals for everyone: 1960-2025
Home >> Infiniti >> 2006 >> M45 >> Repair and Diagnosis (Single Page) >> Body & Frame >> Door Locks >> Body, Lock & Security System >> Intelligent Key System/Engine Start Function >> Schematic
April 5, 2026: LEMON Manuals is launched! Read the announcement.

Intelligent Key System/Engine Start Function: Schematic

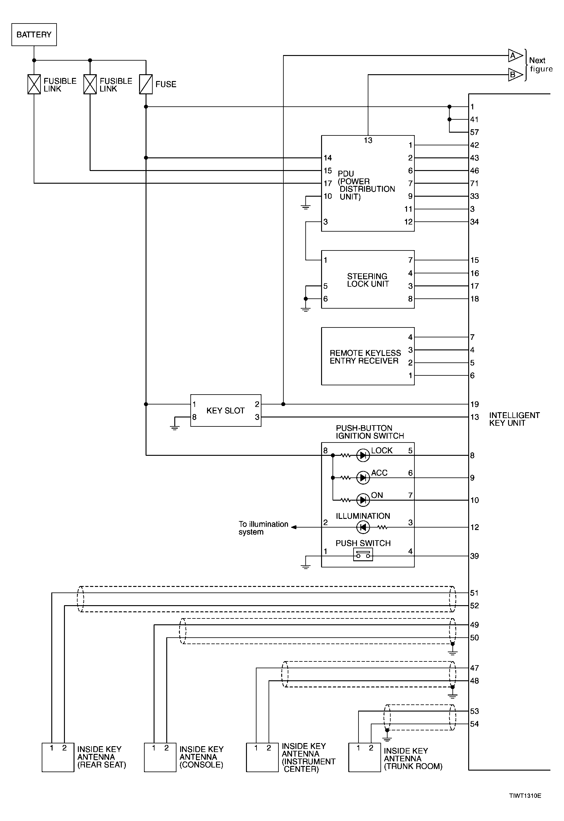
Fig 1: Intelligent Key System/Engine Start Schematic Diagram (1 Of 2)
G04145291Courtesy of NISSAN MOTOR CO., U.S.A.
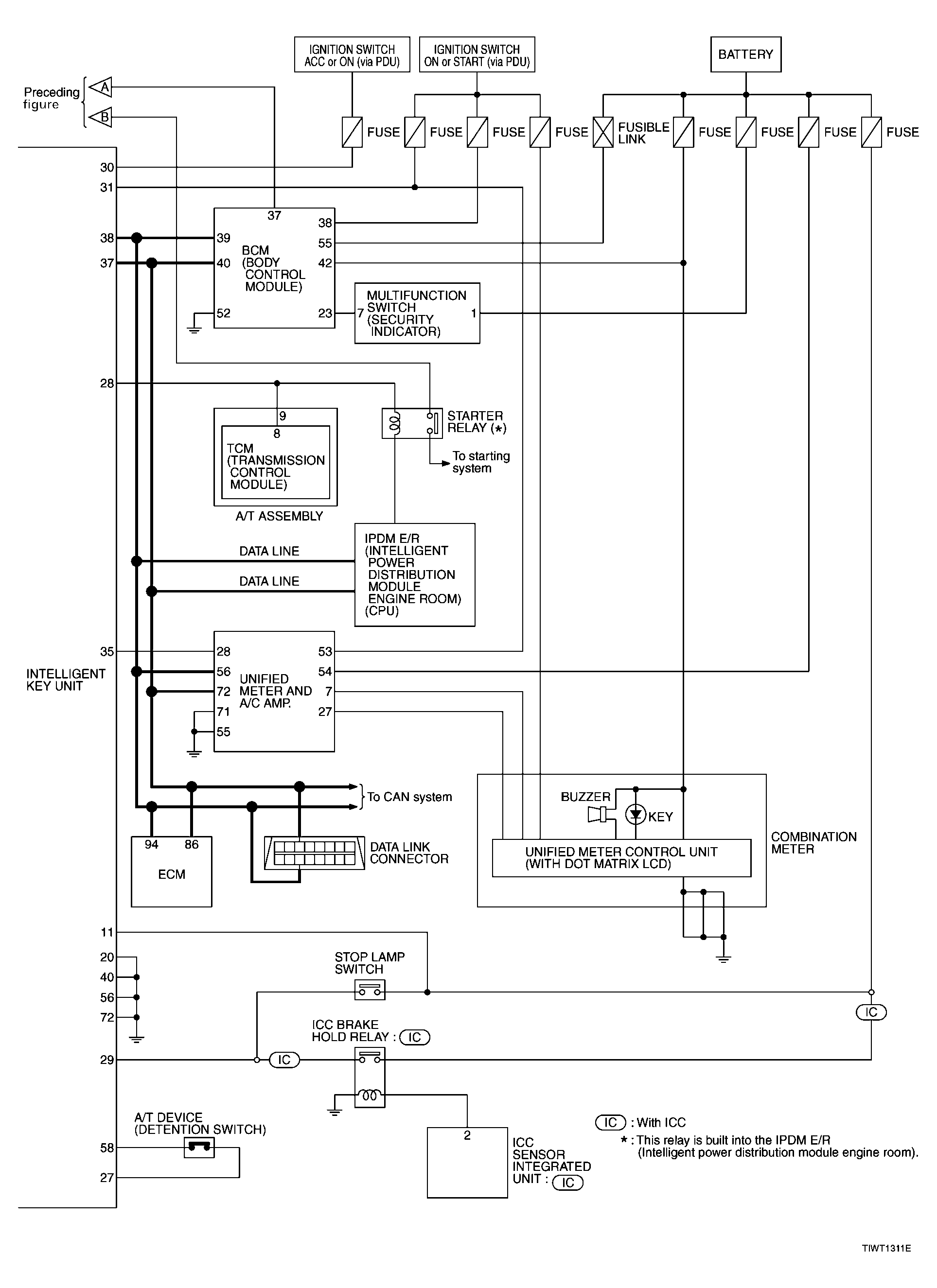
Fig 2: Intelligent Key System/Engine Start Schematic Diagram (2 Of 2)
G04145292Courtesy of NISSAN MOTOR CO., U.S.A.