LEMON Manuals: Even more car manuals for everyone: 1960-2025
Home >> Infiniti >> 2006 >> M45 >> Repair and Diagnosis >> Electrical >> Gauges >> Driver Information System >> Warning Chime >> Schematic
April 5, 2026: LEMON Manuals is launched! Read the announcement.

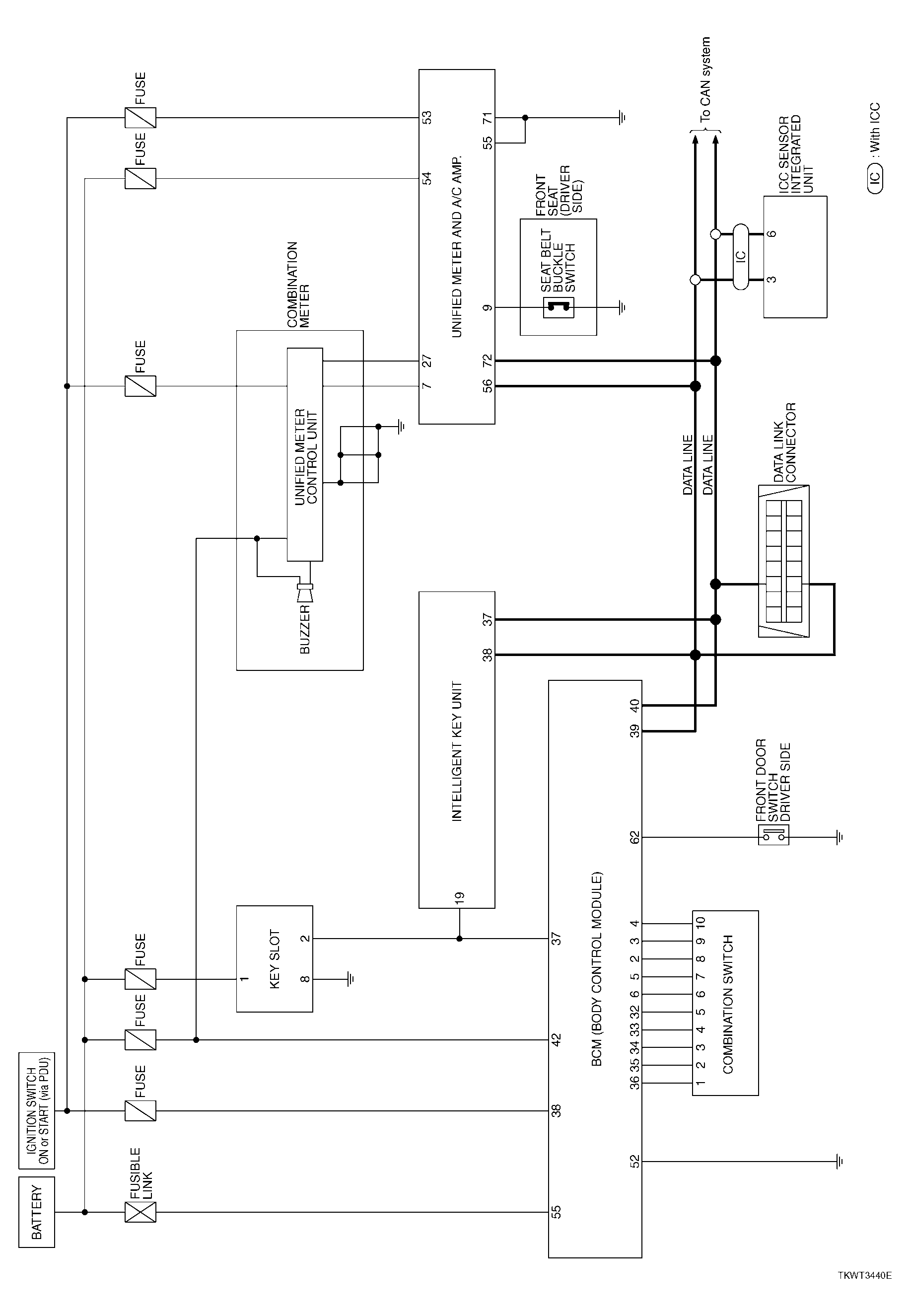
Warning Chime: Schematic

Fig 1: Warning Chime Schematic Diagram
G04140611Courtesy of NISSAN MOTOR CO., U.S.A.