LEMON Manuals: Even more car manuals for everyone: 1960-2025
Home >> Infiniti >> 2006 >> M45 >> Repair and Diagnosis >> Engine Performance >> System >> Engine Control System - VK45DE - M45 - System & Component Checks, Service Data And Specifications (SDS) >> Mil And Data Link Connector >> Wiring Diagram
April 5, 2026: LEMON Manuals is launched! Read the announcement.

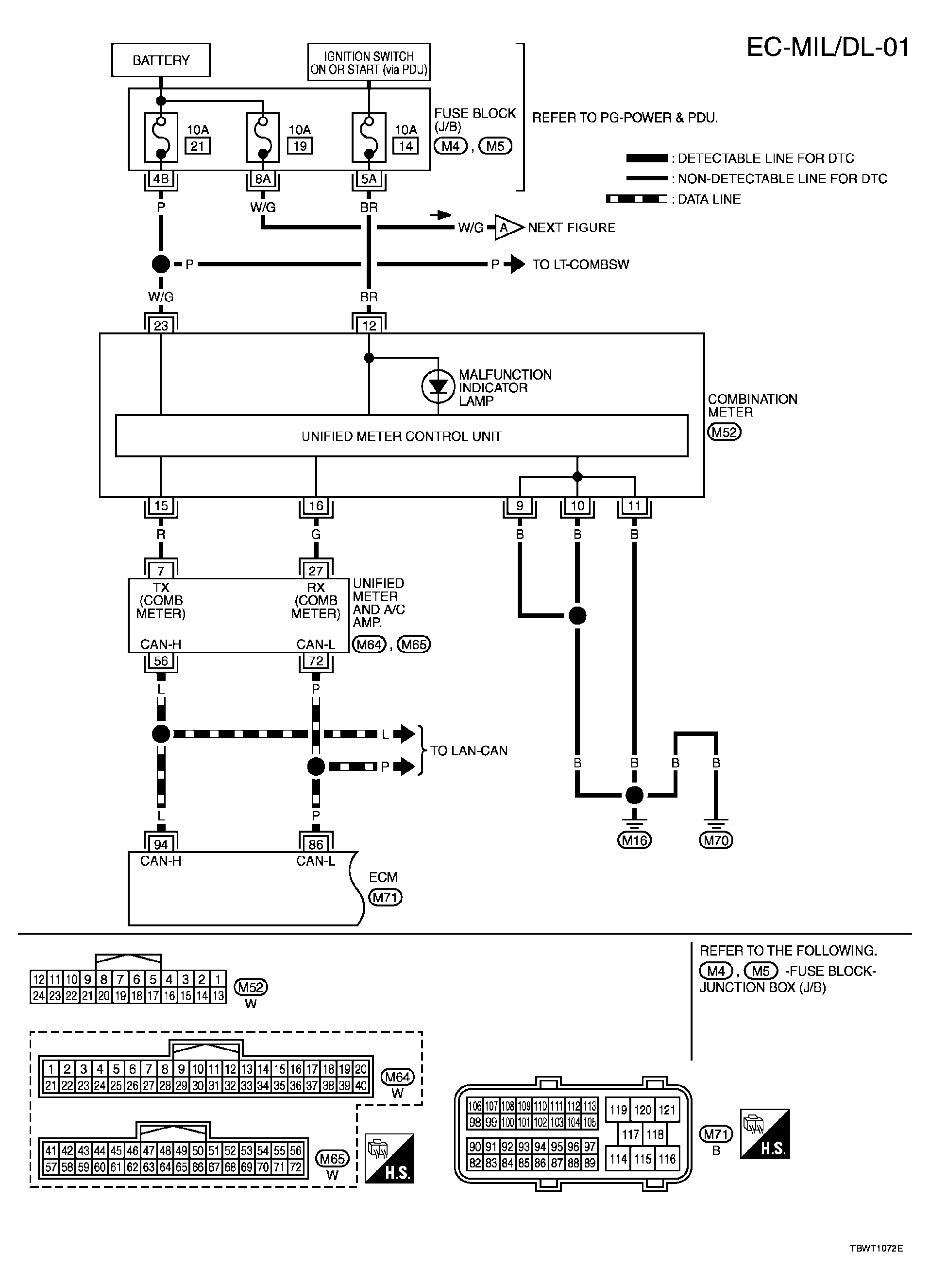
Mil And Data Link Connector: Wiring Diagram

For PG-POWER references, see SYSTEM WIRING DIAGRAMS (M35) or SYSTEM WIRING DIAGRAMS (M45).

Fig 1: Wiring Diagram - EC-MIL/DL-01
G04144033Courtesy of NISSAN MOTOR CO., U.S.A.
Fig 2: Wiring Diagram - EC-MIL/DL-02
G04144034Courtesy of NISSAN MOTOR CO., U.S.A.