LEMON Manuals: Even more car manuals for everyone: 1960-2025
Home >> Infiniti >> 2006 >> Q45 >> Repair and Diagnosis >> Engine Performance >> System >> Engine Control System - Q45 - Component & System Tests, Mil And Data Link Connector, Service Data And Specifications (SDS) >> Electrical Load Signal >> Wiring Diagram
April 5, 2026: LEMON Manuals is launched! Read the announcement.

Electrical Load Signal: Wiring Diagram

For wiring diagram abbreviations, see WIRING DIAGRAM ABBREVIATIONS IDENTIFICATION TABLE .

For PG-POWER, refer to SYSTEM WIRING DIAGRAMS .

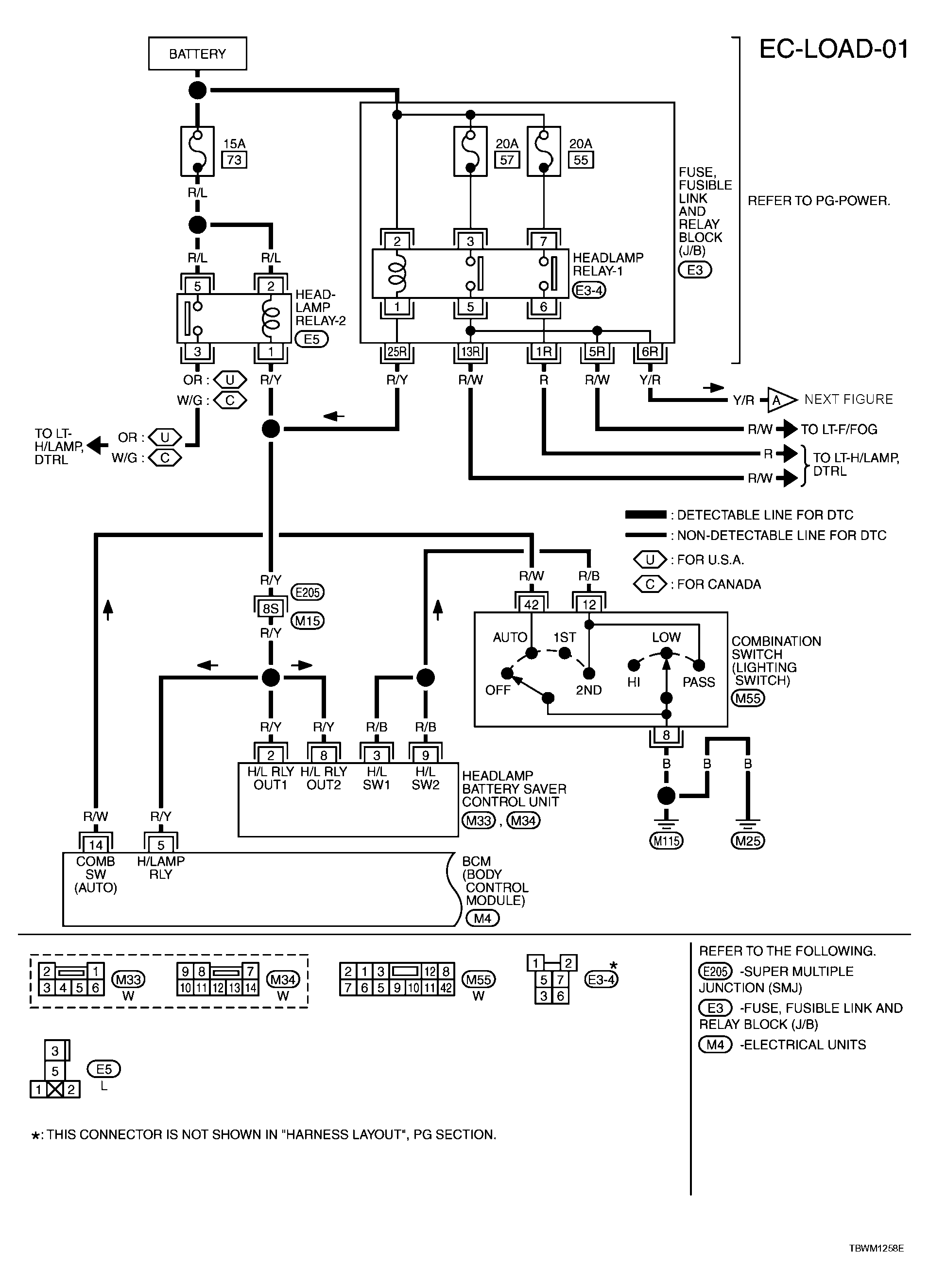
Fig 1: Wiring Diagram - EC-LOAD-01
G04127794Courtesy of NISSAN MOTOR CO., U.S.A.
Fig 2: Wiring Diagram - EC-LOAD-02
G04127795Courtesy of NISSAN MOTOR CO., U.S.A.

Specification data are reference values and are measured between each terminal and ground.

CAUTION: Do not use ECM ground terminals when measuring input/output voltage. Doing so may result in damage to the ECM's transistor. Use a ground other than ECM terminals, such as the ground.
SPECIFICATION DATA REFERENCE VALUES

TERMINAL NO. WIRE COLOR ITEM CONDITION DATA (DC Voltage)
84 Y/B Electrical load signal (Headlamp switch) [Ignition switch: ON] 
  • Lighting switch: 2nd position
BATTERY VOLTAGE (11 - 14V)
[Ignition switch: ON] 
  • Lighting switch: OFF
Approximately 0V
93 L/R Electrical load signal (Rear window defogger switch) [Ignition switch: ON] 
  • Rear window defogger switch: ON
BATTERY VOLTAGE (11 - 14V)
[Ignition switch: ON] 
  • Rear window defogger switch: OFF
Approximately 0V
96 SB Heater fan switch [Engine is running] 
  • Heater fan switch: ON
Approximately 0V
[Engine is running] 
  • Heater fan switch: OFF
BATTERY VOLTAGE (11 - 14V)