LEMON Manuals: Even more car manuals for everyone: 1960-2025
Home >> Infiniti >> 2006 >> Q45 >> Repair and Diagnosis >> Engine Performance >> System >> Engine Control System - Q45 - Component & System Tests, Mil And Data Link Connector, Service Data And Specifications (SDS) >> Fuel Injector >> Wiring Diagram
April 5, 2026: LEMON Manuals is launched! Read the announcement.

Fuel Injector: Wiring Diagram

For wiring diagram abbreviations, see WIRING DIAGRAM ABBREVIATIONS IDENTIFICATION TABLE .

For PG-POWER, refer to SYSTEM WIRING DIAGRAMS .

Fig 1: Wiring Diagram - EC-INJECT-01
G04127803Courtesy of NISSAN MOTOR CO., U.S.A.

Specification data are reference values and are measured between each terminal and ground.

Pulse signal is measured by CONSULT-II.

CAUTION: Do not use ECM ground terminals when measuring input/output voltage. Doing so may result in damage to the ECM's transistor. Use a ground other than ECM terminals, such as the ground.
INPUT/OUTPUT VOLTAGE (1 OF 2)

TERMINAL NO. WIRE COLOR ITEM CONDITION DATA (DC Voltage)
21
22
23
44
W/B
Y
R/L
BR
Fuel injector No. 5
Fuel injector No. 3
Fuel injector No. 1
Fuel injector No. 7
[Engine is running] 
  • Warm-up condition 
  • Idle speed
NOTE: The pulse cycle changes depending on rpm at idle
BATTERY VOLTAGE (11 - 14V)(1)
G04127804
[Engine is running] 
  • Warm-up condition 
  • Engine speed: 2,000 rpm
BATTERY VOLTAGE (11 - 14V)(1)
G04127805
(1) Average voltage for pulse signal (Actual pulse signal can be confirmed by oscilloscope.)
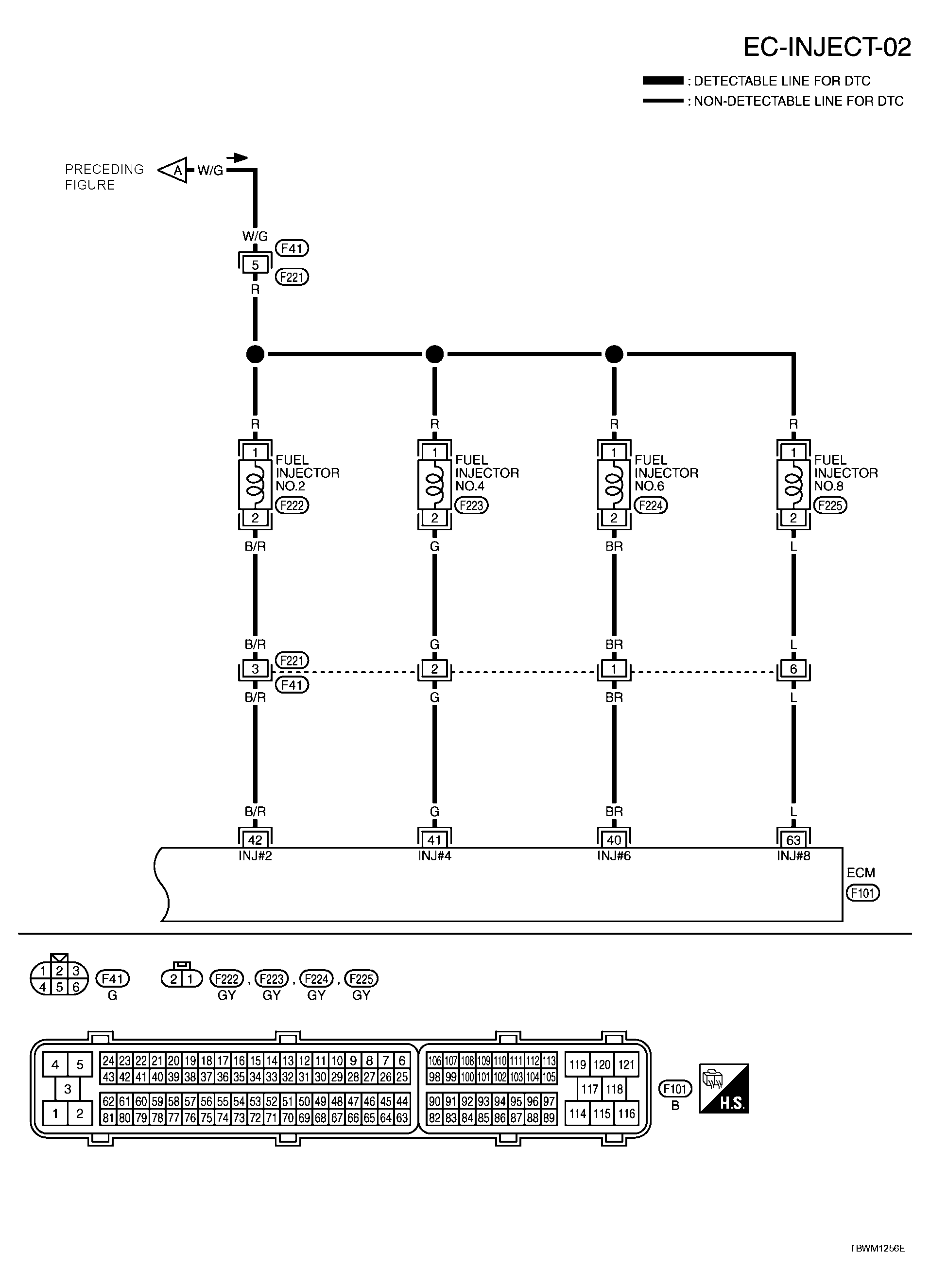
Fig 2: Wiring Diagram - EC-INJECT-02
G04127806Courtesy of NISSAN MOTOR CO., U.S.A.

Specification data are reference values and are measured between each terminal and ground. Pulse signal is measured by CONSULT-II.

CAUTION: Do not use ECM ground terminals when measuring input/output voltage. Doing so may result in damage to the ECM's transistor. Use a ground other than ECM terminals, such as the ground.
INPUT/OUTPUT VOLTAGE (2 OF 2)

TERMINAL NO. WIRE COLOR ITEM CONDITION DATA (DC Voltage)
40
41
42
63
BR
G
B/R
L
Fuel injector No. 6
Fuel injector No. 4
Fuel injector No. 2
Fuel injector No. 8
[Engine is running] 
  • Warm-up condition 
  • Idle speed
NOTE: The pulse cycle changes depending on rpm at idle
BATTERY VOLTAGE (11 - 14V)(1)
G04127807
[Engine is running] 
  • Warm-up condition 
  • Engine speed: 2,000 rpm
BATTERY VOLTAGE (11 - 14V)(1)
G04127808
(1) Average voltage for pulse signal (Actual pulse signal can be confirmed by oscilloscope.)