LEMON Manuals: Even more car manuals for everyone: 1960-2025
Home >> Infiniti >> 2006 >> Q45 >> Repair and Diagnosis >> Engine Performance >> System >> Engine Control System - Q45 - Component & System Tests, Mil And Data Link Connector, Service Data And Specifications (SDS) >> Ignition Signal >> Wiring Diagram
April 5, 2026: LEMON Manuals is launched! Read the announcement.

Ignition Signal: Wiring Diagram

For wiring diagram abbreviations, see WIRING DIAGRAM ABBREVIATIONS IDENTIFICATION TABLE .

For PG-POWER, refer to SYSTEM WIRING DIAGRAMS .

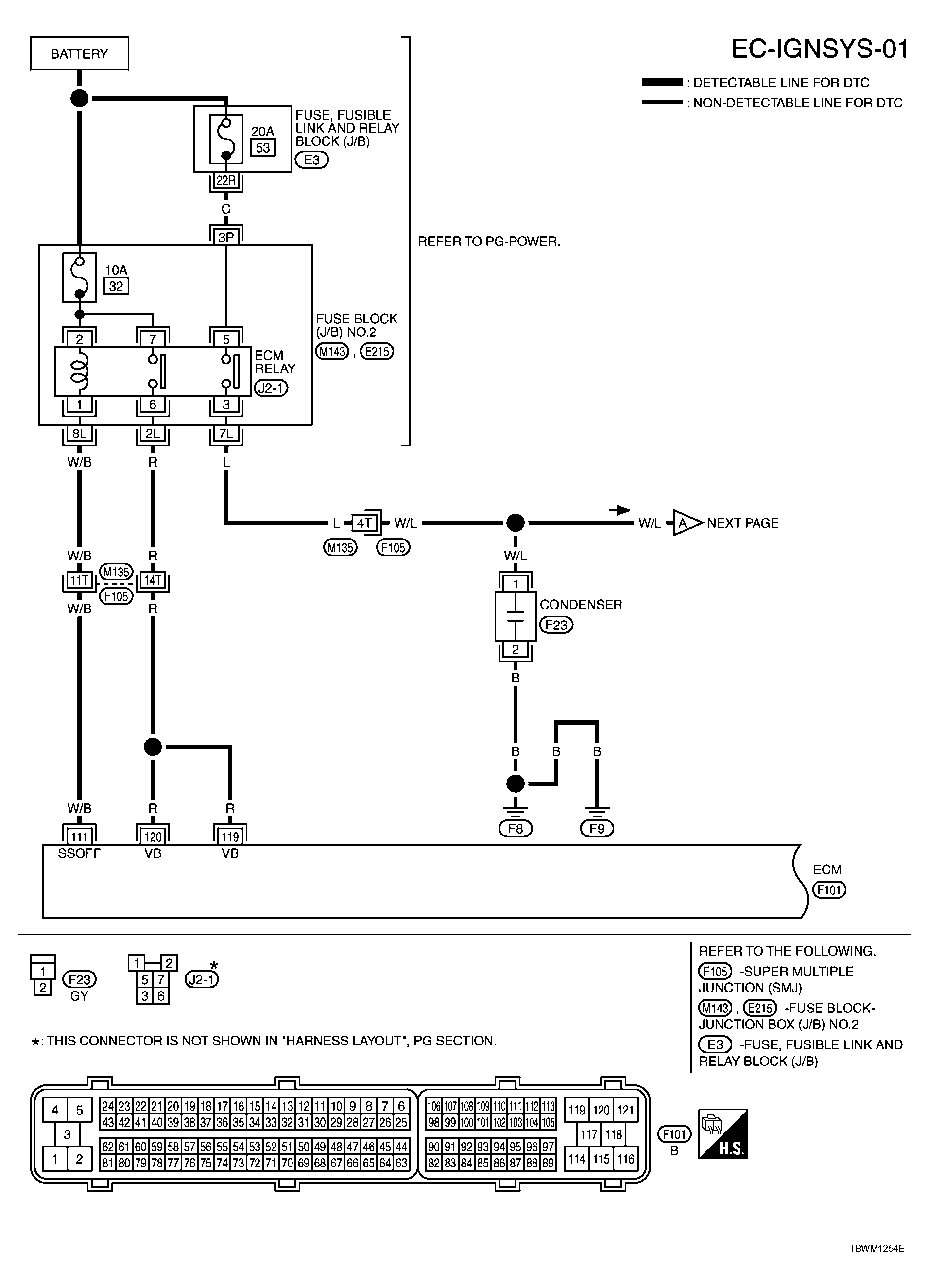
Fig 1: Wiring Diagram - EC-IGNSYS-01
G04127841Courtesy of NISSAN MOTOR CO., U.S.A.

Specification data are reference values and are measured between each terminal and ground.

CAUTION: Do not use ECM ground terminals when measuring input/output voltage. Doing so may result in damage to the ECM's transistor. Use a ground other than ECM terminals, such as the ground.
IGNITION COIL & POWER TRANSISTOR (1 OF 3)

TERMINAL NO. WIRE COLOR ITEM CONDITION DATA (DC Voltage)
111 W/B ECM relay (Self shut-off) [Engine is running] 
[Ignition switch: OFF] 
  • For a few seconds after turning ignition switch OFF
0 - 1.5V
[Ignition switch: OFF] 
  • More than a few seconds after turning ignition switch OFF
BATTERY VOLTAGE (11 - 14V)
119
120
R
R
Power supply for ECM [Ignition switch: ON]  BATTERY VOLTAGE (11 - 14V)
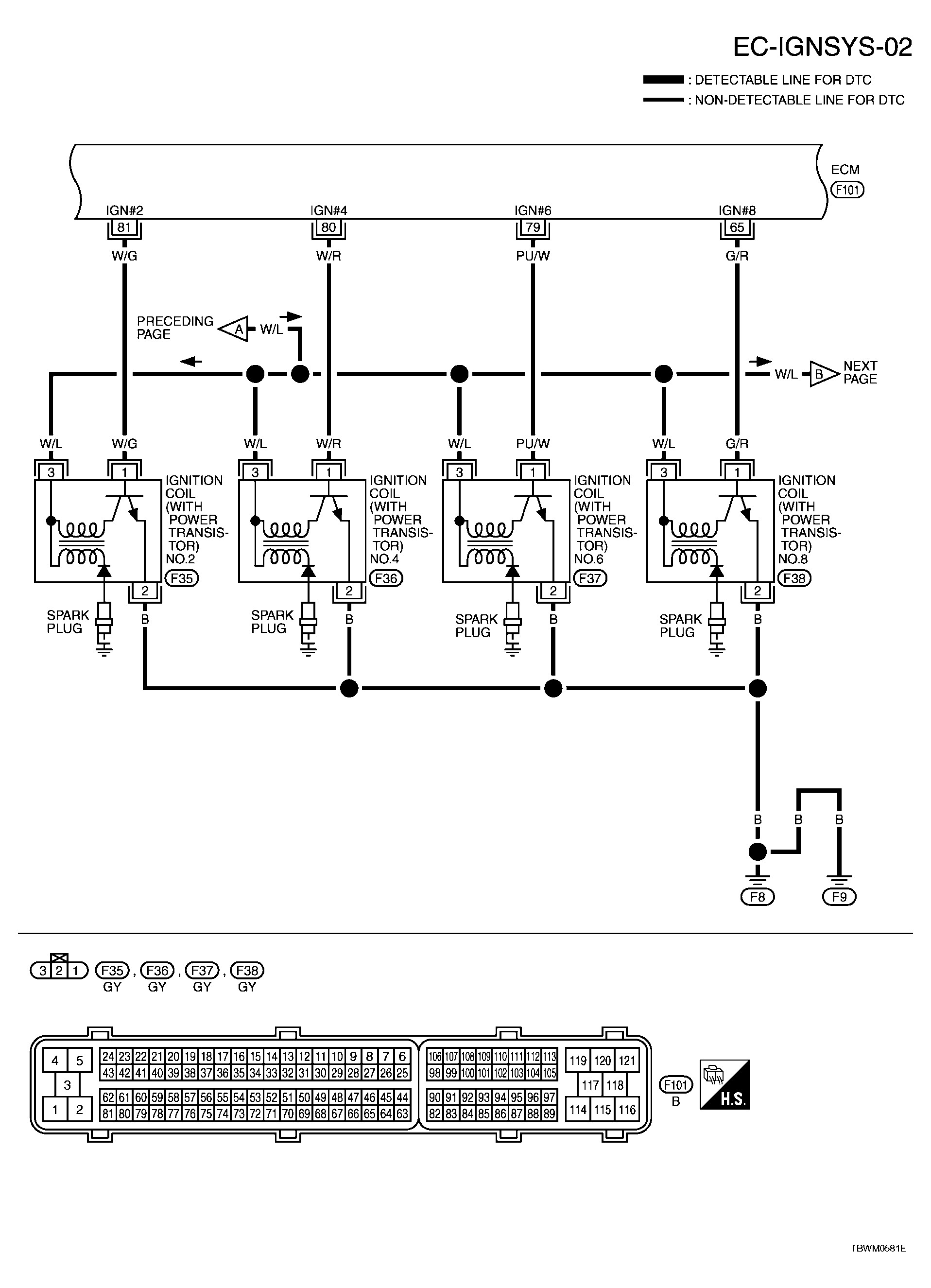
Fig 2: Wiring Diagram - EC-IGNSYS-02
G04127842Courtesy of NISSAN MOTOR CO., U.S.A.

Specification data are reference values and are measured between each terminal and ground. Pulse signal is measured by CONSULT-II.

CAUTION: Do not use ECM ground terminals when measuring input/output voltage. Doing so may result in damage to the ECM's transistor. Use a ground other than ECM terminals, such as the ground.
IGNITION COIL & POWER TRANSISTOR (2 OF 3)

TERMINAL NO. WIRE COLOR ITEM CONDITION DATA (DC Voltage)
65
79
80
81
G/R
PU/W
W/R
W/G
Ignition signal No. 8
Ignition signal No. 6
Ignition signal No. 4
Ignition signal No. 2
[Engine is running] 
  • Warm-up condition 
  • Idle speed
NOTE: The pulse cycle changes depending on rpm at idle
0 - 0.2V(1)
G04127843
[Engine is running] 
  • Warm-up condition 
  • Engine speed: 2,000 rpm
0.1 - 0.4V(1)
G04127844
(1) Average voltage for pulse signal (Actual pulse signal can be confirmed by oscilloscope.)
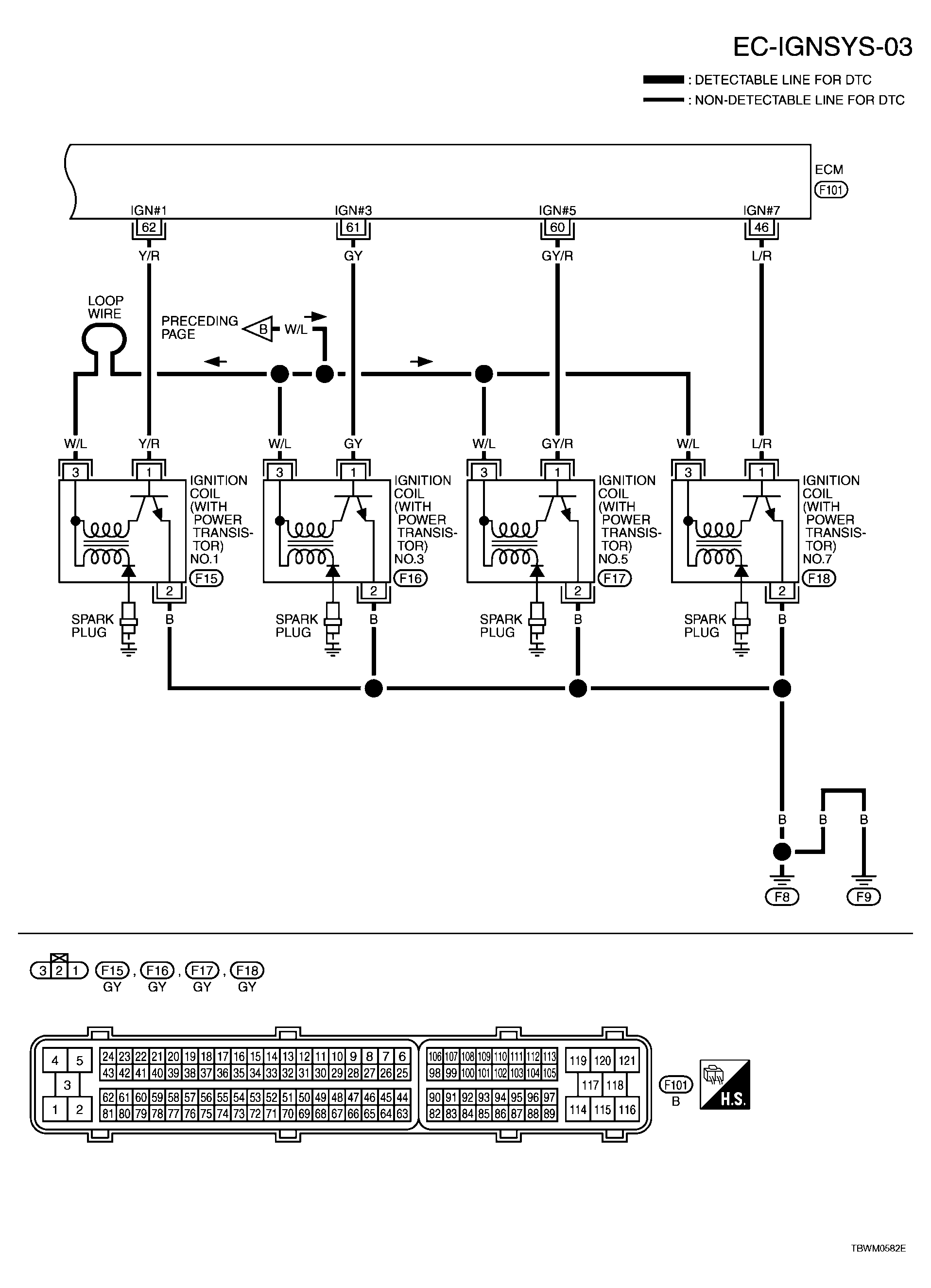
Fig 3: Wiring Diagram - EC-IGNSYS-03
G04127845Courtesy of NISSAN MOTOR CO., U.S.A.

Specification data are reference values and are measured between each terminal and ground.

Pulse signal is measured by CONSULT-II.

CAUTION: Do not use ECM ground terminals when measuring input/output voltage. Doing so may result in damage to the ECM's transistor. Use a ground other than ECM terminals, such as the ground.
IGNITION COIL & POWER TRANSISTOR (3 OF 3)

TERMINAL NO. WIRE COLOR ITEM CONDITION DATA (DC Voltage)
46
60
61
62
L/R
GY/R
GY
Y/R
Ignition signal No. 7
Ignition signal No. 5
Ignition signal No. 3
Ignition signal No. 1
[Engine is running] 
  • Warm-up condition 
  • Idle speed
NOTE: The pulse cycle changes depending on rpm at idle
0 - 0.2V(1)
G04127846
[Engine is running] 
  • Warm-up condition 
  • Engine speed: 2,000 rpm
0.1 - 0.4V(1)
G04127847
(1) Average voltage for pulse signal (Actual pulse signal can be confirmed by oscilloscope.)