LEMON Manuals: Even more car manuals for everyone: 1960-2025
Home >> Infiniti >> 2006 >> Q45 >> Repair and Diagnosis >> Engine Performance >> System >> Engine Control System - Q45 - Component & System Tests, Mil And Data Link Connector, Service Data And Specifications (SDS) >> Variable Induction Air Control System (VIAS) >> Wiring Diagram
April 5, 2026: LEMON Manuals is launched! Read the announcement.

Variable Induction Air Control System (VIAS): Wiring Diagram

For wiring diagram abbreviations, see WIRING DIAGRAM ABBREVIATIONS IDENTIFICATION TABLE .

For PG-POWER, refer to SYSTEM WIRING DIAGRAMS .

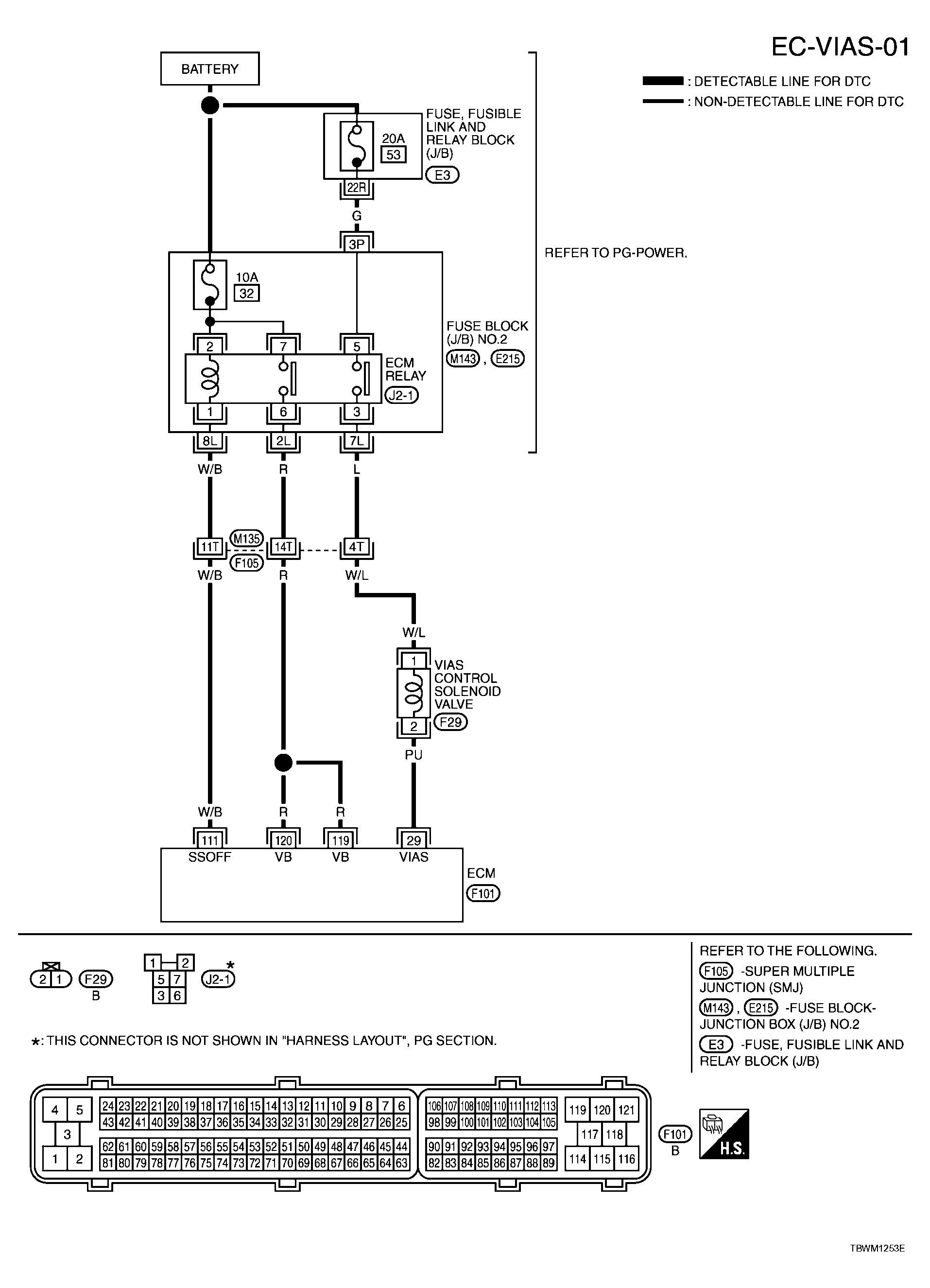
Fig 1: Wiring Diagram - EC-VIAS-01
G04127872Courtesy of NISSAN MOTOR CO., U.S.A.

Specification data are reference values and are measured between each terminal and ground.

CAUTION: Do not use ECM ground terminals when measuring input/output voltage. Doing so may result in damage to the ECM's transistor. Use a ground other than ECM terminals, such as the ground.
INPUT/OUTPUT VOLTAGE

TERMINAL NO. WIRE COLOR ITEM CONDITION DATA (DC Voltage)
29 PU VIAS control solenoid valve [Engine is running] 
  • Selector lever: P or N
0 - 1.0V
[Engine is running] 
  • Selector lever: D
  • Engine speed: Below 5,000 rpm
BATTERY VOLTAGE (11 - 14V)
[Engine is running] 
  • Engine speed: Above 5,000 rpm
0 - 1.0V
111 W/B ECM relay (Self shut-off) [Engine is running] 
[Ignition switch: OFF] 
  • For a few seconds after turning ignition switch OFF
0 - 1.5V
[Ignition switch: OFF] 
  • More than a few seconds after turning ignition switch OFF
BATTERY VOLTAGE (11 - 14V)
119
120
R
R
Power supply for ECM [Ignition switch: ON]  BATTERY VOLTAGE (11 - 14V)