LEMON Manuals: Even more car manuals for everyone: 1960-2025
Home >> Infiniti >> 2006 >> Q45 >> Repair and Diagnosis >> Engine Performance >> System >> Engine Control System - Q45 - DTC P1211 Through P2A03 >> DTC P1220 Fuel Pump Control Module (FPCM) >> Wiring Diagram
April 5, 2026: LEMON Manuals is launched! Read the announcement.

DTC P1220 Fuel Pump Control Module (FPCM): Wiring Diagram

For wiring diagram abbreviations, see WIRING DIAGRAM ABBREVIATIONS IDENTIFICATION TABLE .

For PG-POWER, refer to SYSTEM WIRING DIAGRAMS .

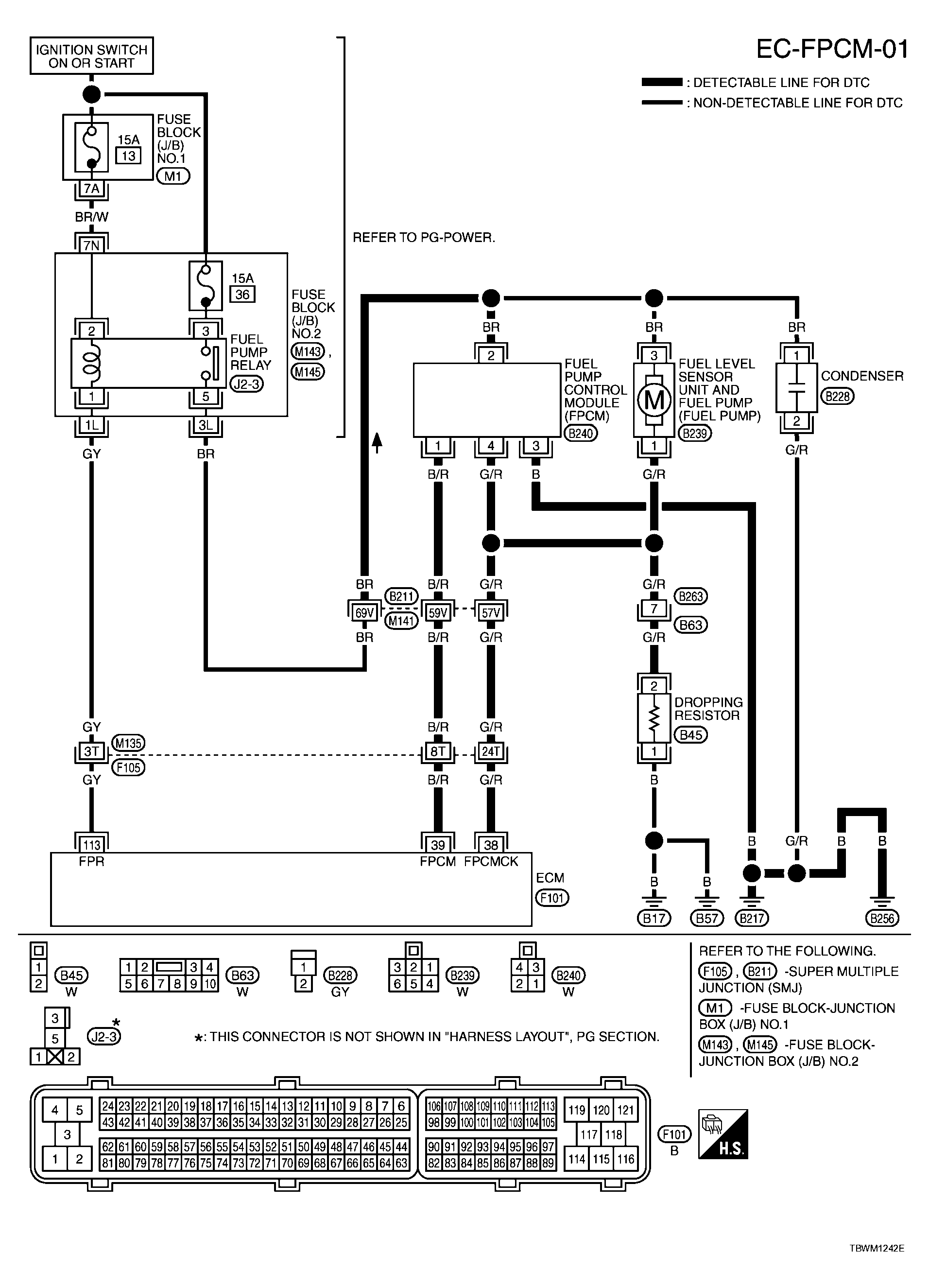
Fig 1: Wiring Diagram - EC-FPCM-01
G04127585Courtesy of NISSAN MOTOR CO., U.S.A.

Specification data are reference values and are measured between each terminal and ground.

CAUTION: Do not use ECM ground terminals when measuring input/output voltage. Doing so may result in damage to the ECM's transistor. Use a ground other than ECM terminals, such as the ground.
INPUT/OUTPUT VOLTAGE CHART

TERMINAL NO. WIRE COLOR ITEM CONDITION DATA (DC Voltage)
38 G/R Fuel pump control module (FPCM) check [When cranking engine]  Approximately 0V
[Engine is running] 
  • Warm-up condition 
  • Idle speed
4 - 6V
39 B/R Fuel pump control module (FPCM) [When cranking engine]  0 - 0.5V
[Engine is running] 
  • Warm-up condition 
  • Idle speed
8 - 12V
113 GY Fuel pump relay [Ignition switch: ON] 
  • For 5 seconds after turning ignition switch ON

[Engine is running] 
0 - 1.5V
[Ignition switch: ON] 
  • More than 5 seconds after turning ignition switch ON
BATTERY VOLTAGE (11 - 14V)