LEMON Manuals: Even more car manuals for everyone: 1960-2025
Home >> Infiniti >> 2006 >> Q45 >> Repair and Diagnosis >> Transmission >> Automatic Transmission >> Overhaul >> Components
April 5, 2026: LEMON Manuals is launched! Read the announcement.

Automatic Transmission: Overhaul: Components

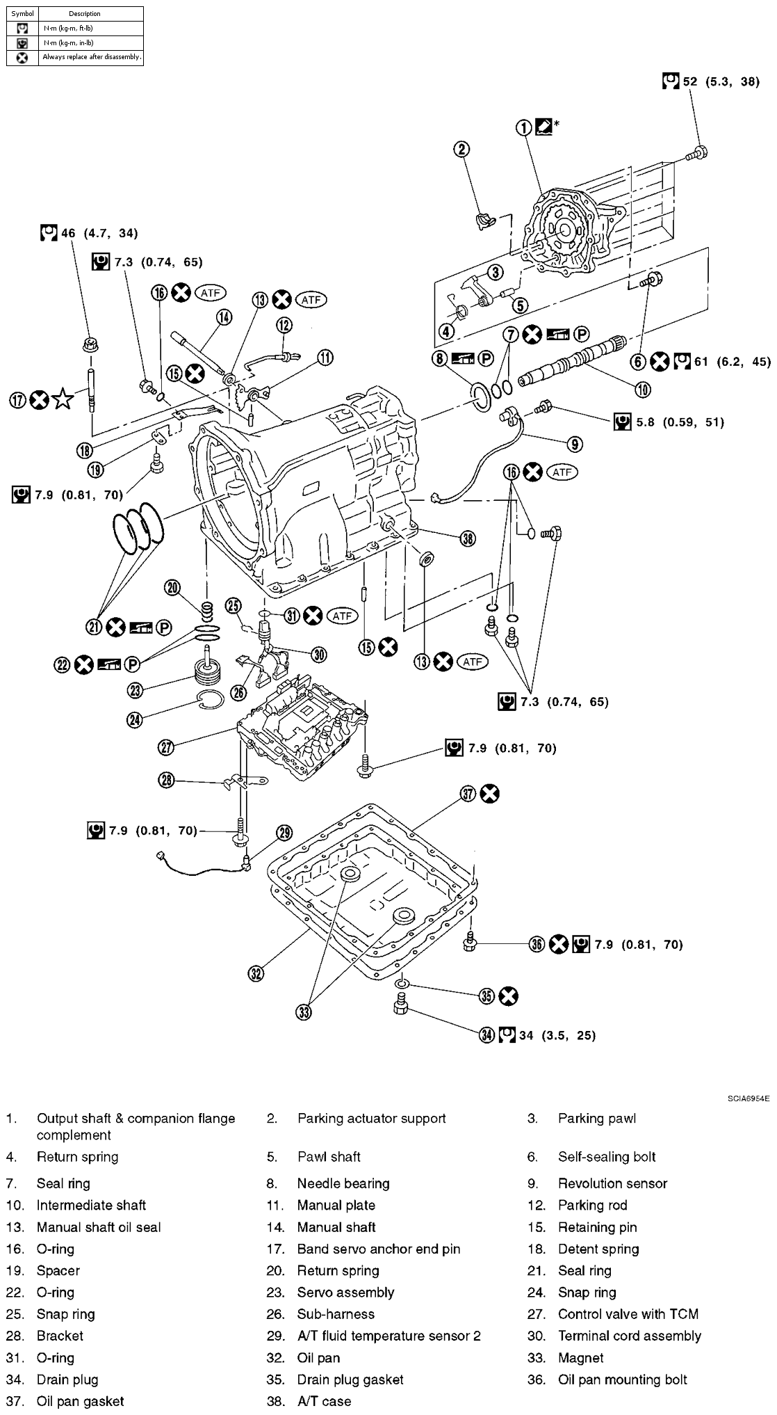
Fig 1: Overhaul Replacement Components With Torque Specifications (1 Of 3)
G04128233Courtesy of NISSAN MOTOR CO., U.S.A.

Refer to GLASSES, WINDOW SYSTEM & MIRRORS to make sure icons (symbol marks) in the figure. Refer to "COMPONENTS ".

However, refer to the following for others.

*: Apply Genuine Anaerobic Liquid Gasket or equivalent. Refer to "RECOMMENDED CHEMICAL PRODUCTS AND SEALANTS ".

Fig 2: Overhaul Replacement Components With Torque Specifications (2 Of 3)
G04128234Courtesy of NISSAN MOTOR CO., U.S.A.

Refer to GLASSES, WINDOW SYSTEM & MIRRORS to make sure icons (symbol marks) in the figure. Refer to "COMPONENTS ".

Fig 3: Overhaul Replacement Components With Torque Specifications (3 Of 3)
G04128235Courtesy of NISSAN MOTOR CO., U.S.A.

Refer to GLASSES, WINDOW SYSTEM & MIRRORS to make sure icons (symbol marks) in the figure. Refer to "COMPONENTS ".

However, refer to the following for others.

*: Apply Genuine Anaerobic Liquid Gasket or equivalent. Refer to "RECOMMENDED CHEMICAL PRODUCTS AND SEALANTS ".