LEMON Manuals: Even more car manuals for everyone: 1960-2025
Home >> Infiniti >> 2006 >> QX56 AWD >> Repair and Diagnosis >> Engine Performance >> System >> Engine Control System - Introduction >> Power Supply And Ground Circuit >> Wiring Diagram
April 5, 2026: LEMON Manuals is launched! Read the announcement.

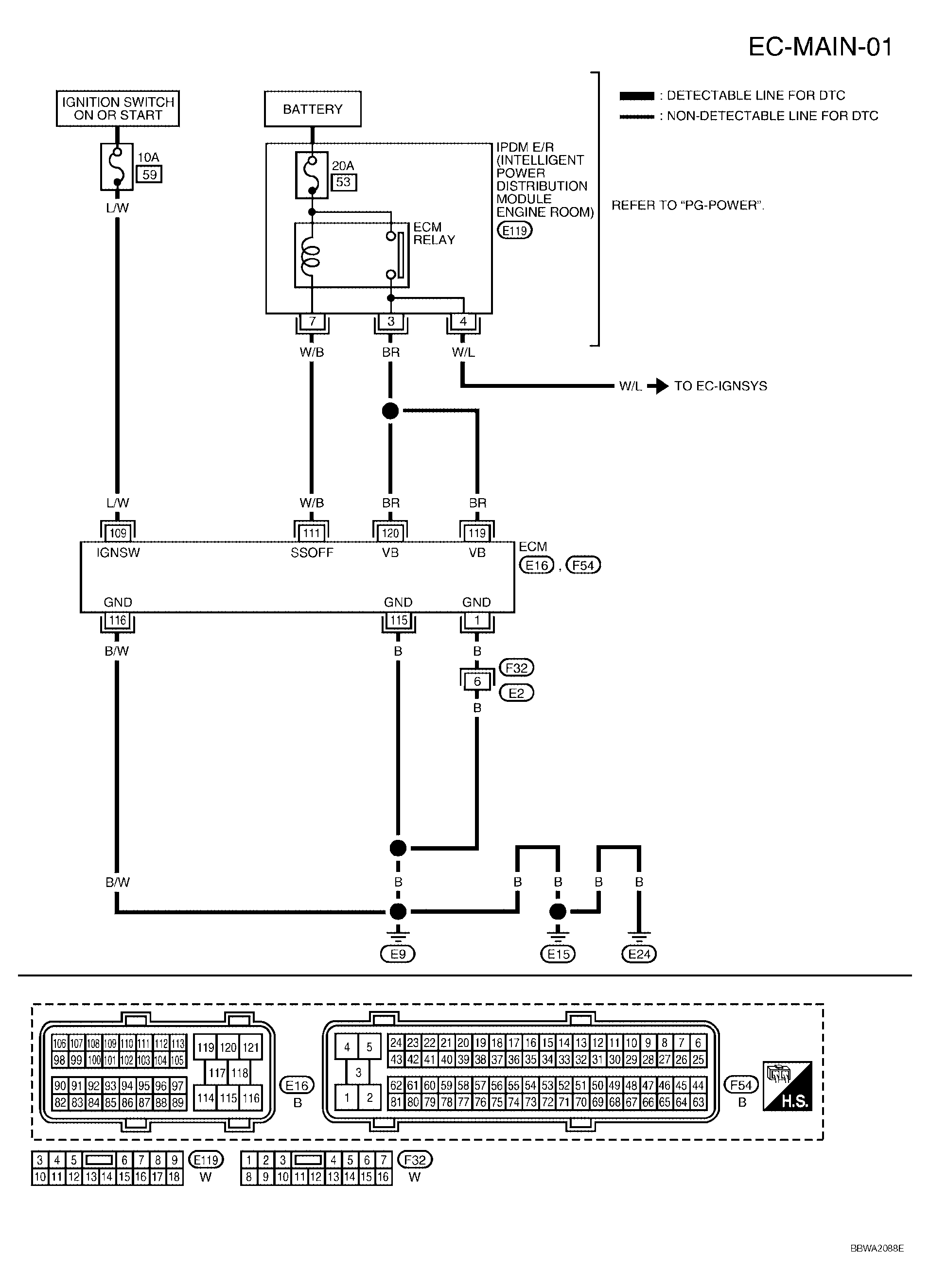
Power Supply And Ground Circuit: Wiring Diagram

Fig 1: Power Supply & Ground Circuit - Wiring Diagram
G04132645Courtesy of NISSAN MOTOR CO., U.S.A.

Specification data are reference values and are measured between each terminal and ground.

CAUTION: Do not use ECM ground terminals when measuring input/output voltage. Doing so may result in damage to the ECM's transistor. Use a ground other than ECM terminals, such as the ground.
INPUT/OUTPUT VOLTAGE CHART

TERMINAL NO. WIRE COLOR ITEM CONDITION DATA (DC Voltage)
1 B ECM ground [Engine is running] 
  • Idle speed
Body ground
109 L/W Ignition switch [Ignition switch: OFF]  0V
[Ignition switch: ON]  BATTERY VOLTAGE (11 - 14V)
111 W/B ECM relay (Self shut-off) [Engine is running] 
[Ignition switch: OFF] 
  • For a few seconds after turning ignition switch OFF
0 - 1.5V
[Ignition switch: OFF] 
  • More than a few seconds after turning ignition switch OFF
BATTERY VOLTAGE (11 - 14V)
115
116
B
B/W
ECM ground [Engine is running] 
  • Idle speed
Body ground
119
120
BR
BR
Power supply for ECM [Ignition switch: ON]  BATTERY VOLTAGE (11 - 14V)