LEMON Manuals: Even more car manuals for everyone: 1960-2025
Home >> Infiniti >> 2006 >> QX56 RWD >> Repair and Diagnosis >> Engine Performance >> System >> Engine Control System - Component Testing >> ASCD Brake Switch >> Wiring Diagram
April 5, 2026: LEMON Manuals is launched! Read the announcement.

ASCD Brake Switch: Wiring Diagram

For PG, go to SYSTEM WIRING DIAGRAMS .

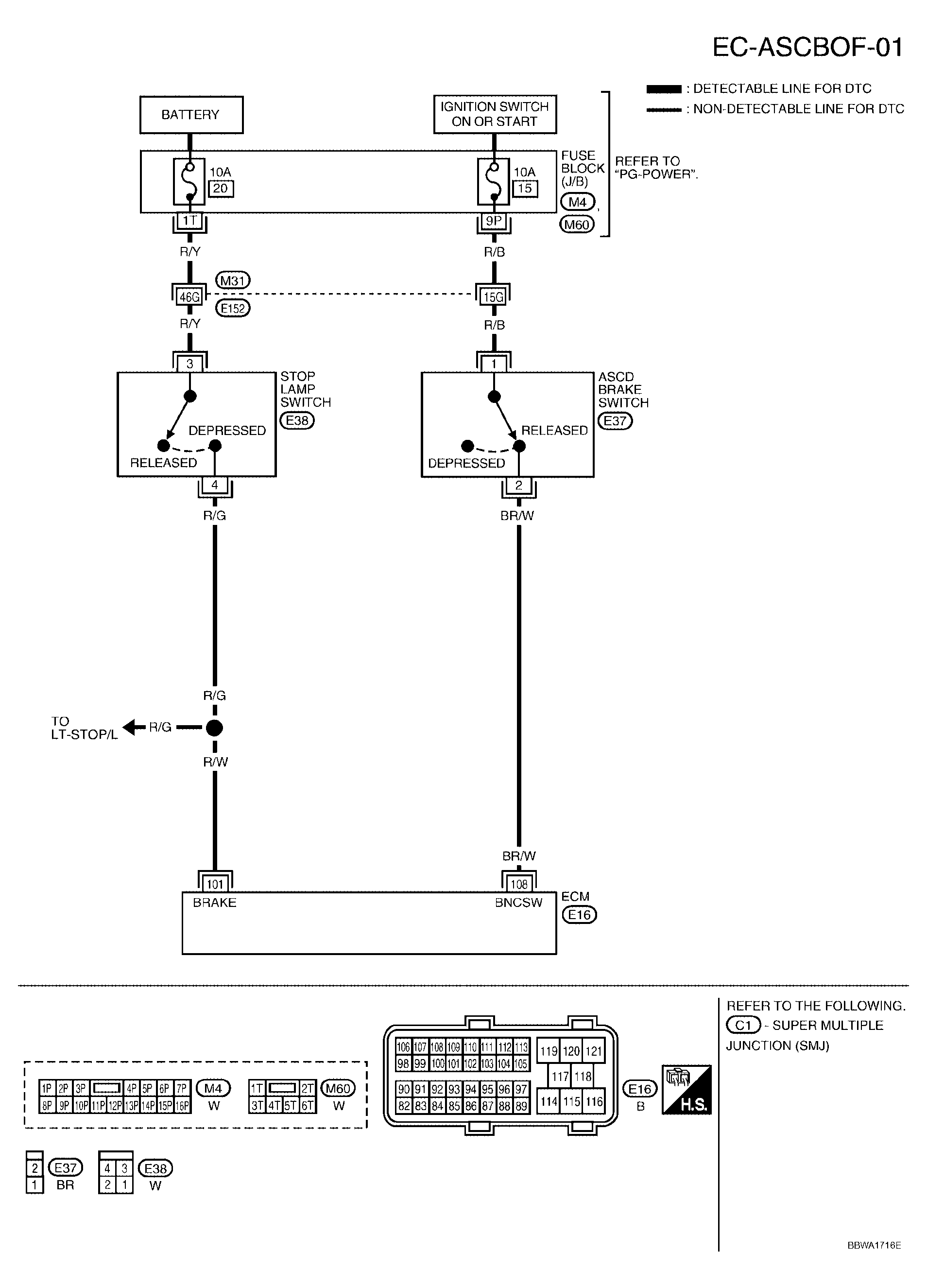
Fig 1: EC-ASCBOF-01 - Wiring Diagram
G04133216Courtesy of NISSAN MOTOR CO., U.S.A.

Specification data are reference values and are measured between each terminal and ground.

CAUTION: Do not use ECM ground terminals when measuring input/output voltage. Doing so may result in damage to the ECM's transistor. Use a ground other than ECM terminals, such as the ground.
ECM SPECIFICATION DATA AND REFERENCE VALUE

TERMINAL NO. WIRE COLOR ITEM CONDITION DATA (DC Voltage)
101 R/W Stop lamp switch [Ignition switch: OFF] 
  • Brake pedal: Fully released
Approximately 0V
[Ignition switch: OFF] 
  • Brake pedal: Slightly depressed
BATTERY VOLTAGE (11 - 14V)
108 BR/W ASCD brake switch [Ignition switch: ON] 
  • Brake pedal: Slightly depressed
Approximately 0V
[Ignition switch: ON] 
  • Brake pedal: Fully released
BATTERY VOLTAGE (11 - 14V)