LEMON Manuals: Even more car manuals for everyone: 1960-2025
Home >> Infiniti >> 2006 >> QX56 RWD >> Repair and Diagnosis >> Engine Performance >> System >> Engine Control System - Component Testing >> Fuel Injector >> Wiring Diagram
April 5, 2026: LEMON Manuals is launched! Read the announcement.

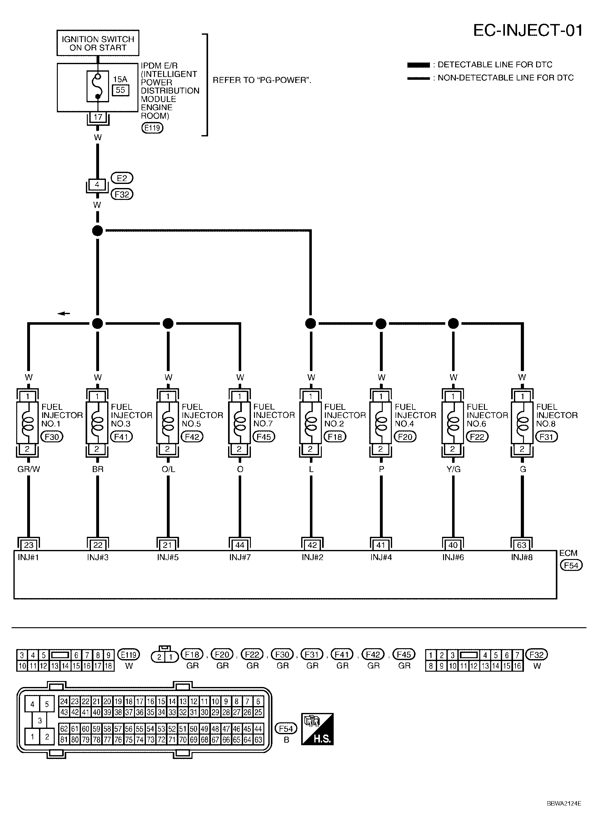
Fuel Injector: Wiring Diagram

For PG, go to SYSTEM WIRING DIAGRAMS .

Fig 1: EC-INJECT-01 - Wiring Diagram
G04133232Courtesy of NISSAN MOTOR CO., U.S.A.

Specification data are reference values and are measured between each terminal and ground.

Pulse signal is measured by CONSULT-II.

CAUTION: Do not use ECM ground terminals when measuring input/output voltage. Doing so may result in damage to the ECM's transistor. Use a ground other than ECM terminals, such as the ground.
ECM SPECIFICATION DATA AND REFERENCE VALUE

TERMINAL NO. WIRE COLOR ITEM CONDITION DATA (DC Voltage)
21
22
23
40
41
42
44
63
O/L
BR
GR/W
Y/G
P
L
O
G
Fuel injector No. 5
Fuel injector No. 3
Fuel injector No. 1
Fuel injector No. 6
Fuel injector No. 4
Fuel injector No. 2
Fuel injector No. 7
Fuel injector No. 8
[Engine is running] 
  • Warm-up condition 
  • Idle speed
    NOTE: The pulse cycle changes depending on rpm at idle.
BATTERY VOLTAGE (11 - 14V)(1)
G04133233Courtesy of NISSAN MOTOR CO., U.S.A.
[Engine is running] 
  • Warm-up condition 
  • Engine speed: 2, 000 rpm
BATTERY VOLTAGE (11 - 14V)(1)
G04133234Courtesy of NISSAN MOTOR CO., U.S.A.
(1) Average voltage for pulse signal (Actual pulse signal can be confirmed by oscilloscope.)