LEMON Manuals: Even more car manuals for everyone: 1960-2025
Home >> Infiniti >> 2006 >> QX56 RWD >> Repair and Diagnosis >> Engine Performance >> System >> Engine Control System - Component Testing >> Mil And Data Link Connector >> Wiring Diagram
April 5, 2026: LEMON Manuals is launched! Read the announcement.

Mil And Data Link Connector: Wiring Diagram

For PG, go to SYSTEM WIRING DIAGRAMS .

Fig 1: EC-MIL/DL-01 - Wiring Diagram
G04133291Courtesy of NISSAN MOTOR CO., U.S.A.
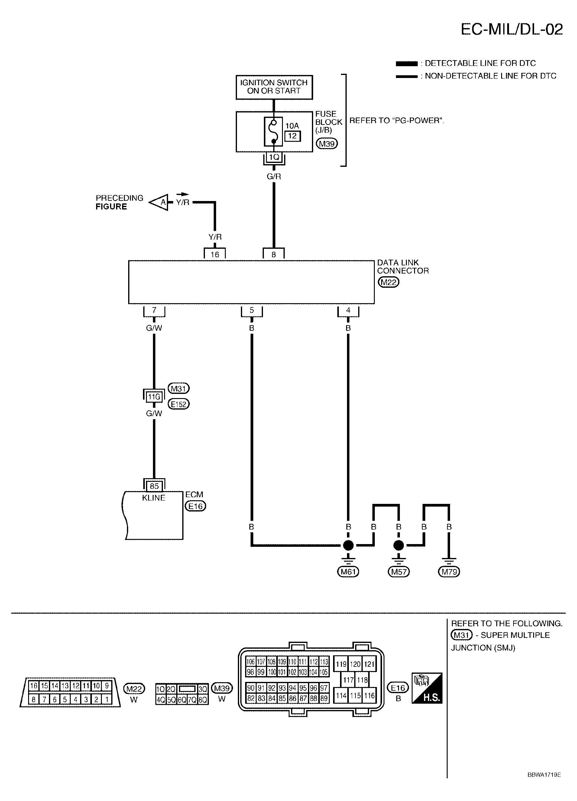
Fig 2: EC-MIL/DL-02 - Wiring Diagram
G04133292Courtesy of NISSAN MOTOR CO., U.S.A.