LEMON Manuals: Even more car manuals for everyone: 1960-2025
Home >> Infiniti >> 2007 >> FX35 AWD >> Repair and Diagnosis >> Body & Frame >> Seats >> Automatic Drive Positioner >> Schematic
April 5, 2026: LEMON Manuals is launched! Read the announcement.

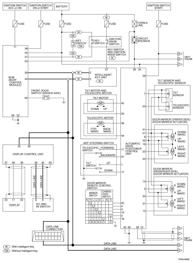
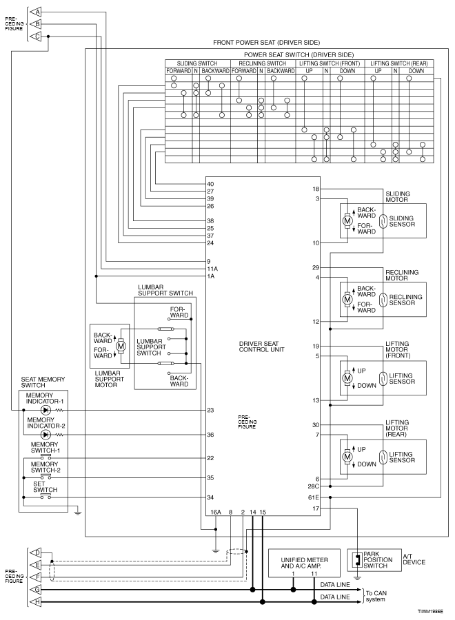
Automatic Drive Positioner: Schematic

Fig 1: Identifying Automatic Drive Positioner - Schematic Diagram (1 Of 2)
G05221454Courtesy of NISSAN MOTOR CO., U.S.A.
Fig 2: Identifying Automatic Drive Positioner - Schematic Diagram (2 Of 2)
G05221455Courtesy of NISSAN MOTOR CO., U.S.A.