LEMON Manuals: Even more car manuals for everyone: 1960-2025
Home >> Infiniti >> 2007 >> FX45 >> Repair and Diagnosis >> Body & Frame >> Door Locks >> Body, Lock & Security System >> Remote Keyless Entry System >> Schematic
April 5, 2026: LEMON Manuals is launched! Read the announcement.

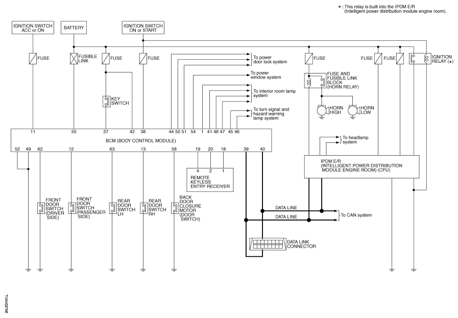
Remote Keyless Entry System: Schematic

Fig 1: Identifying Schematic Diagram
G05220808Courtesy of NISSAN MOTOR CO., U.S.A.