LEMON Manuals: Even more car manuals for everyone: 1960-2025
Home >> Infiniti >> 2007 >> FX45 >> Repair and Diagnosis >> Engine Performance >> System >> Engine Control System - Component Testing And Specifications (VK45DE) >> Snow Mode Switch >> Wiring Diagram
April 5, 2026: LEMON Manuals is launched! Read the announcement.

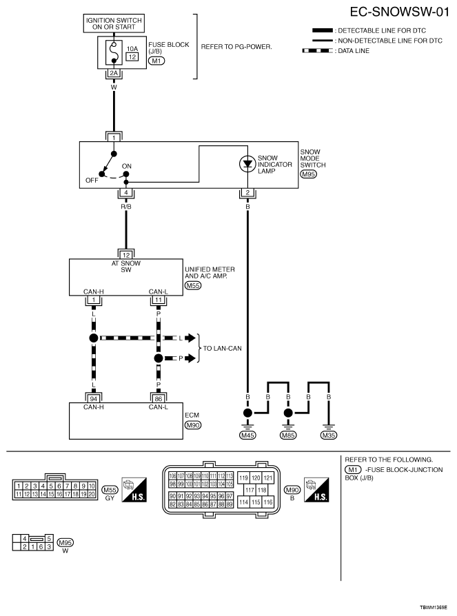
Snow Mode Switch: Wiring Diagram

Fig 1: Snow Mode Switch - Wiring Diagram
G05217857Courtesy of NISSAN NORTH AMERICA, INC.