LEMON Manuals: Even more car manuals for everyone: 1960-2025
Home >> Infiniti >> 2007 >> M35 Base >> Repair and Diagnosis (Single Page) >> Accessories & Equipment >> Communication Devices >> Body Control System >> BCM (Body Control Module) >> Schematic
April 5, 2026: LEMON Manuals is launched! Read the announcement.

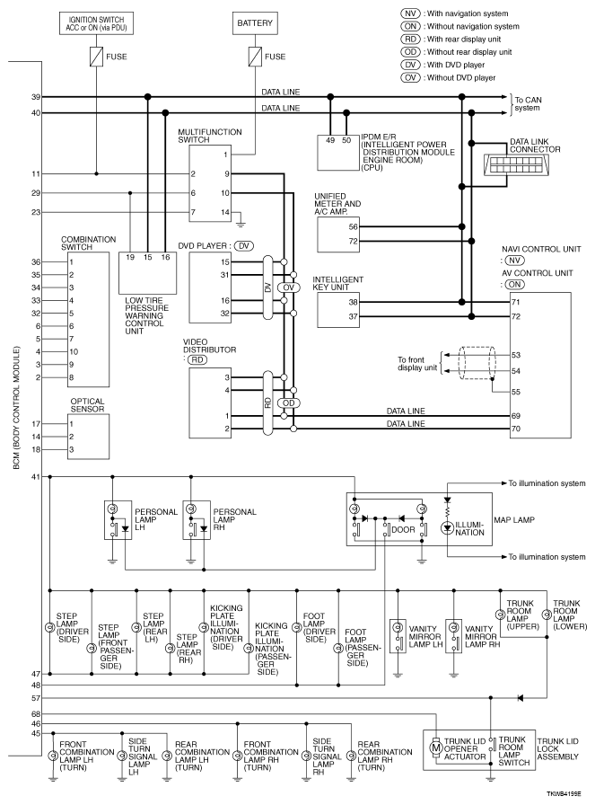
BCM (Body Control Module): Schematic

Fig 1: Body Control Module Schematic Diagram (1 Of 2)
G05214386
Fig 2: Body Control Module Schematic Diagram (2 Of 2)
G05214387