LEMON Manuals: Even more car manuals for everyone: 1960-2025
Home >> Infiniti >> 2007 >> M35 Base >> Repair and Diagnosis >> Body & Frame >> Door Locks >> Body, Lock & Security System >> Intelligent Key System >> Check Key Slot
April 5, 2026: LEMON Manuals is launched! Read the announcement.

Check Key Slot

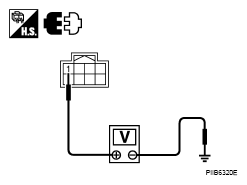
  1. CHECK KEY SLOT INPUT SIGNAL 

    Check voltage between Intelligent Key unit harness connector and ground.

    TERMINAL VOLTAGE CHART

    Terminals Condition Voltage (V) (Approx.)
    (+) (-)
    Intelligent Key unit connector Terminal
    M32 19 Ground Intelligent Key inserted Battery voltage
    Intelligent Key removed 0

    OK or NG 

    OK: Key slot is OK.

    NG: GO TO 2.

    Fig 1: Checking Voltage Between Intelligent Key Unit Harness Connector Terminal 19 And Ground
    G05212200
  2. CHECK KEY SLOT POWER SUPPLY CIRCUIT 
    1. Turn ignition switch OFF.
    2. Disconnect key slot connector.
    3. Check voltage between slot connector and ground.
      TERMINAL VOLTAGE CHART

      Terminals Voltage (V) (Approx.)
      (+) (-)
      Key slot connector Terminal
      M14 1 Ground Battery voltage

    OK or NG 

    OK: GO TO 3.

    NG: Repair or replace key slot power supply circuit.

    Fig 2: Checking Voltage Between Slot Connector Terminal 1 And Ground
    G05212201
  3. CHECK KEY SLOT 

    Check key slot.

    TERMINAL CONTINUITY CHART

    Terminal Condition Continuity
    Key slot
    1 3 Intelligent Key inserted Yes
    Intelligent Key removed No

    OK or NG 

    OK: GO TO 4.

    NG: Replace key slot.

    Fig 3: Checking Key Slot Connector Terminals
    G05212202
  4. CHECK KEY SLOT GROUND CIRCUIT 

    Check continuity between key slot connector and ground.

    TERMINAL CONTINUITY CHART

    Key slot connector Terminal Ground Continuity
    M14 8 Yes

    OK or NG 

    OK: GO TO 5.

    NG: Repair or replace key slot ground circuit.

    Fig 4: Checking Continuity Between Key Slot Connector Terminal 8 And Ground
    G05212203
  5. CHECK KEY SWITCH CIRCUIT 
    1. Disconnect Intelligent Key unit connector.
    2. Check continuity between Intelligent Key unit connector 7 and key slot connector.
      CONTINUITY CHART

      A B Continuity
      Intelligent Key unit connector Terminal Key slot connector Terminal
      M32 19 M14 2 Yes
    3. Check continuity between Intelligent Key unit connector and ground.
      CONTINUITY CHART

      A Ground Continuity
      Intelligent Key unit connector Terminal
      M32 19 No
      Fig 5: Checking Continuity Between Intelligent Key Unit Connector Terminals 19 And Ground
      G05212204

    OK or NG 

    OK: Check the condition of harness and harness connector.

    NG: Repair or replace harness between Intelligent Key unit and key slot.