LEMON Manuals: Even more car manuals for everyone: 1960-2025
Home >> Infiniti >> 2007 >> M35 Base >> Repair and Diagnosis >> Body & Frame >> Door Locks >> Body, Lock & Security System >> Intelligent Key System >> Schematic
April 5, 2026: LEMON Manuals is launched! Read the announcement.

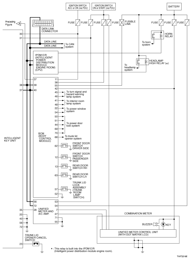
Intelligent Key System: Schematic

Fig 1: Intelligent Key System - Schematic Diagram (1 Of 2)
G05212172
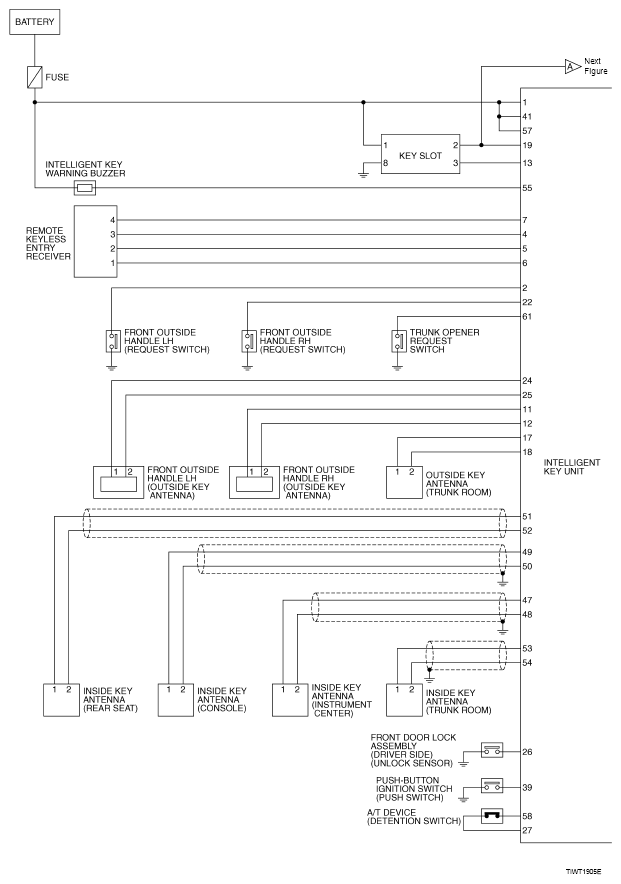
Fig 2: Intelligent Key System - Schematic Diagram (2 Of 2)
G05212173