LEMON Manuals: Even more car manuals for everyone: 1960-2025
Home >> Infiniti >> 2007 >> M35 Base >> Repair and Diagnosis >> Body & Frame >> Windows >> Glass, Window System & Mirrors >> Rear Window Defogger >> Schematic
April 5, 2026: LEMON Manuals is launched! Read the announcement.

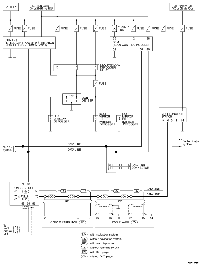
Rear Window Defogger: Schematic

Fig 1: Rear Window Defogger - Schematic Diagram
G05212652